发电技术 ›› 2026, Vol. 47 ›› Issue (1): 111-121.DOI: 10.12096/j.2096-4528.pgt.260110
• 储能 • 上一篇
李涛1,2, 张春1,2, 胡添诚1,2
收稿日期:2025-01-04
修回日期:2025-02-19
出版日期:2026-02-28
发布日期:2026-02-12
通讯作者:
张春
作者简介:基金资助:Tao LI1,2, Chun ZHANG1,2, Tiancheng HU1,2
Received:2025-01-04
Revised:2025-02-19
Published:2026-02-28
Online:2026-02-12
Contact:
Chun ZHANG
Supported by:摘要:
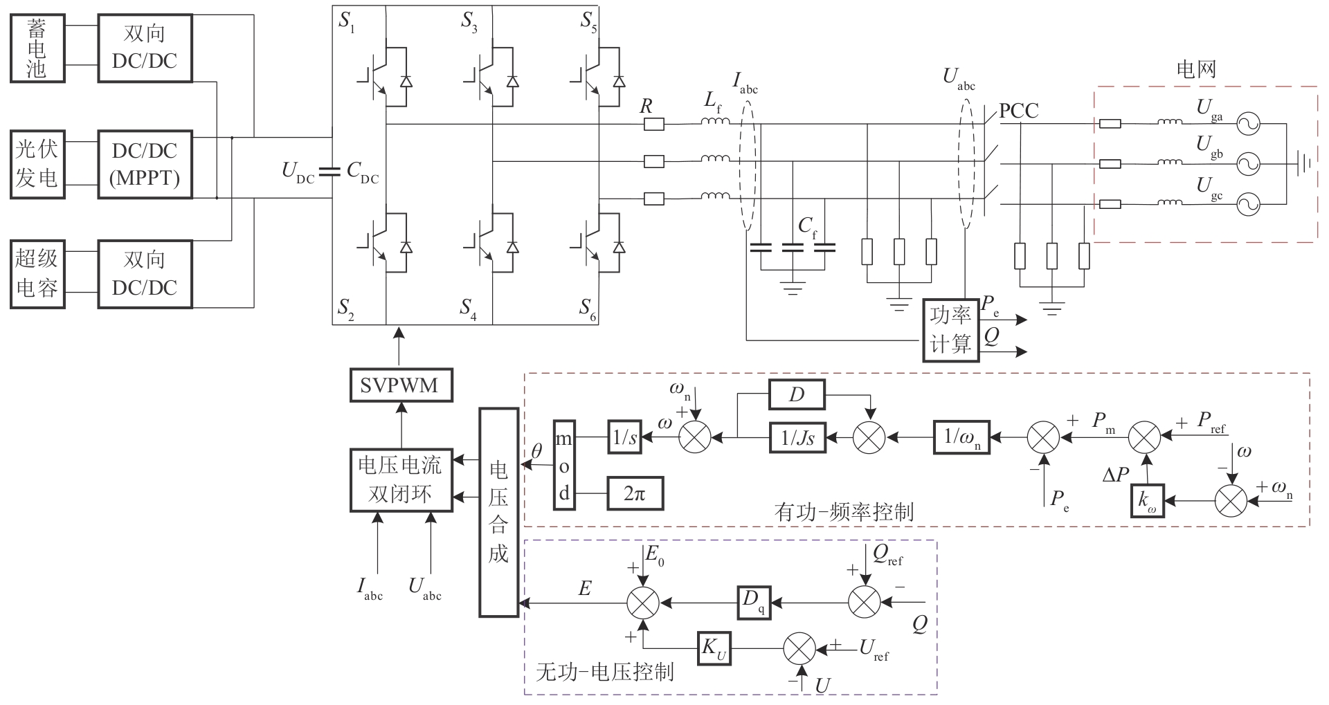
目的 虚拟同步发电机(virtual synchronous generator,VSG)因其能够调节逆变器并网中的阻尼和惯性而得到广泛应用。但在实际工况下,线路普遍存在阻抗以及离/并网预同步过程中容易出现电压电流畸变。为此,对VSG的控制结构和预同步方法进行了优化。 方法 采用光伏发电系统和混合储能代替传统的直流源用于模拟实际情况,并在传统VSG模型中增加虚拟有功和虚拟电流来补偿并网过程中存在的相位差和幅值差,以实现频率和电压的调节。针对传统线性自抗扰控制(linear active disturbance rejection control,LADRC)系统中的PD控制参数选定问题,采用模糊控制在线自适应整定PD控制参数,并将LADRC引入有功环进行二次调频,以增加系统的鲁棒性。 结果 通过MATLAB/Simulink的仿真验证了该方法设计的可行性,表明预同步控制系统运行效果优越。 结论 模糊LADRC可以快速实现平滑并网,抑制网侧电流冲击和降低频率振荡,从而提高并网逆变器-电网交互系统的稳定性。
中图分类号:
李涛, 张春, 胡添诚. 基于模糊自抗扰的光储预同步虚拟同步发电机并网策略[J]. 发电技术, 2026, 47(1): 111-121.
Tao LI, Chun ZHANG, Tiancheng HU. Pre-Synchronization Virtual Synchronous Generator Grid-Connection Strategy Based on Fuzzy Active Disturbance Rejection for Photovoltaic Storage[J]. Power Generation Technology, 2026, 47(1): 111-121.
| e | n | ||||||
|---|---|---|---|---|---|---|---|
| NB | NM | NS | ZO | PS | PM | PB | |
| NB | PB/PB | PB/PB | PB/PB | PB/NB | PS/NB | ZO/NM | NS/NS |
| NM | PB/PB | PB/PB | PM/PM | PM/NM | ZO/ZO | NS/PS | NM/PM |
| NS | PB/PB | PM/PM | PM/PM | PS/NS | NS/PM | NM/PB | NB/PB |
| ZO | ZO/ZO | ZO/ZO | ZO/ZO | ZO/ZO | ZO/ZO | ZO/ZO | ZO/ZO |
| PS | NB/PM | NM/PB | NS/PM | PS/NS | PM/PM | PM/PM | PB/PB |
| PM | NM/PM | NS/PS | ZO/ZO | PM/NM | PB/PM | PB/PB | PB/PB |
| PB | NS/NS | ZO/NM | PS/NB | PB/NB | PB/PB | PB/PB | PB/PB |
表1 模糊规则
Tab. 1 Fuzzy rules
| e | n | ||||||
|---|---|---|---|---|---|---|---|
| NB | NM | NS | ZO | PS | PM | PB | |
| NB | PB/PB | PB/PB | PB/PB | PB/NB | PS/NB | ZO/NM | NS/NS |
| NM | PB/PB | PB/PB | PM/PM | PM/NM | ZO/ZO | NS/PS | NM/PM |
| NS | PB/PB | PM/PM | PM/PM | PS/NS | NS/PM | NM/PB | NB/PB |
| ZO | ZO/ZO | ZO/ZO | ZO/ZO | ZO/ZO | ZO/ZO | ZO/ZO | ZO/ZO |
| PS | NB/PM | NM/PB | NS/PM | PS/NS | PM/PM | PM/PM | PB/PB |
| PM | NM/PM | NS/PS | ZO/ZO | PM/NM | PB/PM | PB/PB | PB/PB |
| PB | NS/NS | ZO/NM | PS/NB | PB/NB | PB/PB | PB/PB | PB/PB |
| 参数 | 数值 | 参数 | 数值 |
|---|---|---|---|
| 直流母线参考电压/V | 1 500 | 逆变器负荷/kW | 40 |
| 蓄电池输出功率/kW | 30 | 网侧负荷/kW | 40 |
| 惯性系数 | 0.003 1 | 有功参考值/kW | 80 |
| 虚拟惯量/(kg⋅m²) | 0.5 | 滤波电感/mH | 5 |
| 虚拟阻尼/(N⋅m⋅s | 20 | 滤波电容/μF | 0.2 |
| 额定频率/Hz | 50 | 开关频率/kHz | 20 |
表2 系统仿真参数
Tab. 2 System simulation parameters
| 参数 | 数值 | 参数 | 数值 |
|---|---|---|---|
| 直流母线参考电压/V | 1 500 | 逆变器负荷/kW | 40 |
| 蓄电池输出功率/kW | 30 | 网侧负荷/kW | 40 |
| 惯性系数 | 0.003 1 | 有功参考值/kW | 80 |
| 虚拟惯量/(kg⋅m²) | 0.5 | 滤波电感/mH | 5 |
| 虚拟阻尼/(N⋅m⋅s | 20 | 滤波电容/μF | 0.2 |
| 额定频率/Hz | 50 | 开关频率/kHz | 20 |
图11 常规VSG、LADRC和模糊LADRC 3种控制的预同步仿真波形对比
Fig. 11 Comparison of pre-synchronization simulation waveforms of conventional VSG, LADRC, and fuzzy LADRC controls
| 参数 | 常规VSG | LADRC | 模糊LADRC |
|---|---|---|---|
| 并网时间/s | 0.437 | 0.407 | 0.403 |
| 频率振荡最大范围/Hz | 1.029 0 | 1.041 5 | 0.995 8 |
| 并网时电流平均峰值/A | 56.942 5 | 44.938 1 | 39.213 4 |
| 离网功率波动峰值/W | 80 478.5 | 80 402.7 | 80 237.7 |
表3 3种算法仿真结果比较
Tab. 3 Comparison of simulation results for three algorithms
| 参数 | 常规VSG | LADRC | 模糊LADRC |
|---|---|---|---|
| 并网时间/s | 0.437 | 0.407 | 0.403 |
| 频率振荡最大范围/Hz | 1.029 0 | 1.041 5 | 0.995 8 |
| 并网时电流平均峰值/A | 56.942 5 | 44.938 1 | 39.213 4 |
| 离网功率波动峰值/W | 80 478.5 | 80 402.7 | 80 237.7 |
| [1] | 李佳蔚,张冠宇 .大规模分布式新能源接入对省级电网稳定性影响[J].中国电力,2024,57(6):174-180. |
| LI J W, ZHANG G Y .Impact of large scale distributed new energy access on provincial power grid stability[J].Electric Power,2024,57(6):174-180. | |
| [2] | 周勤勇,李根兆,秦晓辉,等 .能源革命下的电力系统范式转换分析[J].中国电力,2024,57(3):1-11. doi:10.11930/j.issn.1004-9649.202311115 |
| ZHOU Q Y, LI G Z, QIN X H,et al .Analysis of power system paradigm shift under energy revolution[J].Electric Power,2024,57(3):1-11. doi:10.11930/j.issn.1004-9649.202311115 | |
| [3] | 刘洪波,刘珅诚,盖雪扬,等 .高比例新能源接入的主动配电网规划综述[J].发电技术,2024,45(1):151-161. doi:10.12096/j.2096-4528.pgt.22106 |
| LIU H B, LIU S C, GAI X Y,et al .Overview of active distribution network planning with high proportion of new energy access[J].Power Generation Technology,2024,45(1):151-161. doi:10.12096/j.2096-4528.pgt.22106 | |
| [4] | 冀肖彤,杨东俊,方仍存,等 .“双碳”目标下未来配电网构建思考与展望[J].电力建设,2024,45(2):37-48. |
| JI X T, YANG D J, FANG R C,et al .Research and prospect of future distribution network construction under dual carbon target[J].Electric Power Construction,2024,45(2):37-48. | |
| [5] | 兰天楷,孙华东,王琦,等 .考虑分布式新能源的有源综合负荷模型[J].电工技术学报,2024,39(23):7365-7378. doi:10.1109/tpwrs.2023.3250648 |
| LAN T K, SUN H D, WANG Q,et al .Active synthesis load model considering distributed renewable energy source[J].Transactions of China Electrotechnical Society,2024,39(23):7365-7378. doi:10.1109/tpwrs.2023.3250648 | |
| [6] | 柴秀慧,张纯江,赵晓君,等 .并网储能逆变器的混合型VSG控制策略研究[J].电力电子技术,2023,57(11):74-76. |
| CHAI X H, ZHANG C J, ZHAO X J,et al .Research on hybrid VSG control strategy of grid-connected energy storage inverter[J].Power Electronics,2023,57(11):74-76. | |
| [7] | 纪君奇,杨黎晖,马西奎 .基于虚拟同步发电机控制的并网逆变器切换型振荡及其非光滑分岔特性[J].电工技术学报,2024,39(24):7860-7873. |
| JI J Q, YANG L H, MA X K .Switched oscillation and its non-smooth bifurcation characteristics in grid-connected inverter based on virtual synchronous generator control[J].Transactions of China Electrotechnical Society,2024,39(24):7860-7873. | |
| [8] | 杨旭红,杨一矜,潘宇,等 .基于RBF-LADRC的虚拟同步发电机控制策略[J].太阳能学报,2024,45(3):319-325. |
| YANG X H, YANG Y J, PAN Y,et al .RBFNN based linear active disturbance rejection control for virtual synchronous generator control strategy[J].Acta Energiae Solaris Sinica,2024,45(3):319-325. | |
| [9] | 陆永耕,李建刚,黄禹铭,等 .高渗透率分布式电源控制方法[J].发电技术,2021,42(1):103-114. |
| LU Y G, LI J G, HUANG Y M,et al .High-permeability distributed power control method[J].Power Generation Technology,2021,42(1):103-114. | |
| [10] | 乔鹏,汪海宁 .电网频率偏差下虚拟同步发电机改进控制研究[J].电测与仪表,2018,55(6):89-95. |
| QIAO P, WANG H N .Improved control strategy of virtual synchronous generator under grid frequency deviation[J].Electrical Measurement & Instrumentation,2018,55(6):89-95. | |
| [11] | 李亚楼,赵飞,樊雪君 .构网型储能及其应用综述[J].发电技术,2025,46(2):386-398. |
| LI Y L, ZHAO F, FAN X J .Review of grid-forming energy storage and its applications[J].Power Generation Technology,2025,46(2):386-398. | |
| [12] | 卢栩舜,朱金荣,王磊 .基于虚拟同步发电机的并离网控制策略优化[J].电子设计工程,2023,31(13):156-162. |
| LU X S, ZHU J R, WANG L .Optimization of grid-connected/islanded control strategy based on virtual synchronous generator[J].Electronic Design Engineering,2023,31(13):156-162. | |
| [13] | 靳金,王昊睿 .基于虚拟同步机的微网并离网无缝切换策略[J].电工技术,2020(9):165-167. |
| JIN J, WANG H R .Seamless switching strategy for grid-connection and off-grid modes of microgrid based on virtual synchronous machine[J].Electric Engineering,2020(9):165-167. | |
| [14] | 徐化博,赵艳雷,路茂增,等 .孤岛微电网电流同步U-I下垂控制方法[J].电测与仪表,2024,61(5):190-197. |
| XU H B, ZHAO Y L, LU M Z,et al .Current synchronous U-I droop control strategy for islanded microgrids[J].Electrical Measurement & Instrumentation,2024,61(5):190-197. | |
| [15] | 宋昕一,徐永海,袁敞,等 .孤岛直流微电网的多储能SOC稳定均衡控制策略[J].电力系统保护与控制,2024,52(20):49-59. |
| SONG X Y, XU Y H, YUAN C,et al .Multi-storage SOC stabilization and equalization control strategy for islanded DC microgrids[J].Power System Protection and Control,2024,52(20):49-59. | |
| [16] | 王秀云,刘国钦,梁晓龙,等 .基于改进虚拟同步发电机的预同步并网控制研究[J].东北电力大学学报,2023,43(1):92-98. |
| WANG X Y, LIU G Q, LIANG X L,et al .Research on pre-synchronous grid-connection control based on improved virtual synchronous generator[J].Journal of Northeast Electric Power University,2023,43(1):92-98. | |
| [17] | 杨洋,丁树业,徐峥嵘,等 .基于PLL的VSG并网控制研究[J].南京师范大学学报(工程技术版),2020,20(1):20-24. |
| YANG Y, DING S Y, XU Z R,et al .Research on grid-connected control of VSG based on PLL[J].Journal of Nanjing Normal University (Engineering and Technology Edition),2020,20(1):20-24. | |
| [18] | 吴丹丹,葛强,徐金,等 .基于虚拟功率的VSG并网控制策略[J].江苏大学学报(自然科学版),2022,43(4):458-463. |
| WU D D, GE Q, XU J,et al .Grid-connected control strategy of virtual synchronous generator based on virtual power[J].Journal of Jiangsu University (Natural Science Edition),2022,43(4):458-463. | |
| [19] | 沈志雨,董哲,李佼洁 .基于VSG的无PLL光储并网预同步控制策略[J].电工技术,2022(8):46-49. |
| SHEN Z Y, DONG Z, LI J J .Pre-synchronization control strategy for PLL free optical storage VSG grid-connected[J].Electric Engineering,2022(8):46-49. | |
| [20] | 高永军,孙向东,周兆吉 .基于虚拟阻抗功率的无锁相环并网预同步控制[J].电力电子技术,2021,55(4):99-102. |
| GAO Y J, SUN X D, ZHOU Z J .Grid-connected pre-synchronization control based on virtual impedance power without PLL[J].Power Electronics,2021,55(4):99-102. | |
| [21] | 李旭枫,陆立民,成乐祥,等 .基于自适应虚拟阻抗改进无功环路的虚拟同步功率解耦控制策略[J].电网技术,2019,43(10):3752-3760. |
| LI X F, LU L M, CHENG L X,et al .Power decoupling control strategy in virtual synchronous generator with improved reactive power loop based on adaptive virtual impedance[J].Power System Technology,2019,43(10):3752-3760. | |
| [22] | 戚军,李袁超,童辉,等 .基于动态虚拟电流前馈的预同步VSG功率二阶解耦策略[J].电网技术,2020,44(9):3556-3565. |
| QI J, LI Y C, TONG H,et al .Second-order power decoupling control in pre-synchronized VSG based on dynamic virtual current feedforward control[J].Power System Technology,2020,44(9):3556-3565. | |
| [23] | WANG J F, RAMLI N, AZIZ N H A .Pre synchronization control strategy of virtual synchronous generator (VSG) in micro-grid[J].IEEE Access,2023,11:139004-139016. doi:10.1109/access.2023.3341102 |
| [24] | 邢鹏翔,贾璇悦,许长清,等 .基于功率匹配和自适应惯性的VSG预同步控制方法[J].郑州大学学报(工学版),2023,44(3):69-75. |
| XING P X, JIA X Y, XU C Q,et al .Pre-synchronization control method for virtual synchronous generator based on power matching and self-adaptive inertia[J].Journal of Zhengzhou University (Engineering Science),2023,44(3):69-75. | |
| [25] | 陶奕嘉,杨秀,张美霞,等 .基于MPC的直流微电网混合储能改进下垂控制策略研究[J].智慧电力,2024,52(11):89-97. |
| TAO Y J, YANG X, ZHANG M X,et al .Improved droop control strategy for hybrid energy storage in DC microgrid based on MPC[J].Smart Power,2024,52(11):89-97. | |
| [26] | 李怡,李永丽,李松,等 .基于VSG的光伏及混合储能系统功率分配与虚拟惯性控制[J].电力自动化设备,2023,43(7):27-34. |
| LI Y, LI Y L, LI S,et al .Power distribution and virtual inertia control of photovoltaic and hybrid energy storage system based on VSG[J].Electric Power Automation Equipment,2023,43(7):27-34. | |
| [27] | 周科,文贤馗,邓彤天,等 .光伏发电-超级电容储能并网系统的直流母线电压稳定控制[J].电网与清洁能源,2024,40(2):47-55. |
| ZHOU K, WEN X K, DENG T T,et al .A study on the DC-bus voltage stability control of photovoltaic power generation-supercapacitor energy storage grid-connected systems[J].Power System and Clean Energy,2024,40(2):47-55. | |
| [28] | 陈景文,王媛,王福强,等 .光储直流微电网多运行工况稳定性分析[J].智慧电力,2024,52(4):15-23. |
| CHEN J W, WANG Y, WANG F Q,et al .Stability analysis of optical storage DC microgrid under multiple operating conditions[J].Smart Power,2024,52(4):15-23. | |
| [29] | 王力,胡佳成,曾祥君,等 .基于混合储能的交直流混联微电网功率分级协调控制策略[J].电工技术学报,2024,39(8):2311-2324. |
| WANG L, HU J C, ZENG X J,et al .Hierarchical coordinated power control strategy for AC-DC hybrid microgrid with hybrid energy storage[J].Transactions of China Electrotechnical Society,2024,39(8):2311-2324. | |
| [30] | 田博文,张志禹,杨梦飞 .基于多次滑动均值滤波的混合储能功率分配与定容研究[J].电工技术学报,2024,39(5):1548-1564. |
| TIAN B W, ZHANG Z Y, YANG M F .Research on hybrid energy storage power allocation and capacity determination based on multiple moving average filtering[J].Transactions of China Electrotechnical Society,2024,39(5):1548-1564. | |
| [31] | 袁昊,刘宇航,孙洁,等 .“双碳”背景下新能源并网储能容量优化配置方法[J].电网与清洁能源,2024,40(9):134-140. |
| YUAN H, LIU Y H, SUN J,et al .Energy storage capacity optimization allocation methods for grid-connected new energy under dual-carbon background[J].Power System and Clean Energy,2024,40(9):134-140. | |
| [32] | 曹宇,胡鹏飞,蔡婉琪,等 .基于MMC的超级电容与蓄电池混合储能系统及其混合同步控制策略[J].中国电力,2024,57(6):78-89. |
| CAO Y, HU P F, CAI W Q,et al .MMC based super capacitor and battery hybrid energy storage system and hybrid synchronous control strategy[J].Electric Power,2024,57(6):78-89. | |
| [33] | 熊保星,甘文洋,陈铭治,等 .基于模糊线性自抗扰的水下机器人定深控制[J/OL].控制工程,2024:1-9.(2024-01-23)[2024-07-11]. . |
| XIONG B X, GAN W Y, CHEN M Z,et al .Depth control of underwater vehicle based on fuzzy linear active disturbance rejection[J/OL].Control Engineering of China,2024:1-9.(2024-01-23)[2024-07-11]. . | |
| [34] | 陈伟国,曾江 .基于改进LESO的电力电子负载自抗扰控制研究[J].电测与仪表,2025,62(9):176-185. |
| CHEN W G, ZENG J .Research on active disturbance rejection control strategy of power electronic load based on improved LESO[J].Electrical Measurement & Instrumentation,2025,62(9):176-185. | |
| [35] | 张敏,温涛,王怀远 .基于重复控制的改进电压谐波线性自抗扰控制研究[J].广东电力,2024,37(5):1-9. |
| ZHANG M, WEN T, WANG H Y .Research on improved voltage harmonic linear active disturbance rejection control based on repetitive control[J].Guangdong Electric Power,2024,37(5):1-9. | |
| [36] | 周杰,皇金锋,黄红杰,等 .T型三电平储能变流器直流母线电压改进自抗扰控制[J].电力系统保护与控制,2024,52(21):81-91. |
| ZHOU J, HUANG J F, HUANG H J,et al .DC bus voltage improved active disturbance rejection control of a T-type three-level energy storage converter[J].Power System Protection and Control,2024,52(21):81-91. | |
| [37] | 张鑫 .基于VSG的微电网频率稳定控制方法研究[D].青岛:山东科技大学,2020. |
| ZHANG X .Research on control method of microgrid frequency stability based on VSG[D].Qingdao:Shandong University of Science and Technology,2020. |
| [1] | 王志康, 张儒琪, 袁少可, 韩东江, 隋军. 有机朗肯-蒸汽压缩循环系统研究进展[J]. 发电技术, 2025, 46(6): 1059-1073. |
| [2] | 施凯, 龚祎帆, 徐培凤, 杜怿, 孙宇新, 任明炜. 基于功率环与电流环联合控制的虚拟同步发电机故障穿越控制策略[J]. 发电技术, 2025, 46(6): 1231-1239. |
| [3] | 欧阳昌乐, 张春, 吴文泰, 栾惟聪, 夏祥子. 基于改进动态事件触发机制的微电网经济调度一致性算法[J]. 发电技术, 2025, 46(6): 1240-1250. |
| [4] | 罗宗龙, 刘世林. 基于信息间隙决策理论鲁棒模型的户用微电网优化运行[J]. 发电技术, 2025, 46(4): 705-714. |
| [5] | 卫广宇, 应笑冬, 姚延军, 杨小芳, 翁楚迪, 彭勇刚, 李海龙. 计及荷电状态的并网型直流微电网功率协同控制策略[J]. 发电技术, 2025, 46(4): 788-796. |
| [6] | 任明炜, 邵聪, 施凯, 徐培凤, 孙宇新. 基于改进型虚拟阻抗的虚拟同步发电机动态功率解耦控制[J]. 发电技术, 2025, 46(4): 797-806. |
| [7] | 刘宿城, 栾李, 李龙, 洪涛, 刘晓东. 基于人工智能的直流微电网大信号稳定性评估方法研究[J]. 发电技术, 2025, 46(3): 496-507. |
| [8] | 刘忠, 黄彦铭, 朱光明, 邹淑云. 含风-光-电氢混合储能的多微电网系统容量优化配置方法[J]. 发电技术, 2025, 46(2): 240-251. |
| [9] | 雷基林, 余林兴, 别玉, 徐稚博, 肖雨寒. 孤岛微电网能量管理系统研究综述[J]. 发电技术, 2025, 46(2): 370-385. |
| [10] | 任蓓蕾, 郭昆丽, 蔡维正, 李博浩, 朱婷华, 李玲陶. 基于改进线性自抗扰控制器的直驱风机次同步振荡抑制及阻抗稳定性分析[J]. 发电技术, 2024, 45(6): 1135-1145. |
| [11] | 李文, 卜凡鹏, 张潇桐, 杨创东, 张静. 基于典型商业运营模式的含电-氢混合储能微电网系统优化运行方法[J]. 发电技术, 2024, 45(6): 1186-1200. |
| [12] | 谭玲玲, 孙鹏, 郭沛璇, 李元芳, 吉兴全, 张玉敏. 含氢储能的微电网低碳-经济协同优化配置[J]. 发电技术, 2024, 45(5): 983-994. |
| [13] | 赵斌, 梁告, 姜孟浩, 邹港, 王力. 光储系统并网功率波动平抑及储能优化配置[J]. 发电技术, 2024, 45(3): 423-433. |
| [14] | 王放放, 杨鹏威, 赵光金, 李琦, 刘晓娜, 马双忱. 新型电力系统下火电机组灵活性运行技术发展及挑战[J]. 发电技术, 2024, 45(2): 189-198. |
| [15] | 杨捷, 孙哲, 苏辛一, 鲁刚, 元博. 考虑振荡型功率的直流微电网储能系统无互联通信网络的多目标功率分配方法[J]. 发电技术, 2024, 45(2): 341-352. |
| 阅读次数 | ||||||
|
全文 |
|
|||||
|
摘要 |
|
|||||