发电技术 ›› 2026, Vol. 47 ›› Issue (1): 214-224.DOI: 10.12096/j.2096-4528.pgt.260120

• 新型电力系统 • 上一篇    

含高密度光伏与储能的配电网多目标优化调度策略

刘可文1, 侯朗博2, 孙昊2, 陈衡2   

  1. 1.国网北京市电力公司电力科学研究院,北京市 丰台区 100079
    2.华北电力大学 能源动力与机械工程学院,北京市 昌平区 102206
  • 收稿日期:2025-01-16 修回日期:2025-03-23 出版日期:2026-02-28 发布日期:2026-02-12
  • 通讯作者: 陈衡
  • 作者简介:刘可文(1995),女,硕士,工程师,研究方向为电网状态检测及优化,510468125@qq.com
    侯朗博(1999),男,硕士研究生,研究方向为电网提质增效,houlangbo1@163.com
    孙昊(2000),男,硕士研究生,研究方向为综合能源系统,1284683704@qq.com
    陈衡(1989),男,博士,副教授,研究方向为电网提质增效,本文通信作者,heng@ncepu.edu.cn
  • 基金资助:
    国家自然科学基金项目(52090064)

Multi-Objective Optimization Scheduling Strategies for Distribution Networks With High-Density Photovoltaics and Energy Storage

Kewen LIU1, Langbo HOU2, Hao SUN2, Heng CHEN2   

  1. 1.State Grid Beijing Electric Power Research Institute, Fengtai District, Beijing 100079, China
    2.School of Energy, Power and Mechanical Engineering, North China Electric Power University, Changping District, Beijing 102206, China
  • Received:2025-01-16 Revised:2025-03-23 Published:2026-02-28 Online:2026-02-12
  • Contact: Heng CHEN
  • Supported by:
    National Natural Science Foundation of China(52090064)

摘要:

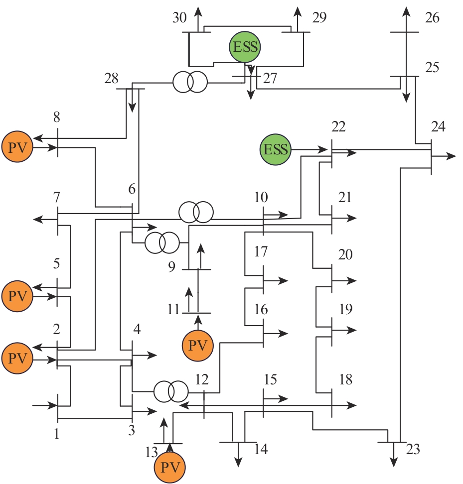
目的 为了更好地整合高密度光伏能源,在配电网中引入储能设备,以实现用电负荷的削峰填谷,缓解分布式光伏对电网电压的影响。 方法 通过合理选择储能调度和分布式光伏出力策略,采用多目标优化方法,以最小化网络损耗和电压偏差为目标进行配电网潮流优化。利用层次分析法-熵权法建立综合评价体系,通过粒子群算法构建优化模型,得出光伏与储能协同下的最优调度策略。 结果 通过30节点的仿真模型和实际案例进行计算分析,验证了储能系统能有效平抑光伏波动,保障节点电压稳定,提升能源利用率。相比传统算法,所提方法在电能质量与网络损耗控制方面具有显著优势。 结论 该方法能够实现配电网的高效稳定运行,减少系统的网络损耗。

关键词: 配电网优化, 高密度光伏, 储能, 多目标优化, 光储协调, 粒子群优化, 优化调度, 综合评价

Abstract:

Objectives To better integrate high-density photovoltaic (PV) energy, energy storage devices are integrated into distribution networks to achieve peak shaving and valley filling of electrical loads and alleviate the effect of distributed PV on grid voltage. Methods Through appropriate selection of energy storage scheduling and distributed PV output strategies, a multi-objective optimization method is used to optimize the power flow of distribution networks, aiming to minimize network losses and voltage deviations. A comprehensive evaluation system is established using the analytic hierarchy process-entropy weight method, and an optimization model is developed using particle swarm optimization algorithm to obtain the optimal scheduling strategy for PV and energy storage coordination. Results Calculations and analysis are conducted on a 30-node simulation model and practical cases. It is demonstrated that the energy storage system effectively mitigates PV fluctuations, ensures voltage stability at nodes, and improves energy utilization efficiency. Compared with traditional algorithms, the proposed method shows significant advantages in power quality and network loss control. Conclusions The method can achieve efficient and stable operation of distribution networks and reduce system network losses.

Key words: distribution network optimization, high-density photovoltaics, energy storage, multi-objective optimization, PV-storage coordination, particle swarm optimization, optimal scheduling, comprehensive evaluation

中图分类号: