发电技术 ›› 2026, Vol. 47 ›› Issue (1): 185-194.DOI: 10.12096/j.2096-4528.pgt.260117
• 新型电力系统 • 上一篇
吴宇轩, 欧阳森, 杨向宇, 陈汉栋, 黎人玮, 廖键
收稿日期:2025-04-16
修回日期:2025-07-28
出版日期:2026-02-28
发布日期:2026-02-12
作者简介:基金资助:Yuxuan WU, Sen OUYANG, Xiangyu YANG, Handong CHEN, Renwei LI, Jian LIAO
Received:2025-04-16
Revised:2025-07-28
Published:2026-02-28
Online:2026-02-12
Supported by:摘要:
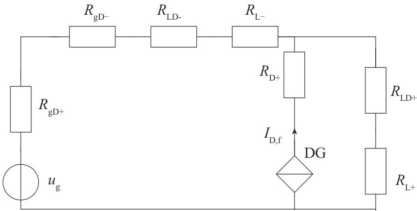
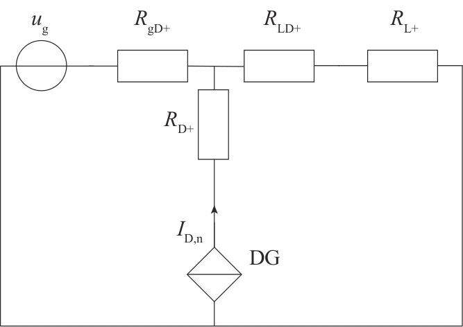
目的 断线故障的及时、准确检测对保障配电网的正常安全运行至关重要,而目前的单相断线故障检测的传统判据在有源配电网中的应用存在一定的局限性,因此,提出了一种基于改进支持向量机对多种电气特征量进行融合的单相断线故障检测方法。 方法 首先,建立了兼具启动判据、传统判据、有源判据的电气特征量指标体系。其次,通过开关量化法对启动判据进行处理。然后,通过核主成分分析方法从启动判据以外的特征指标体系中筛除低贡献率的特征指标。最后,将降维后的数据输入支持向量机,通过麻雀搜索算法完成支持向量机参数优化,得到断线故障检测模型。 结果 在改进IEEE15节点模型上进行的仿真算例表明,所提方法可将有效实现特征量的降维,较单一判据提升了8.87%的检测准确率。 结论 该方法解决了单相断线故障检测的传统判据容易失效的问题,能有效完成不同场景下的故障检测。
中图分类号:
吴宇轩, 欧阳森, 杨向宇, 陈汉栋, 黎人玮, 廖键. 基于改进支持向量机的有源配电网单相断线故障检测方法[J]. 发电技术, 2026, 47(1): 185-194.
Yuxuan WU, Sen OUYANG, Xiangyu YANG, Handong CHEN, Renwei LI, Jian LIAO. A Single-Phase Line-Break Fault Detection Method for Active Distribution Networks Based on Improved Support Vector Machine[J]. Power Generation Technology, 2026, 47(1): 185-194.
| 单一判据 | 识别率/% |
|---|---|
| 负序电压 | 67.26 |
| 零序电压 | 56.25 |
| 正序电流 | 68.75 |
| 负序电流 | 68.75 |
| 相电压幅值 | 65.77 |
| 线电压幅值 | 39.29 |
| 负序正序电流比 | 72.02 |
| DG电流变化率 | 85.71 |
表1 单一判据识别准确率
Tab. 1 Detection accuracy of single criterion
| 单一判据 | 识别率/% |
|---|---|
| 负序电压 | 67.26 |
| 零序电压 | 56.25 |
| 正序电流 | 68.75 |
| 负序电流 | 68.75 |
| 相电压幅值 | 65.77 |
| 线电压幅值 | 39.29 |
| 负序正序电流比 | 72.02 |
| DG电流变化率 | 85.71 |
| 成分 | KPCA累积贡献率/% | PCA累积贡献率/% |
|---|---|---|
| 1 | 78.73 | 51.31 |
| 2 | 90.38 | 71.21 |
| 3 | 97.31 | 86.54 |
| 4 | 98.37 | 92.21 |
| 5 | 98.93 | 95.48 |
表2 KPCA和PCA主成分的累计贡献率对比
Tab. 2 Comparison of cumulative contribution rates between KPCA and PCA principal components
| 成分 | KPCA累积贡献率/% | PCA累积贡献率/% |
|---|---|---|
| 1 | 78.73 | 51.31 |
| 2 | 90.38 | 71.21 |
| 3 | 97.31 | 86.54 |
| 4 | 98.37 | 92.21 |
| 5 | 98.93 | 95.48 |
| 算法 | 正确检测次数 | 误判次数 | 漏判次数 |
|---|---|---|---|
| SVM | 80 | 2 | 14 |
| RF | 84 | 0 | 12 |
| BP | 81 | 0 | 15 |
| PSO-SVM | 86 | 4 | 6 |
| GA-SVM | 85 | 3 | 8 |
| SSA-SVM | 92 | 0 | 4 |
表3 各机器学习算法的检测情况
Tab. 3 Detection performance of various machine learning algorithms
| 算法 | 正确检测次数 | 误判次数 | 漏判次数 |
|---|---|---|---|
| SVM | 80 | 2 | 14 |
| RF | 84 | 0 | 12 |
| BP | 81 | 0 | 15 |
| PSO-SVM | 86 | 4 | 6 |
| GA-SVM | 85 | 3 | 8 |
| SSA-SVM | 92 | 0 | 4 |
| 融合判据 | 平均识别率/% |
|---|---|
| SVM | 83.18 |
| RF | 87.34 |
| BP | 84.74 |
| PSO-SVM | 88.85 |
| GA-SVM | 88.96 |
| SSA-SVM | 94.58 |
表4 融合判据测试集识别正确率
Tab. 4 Detection accuracy of fused-criteria test set
| 融合判据 | 平均识别率/% |
|---|---|
| SVM | 83.18 |
| RF | 87.34 |
| BP | 84.74 |
| PSO-SVM | 88.85 |
| GA-SVM | 88.96 |
| SSA-SVM | 94.58 |
| [1] | 陈锦荣,李赫,谭振鹏,等 .基于电压相序突变信息的配电线路单相断线故障方向识别方法[J].供用电,2022,39(9):35-41. |
| CHEN J R, LI H, TAN Z P,et al .Identification method of single-phase disconnection fault direction for distribution lines based on voltage phase sequence mutation information[J].Distribution & Utilization,2022,39(9):35-41. | |
| [2] | 张明泽,栾文鹏,艾欣,等 .基于边缘计算的低压配电网健康状态评价方法[J].电测与仪表,2024,61(5):91-97. |
| ZHANG M Z, LUAN W P, AI X,et al .A health status assessment method for low-voltage distribution network based on edge computing[J].Electrical Measurement & Instrumentation,2024,61(5):91-97. | |
| [3] | 陈春,阳汉琨,肖轩怡,等 .面向配电网低压用户的停电区域研判方法[J].电力系统保护与控制,2025,53(16):28-38. |
| CHEN C, YANG H K, XIAO X Y,et al .A method for identifying the outage area of low-voltage distribution network users[J].Power System Protection and Control,2025,53(16):28-38. | |
| [4] | 徐玉韬,冯起辉,谈竹奎,等 .考虑转供与重构协同的多端柔性互联配电网供电恢复策略[J].电工技术学报,2024,39(9):2696-2709. |
| XU Y T, FENG Q H, TAN Z K,et al .Optimal power restoration strategy for multi-terminal flexible interconnected distribution networks based on flexible interconnection device and network reconfiguration[J].Transactions of China Electrotechnical Society,2024,39(9):2696-2709. | |
| [5] | 郑凯元,于希娟,杨禹锡,等 .城市安全可靠供电需求下的韧性配电网实践[J].电力建设,2025,46(2):35-48. |
| ZHENG K Y, YU X J, YANG Y X,et al .Resilient distribution network practice of cities under the demand for safe and reliable power supply[J].Electric Power Construction,2025,46(2):35-48. | |
| [6] | 胡满琳,李楠,李一鸣,等 .基于负序分量的含光伏电源配电网故障区段定位方法[J].中国电力,2024,57(5):188-199. |
| HU M L, LI N, LI Y M,et al .Fault location method for distribution network with photovoltaic power based on negative sequence component[J].Electric Power,2024,57(5):188-199. | |
| [7] | 李成钢,刘亚东,杨雪凤,等 .基于变分模态分解与空洞卷积神经网络的配电网故障选线方法[J].电网与清洁能源,2024,40(2):110-118. |
| LI C G, LIU Y D, YANG X F,et al .A method of fault line selection for distribution networks based on variational mode decomposition and dilated convolutional neural network[J].Power System and Clean Energy,2024,40(2):110-118. | |
| [8] | 王可淇,赵子涵,钟俊,等 .基于改进模拟退火遗传算法的配电网动态故障恢复策略[J].智慧电力,2024,52(6):16-22. |
| WANG K Q, ZHAO Z H, ZHONG J,et al .Dynamic fault recovery strategy for distribution network based on improved simulated annealing genetic algorithm[J].Smart Power,2024,52(6):16-22. | |
| [9] | 陈雅芳 .低压系统断零与缺相故障诊断技术及解决方案研究[D].广州:广东工业大学,2016. |
| CHEN Y F .Research on fault diagnosis technology and solution of zero break and phase loss in low voltage system[D].Guangzhou:Guangdong University of Technology,2016. | |
| [10] | 吴照裕 .小电阻接地配电网断线与高阻接地故障保护策略研究[D].广州:华南理工大学,2021. |
| WU Z Y .Study on protection strategy of disconnection and high resistance grounding fault in distribution network with small resistance grounding[D].Guangzhou:South China University of Technology,2021. | |
| [11] | 秦龙宇 .有源配电网单相断线故障检测与区段定位方法研究[D].济南:山东大学,2022. doi:10.1109/cieec50170.2021.9510437 |
| QIN L Y .Research on fault detection and section location method of single-phase disconnection in active distribution network[D].Jinan:Shandong University,2022. doi:10.1109/cieec50170.2021.9510437 | |
| [12] | 薛永端,陈梦琦,曹丽丽,等 .不接地系统单相断线故障电压分析[J].中国电机工程学报,2021,41(4):1322-1333. |
| XUE Y D, CHEN M Q, CAO L L,et al .Analysis of voltage characteristics of single-phase disconnection fault in ungrounded distribution system[J].Proceedings of the CSEE,2021,41(4):1322-1333. | |
| [13] | 常仲学,宋国兵,张维 .配电网单相断线故障的负序电压电流特征分析及区段定位[J].电网技术,2020,44(8):3065-3072. |
| CHANG Z X, SONG G B, ZHANG W .Characteristic analysis and fault segment location on negative sequence voltage and current of single phase line breakage fault in distribution network[J].Power System Technology,2020,44(8):3065-3072. | |
| [14] | 王开科,熊小伏,肖扬,等 .基于负序电流的主动配电网单相断线故障保护方法[J].电力系统保护与控制,2021,49(6):10-18. |
| WANG K K, XIONG X F, XIAO Y,et al .Single-phase break fault protection method for an active distribution network based on negative sequence current[J].Power System Protection and Control,2021,49(6):10-18. | |
| [15] | 杜雪,欧阳金鑫,龙晓轩,等 .基于分布式电源电流变化率的主动配电网单相断线保护方法[J].电力系统保护与控制,2020,48(22):41-48. |
| DU X, OUYANG J X, LONG X X,et al .A protection method of a single-phase break fault for an active distribution network based on current change rates of distributed generation[J].Power System Protection and Control,2020,48(22):41-48. | |
| [16] | YANG F, LI H, HU W,et al .Identification of single-phase line break fault direction based on local voltage information in small current grounding system considering the impact of DG[J].IEEE Access,2023,11:120754-120765. doi:10.1109/access.2023.3327337 |
| [17] | ZHANG X, ZHANG S, DONG W,et al .Method for locating single-phase disconnection faults in a smart distribution system based on refined composite multiscale permutation q-complexity entropy and random forest[J].IEEE Sensors Journal,23(11):11925-11935. doi:10.1109/jsen.2023.3267066 |
| [18] | 慕静茹,喻锟,曾祥君,等 .考虑多扰动因子的含光伏电源低压台区漏电故障检测[J].南方电网技术,2024,18(10):130-141. |
| MU J, YU K, ZENG X,et al .Leakage fault detection in low-voltage distribution areas with photovoltaic power supply considering multiple disturbance factors[J].Southern Power System Technology, 2024, 18(10): 130-141. | |
| [19] | 门茂琛,吴焕昭,徐铭铭,等 .基于变分模态分解-支持向量机混合算法的TN系统大阻抗接地故障配电线路保护[J].科学技术与工程,2023,23(21):9244-9250. |
| MEN M C, WU H Z, XU M M,et al .Protection of distribution lines for large impedance grounding faults in TN systems based on a hybrid algorithm combining variational mode decomposition and support vector machine[J].Science Technology and Engineering,2023,23(21):9244-9250. | |
| [20] | 林师远,黄雄,吴天杰,等 .基于TNN-BL模型的低压配电网断零与缺相故障检测方法研究[J].电机与控制应用,2024,51(10):40-50. |
| LIN S Y, HUANG X, WU T J,et al .Research on broken neutral wire and phase loss fault detection method in low-voltage distribution network based on TNN-BL model[J].Electric Machines & Control Application,2024,51(10):40-50. | |
| [21] | 曾祥君,陈磊,喻锟,等 .基于配电网双端信息融合的单相断线故障实时监测方法[J].电力科学与技术学报,2020,35(3):12-18. |
| ZENG X J, CHEN L, YU K,et al .A real time monitoring method for the single-line break fault based on dual-terminal information in the distribution network[J].Journal of Electric Power Science and Technology,2020,35(3):12-18. | |
| [22] | 杜雪,肖扬,付滨,等 .基于负序电流比的主动配电网断线故障保护方法[J].电测与仪表,2021,58(7):57-66. |
| DU X, XIAO Y, FU B,et al .Break fault protection method of active distribution network based on negative-sequence current ratio[J].Electrical Measurement & Instrumentation,2021,58(7):57-66. | |
| [23] | 曹现刚,叶煜,赵友军,等 .基于KPCA-LSTM的旋转机械剩余使用寿命预测[J].振动与冲击,2023,42(24):81-91. |
| CAO X G, YE Y, ZHAO Y J,et al .Remaining useful life prediction of rotating machinery based on KPCA-LSTM[J].Journal of Vibration and Shock,2023,42(24):81-91. | |
| [24] | 赵国钦,蓝茂蔚,李杨,等 .基于最小二乘支持向量机的火电厂烟气含氧量预测模型优化研究[J].发电技术,2023,44(4):534-542. doi:10.12096/j.2096-4528.pgt.21088 |
| ZHAO G Q, LAN M W, LI Y,et al .Study on optimization of prediction model of flue gas oxygen content in thermal power plant based on least squares support vector machine[J].Power Generation Technology,2023,44(4):534-542. doi:10.12096/j.2096-4528.pgt.21088 | |
| [25] | XUE J, SHEN B .A novel swarm intelligence optimization approach:sparrow search algorithm[J].Systems Science & Control Engineering,2020,8(1):22-34. doi:10.1080/21642583.2019.1708830 |
| [26] | 汪自虎,王文天,惠慧,等 .基于近邻成分分析与优化核极限学习机的光伏接入配电网漏电识别[J].高压电器,2024,60(6):203-211. |
| WANG Z H, WANG W T, HUI H,et al .Leakage identification in photovoltaic-integrated distribution networks based on nearest component analysis and optimized kernel extreme learning machine[J].High Voltage Apparatus,2024,60(6):203-211. |
| [1] | 曾稳根, 陈冬林, 唐明珠, 汪淑奇, 胡章茂. 基于双向长短期记忆网络和最小二乘支持向量机模型的SCR脱硝反应器进口截面NO x 浓度预测[J]. 发电技术, 2025, 46(5): 996-1004. |
| [2] | 闫朝阳, 李蓝青, 徐浩嘉, 庄锁, 张振华, 戎子睿. 基于白鲨算法与改进长短期记忆网络的光伏出力预测[J]. 发电技术, 2025, 46(4): 778-787. |
| [3] | 马浩然, 袁至, 王维庆, 李骥. 考虑数据中心和储能接入的主动配电网经济调度研究[J]. 发电技术, 2025, 46(4): 748-757. |
| [4] | 席磊, 王艺晓, 熊雅慧, 董璐. 基于改进深度极限学习机的电网虚假数据注入攻击定位检测[J]. 发电技术, 2025, 46(3): 521-531. |
| [5] | 张扬帆, 李奕霖, 叶林, 付雪姣, 王正宇, 王耀函. 低温天气下考虑风机运行状态聚类的短期风电功率预测方法[J]. 发电技术, 2025, 46(2): 326-335. |
| [6] | 陈昱, 丁鸿, 崔勇, 朱里, 陈士俊, 凌秋阳, 徐勇生, 郑建. 变电设备温度态势感知及辅助决策系统方案研究[J]. 发电技术, 2024, 45(4): 744-752. |
| [7] | 杜婉琳, 王玲, 罗威, 朱远哲, 吕鸿, 马潇男, 周霞. 基于深度强化学习的有源配电网电压分层控制策略[J]. 发电技术, 2024, 45(4): 734-743. |
| [8] | 陈代俊, 陈里里, 李阳涛. 联合循环发电站电力输出预测[J]. 发电技术, 2024, 45(1): 99-105. |
| [9] | 赵国钦, 蓝茂蔚, 李杨, 周元祥, 江政纬, 甘云华. 基于最小二乘支持向量机的火电厂烟气含氧量预测模型优化研究[J]. 发电技术, 2023, 44(4): 534-542. |
| [10] | 刘建伟, 李学斌, 刘晓鸥. 有源配电网中分布式电源接入与储能配置[J]. 发电技术, 2022, 43(3): 476-484. |
| [11] | 时浩, 肖海平, 刘彦鹏. 基于BP神经网络和最小二乘支持向量机的灰熔点预测和对比[J]. 发电技术, 2022, 43(1): 139-146. |
| [12] | 段穰达. 有源配网后评价指标体系及其综合评价方法[J]. 发电技术, 2021, 42(1): 86-93. |
| [13] | 张永伟,潘巧波. 基于KPCA-SVM模型的电力负荷最大值短期预测方法[J]. 发电技术, 2019, 40(6): 521-526. |
| [14] | 史洁,刘晓飞. 新能源功率预测算法优化研究[J]. 发电技术, 2019, 40(1): 78-82. |
| 阅读次数 | ||||||
|
全文 |
|
|||||
|
摘要 |
|
|||||