发电技术 ›› 2025, Vol. 46 ›› Issue (5): 857-871.DOI: 10.12096/j.2096-4528.pgt.24112
• 储能 • 下一篇
李建林1, 彭禹宸1, 王茜1, 姜晓霞2, 王垒3
收稿日期:2024-06-24
修回日期:2024-10-02
出版日期:2025-10-31
发布日期:2025-10-23
作者简介:基金资助:Jianlin LI1, Yuchen PENG1, Qian WANG1, Xiaoxia JIANG2, Lei WANG3
Received:2024-06-24
Revised:2024-10-02
Published:2025-10-31
Online:2025-10-23
Supported by:摘要:
目的 锂离子电池模型作为电池管理系统的核心技术之一,对电池性能优化和寿命延长起着至关重要的作用。为了便于在不同场景下选择合适的模型,系统总结了当前锂离子电池不同类型的建模方式,并进行了对比分析。 方法 首先,阐述了锂离子电池的工作原理,强调了精确建模的重要性;然后,根据不同应用场景全面总结了当前广泛采用的锂离子电池模型,并分析讨论了一系列新型机器学习电池模型;最后,探讨了锂离子电池建模技术面临的挑战及未来的研究趋势。 结论 传统电池模型均存在一定局限性,而数据驱动模型在处理复杂系统时往往具有更独特的优势,未来研究需要在模型复杂度和实用性之间找到平衡。研究结果为锂离子电池在储能系统中的应用和未来发展提供了参考。
中图分类号:
李建林, 彭禹宸, 王茜, 姜晓霞, 王垒. 锂离子电池建模研究现状与展望[J]. 发电技术, 2025, 46(5): 857-871.
Jianlin LI, Yuchen PENG, Qian WANG, Xiaoxia JIANG, Lei WANG. Research Status and Prospect of Lithium-Ion Battery Modelling[J]. Power Generation Technology, 2025, 46(5): 857-871.
| 名称 | 模型结构 | 描述方程 | 优点 | 缺点 | 参考文献 | 参数含义 |
|---|---|---|---|---|---|---|
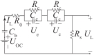
| Rint | ![]() | 结构简单,参数个数少,计算量小 | 未考虑极化反应的影响 | [ | Rp和Cp分别为极化电阻和极化电容;Ue为电化学极化电容两端电压;Uc为浓差极化电容两端电压;Ub为等效电容两端电压;Cb为等效电容 | |
| Thevenin | ![]() | 考虑了欧姆极化和电化学极化。模型结构相对简单,计算量小,具有较好的实用价值 | 仿真精度会随着电池老化和温度发生较大变化而下降 | [ | ||
| DP | ![]() | 应对快速充放电时能表现出更好的高频特性,更接近电池的实际运行特性 | 结构较为复杂,计算量较大,且未考虑温度等因素的影响 | [ | ||
| PNGV | ![]() | 串联电容Cb能够描述开路电压随积分的变化,反映了电池的容量,使得电池SOC、SOH预测更精确 | 难以准确模拟电池在快速充放电过程中的动态响应,不适用于预测电池长期性能 | [ | ||
| GNL | ![]() | 结合了上述4种等效电路模型的优点,同时考虑了欧姆极化、电化学极化、浓差极化及自放电因素对锂离子电池的内部特性 | 模型非常复杂,且参数较多,计算量大,不建议用于小范围的锂离子电池SOC估算的实验仿真和实际应用 | [ | ||
| 高阶RC | ![]() | 仿真精度高,考虑了电阻电容的分布函数,能根据规律计算参数 | 当m达到一定数量时,仿真精度会呈现下降的趋势,且计算量大,未考虑其他因素的影响 | [ | Rm 和Cm 分别为第m个RC环节的电阻和电容 |
表1 常用等效电路模型对比
Tab. 1 Comparison of commonly used equivalent circuit models
| 名称 | 模型结构 | 描述方程 | 优点 | 缺点 | 参考文献 | 参数含义 |
|---|---|---|---|---|---|---|
| Rint | ![]() | 结构简单,参数个数少,计算量小 | 未考虑极化反应的影响 | [ | Rp和Cp分别为极化电阻和极化电容;Ue为电化学极化电容两端电压;Uc为浓差极化电容两端电压;Ub为等效电容两端电压;Cb为等效电容 | |
| Thevenin | ![]() | 考虑了欧姆极化和电化学极化。模型结构相对简单,计算量小,具有较好的实用价值 | 仿真精度会随着电池老化和温度发生较大变化而下降 | [ | ||
| DP | ![]() | 应对快速充放电时能表现出更好的高频特性,更接近电池的实际运行特性 | 结构较为复杂,计算量较大,且未考虑温度等因素的影响 | [ | ||
| PNGV | ![]() | 串联电容Cb能够描述开路电压随积分的变化,反映了电池的容量,使得电池SOC、SOH预测更精确 | 难以准确模拟电池在快速充放电过程中的动态响应,不适用于预测电池长期性能 | [ | ||
| GNL | ![]() | 结合了上述4种等效电路模型的优点,同时考虑了欧姆极化、电化学极化、浓差极化及自放电因素对锂离子电池的内部特性 | 模型非常复杂,且参数较多,计算量大,不建议用于小范围的锂离子电池SOC估算的实验仿真和实际应用 | [ | ||
| 高阶RC | ![]() | 仿真精度高,考虑了电阻电容的分布函数,能根据规律计算参数 | 当m达到一定数量时,仿真精度会呈现下降的趋势,且计算量大,未考虑其他因素的影响 | [ | Rm 和Cm 分别为第m个RC环节的电阻和电容 |
| 性质 | 状态方程 | 边界条件 |
|---|---|---|
| 液相锂浓度 | ||
| 固相颗粒锂浓度 | ||
| 液相电势 | ||
| 固相电势 |
表2 锂离子电池P2D模型控制方程
Tab. 2 Governing equations for the P2D model of lithium-ion batteries
| 性质 | 状态方程 | 边界条件 |
|---|---|---|
| 液相锂浓度 | ||
| 固相颗粒锂浓度 | ||
| 液相电势 | ||
| 固相电势 |
| [1] | 谷晴,李睿,蔡旭,等 .面向百兆瓦级应用的电池储能系统拓扑与控制方法[J].发电技术,2022,43(5):698-706. doi:10.12096/j.2096-4528.pgt.22140 |
| GU Q, LI R, CAI X,et al .Topology and control method of battery energy storage system for application at the scale of hundreds of megawatts[J].Power Generation Technology,2022,43(5):698-706. doi:10.12096/j.2096-4528.pgt.22140 | |
| [2] | 余东旭 .大型电化学储能电站设计创新及应用[J].电力建设,2024,45(6):91-99. |
| YU D X .Design innovation and application of large electrochemical energy storage power station[J].Electric Power Construction,2024,45(6):91-99. | |
| [3] | 李志军,郭燕龙,苗庆玉 .基于解析法的高比例可再生能源系统惯量支撑储能配置[J].电测与仪表,2023,60(11):11-18. |
| LI Z J, GUO Y L, MIAO Q Y .High proportion of renewable energy storage system for inertial support energy storage configuration based on analytical method[J].Electrical Measurement & Instrumentation,2023,60(11):11-18. | |
| [4] | 赵欣雨,张云晓,万乐,等 .平抑百兆瓦级风电场功率波动的混合储能充放电协同控制策略[J].智慧电力,2023,51(11):23-29. |
| ZHAO X Y, ZHANG Y X, WAN L,et al .Charge-discharge cooperative control strategy for hybrid energy storage system for suppressing power fluctuation of hundred megawatt level wind farm[J].Smart Power,2023,51(11):23-29. | |
| [5] | DENG D .Li-ion batteries:basics,progress,and challenges[J].Energy Science & Engineering,2015,3(5):385-418. doi:10.1002/ese3.95 |
| [6] | 李建林,肖珩 .锂离子电池建模现状综述[J].储能科学与技术,2022,11(2):697-703. |
| LI J L, XIAO H .Review on modeling of lithium-ion battery[J].Energy Storage Science and Technology,2022,11(2):697-703. | |
| [7] | MIAO Y, HYNAN P, VON JOUANNE A,et al .Current Li-ion battery technologies in electric vehicles and opportunities for advancements[J].Energies,2019,12(6):1074. doi:10.3390/en12061074 |
| [8] | 李建林,郭兆东,曾伟,等 .面向调频的锂电池储能建模及仿真分析[J].电力系统保护与控制,2022,50(13):33-42. |
| LI J L, GUO Z D, ZENG W,et al .Modeling and simulation analysis of lithium battery energy storage oriented to frequency modulation[J].Power System Protection and Control,2022,50(13):33-42. | |
| [9] | PETERS J F, BAUMANN M, ZIMMERMANN B,et al .The environmental impact of Li-ion batteries and the role of key parameters:a review[J].Renewable and Sustainable Energy Reviews,2017,67:491-506. doi:10.1016/j.rser.2016.08.039 |
| [10] | 陈息坤,孙冬,陈小虎 .锂离子电池建模及其荷电状态鲁棒估计[J].电工技术学报,2015,30(15):141-147. doi:10.3969/j.issn.1000-6753.2015.15.016 |
| CHEN X K, SUN D, CHEN X H .Modelingand state of charge robust estimation for lithium-ion batteries[J].Transactions of China Electrotechnical Society,2015,30(15):141-147. doi:10.3969/j.issn.1000-6753.2015.15.016 | |
| [11] | 岳家辉,夏向阳,蒋戴宇,等 .基于电压数据片段混合模型的锂离子电池剩余寿命预测与健康状态估计[J].中国电力,2023,56(7):163-174. |
| YUE J H, XIA X Y, JIANG D Y,et al .Remaining useful life prediction and state of health estimation of lithium-ion batteries based on voltage data segment hybrid model[J].Electric Power,2023,56(7):163-174. | |
| [12] | XU D, WANG L, YANG J .Research on Li-ion battery management system[C]//2010 International Conference on Electrical and Control Engineering.Wuhan,China:IEEE,2010:4106-4109. doi:10.1109/icece.2010.998 |
| [13] | KURUCAN M, ÖZBALTAN M, YETGIN Z,et al .Applications of artificial neural network based battery management systems:a literature review[J].Renewable and Sustainable Energy Reviews,2024,192:114262. doi:10.1016/j.rser.2023.114262 |
| [14] | 赵珈卉,田立亭,程林 .锂离子电池状态估计与剩余寿命预测方法综述[J].发电技术,2023,44(1):1-17. |
| ZHAO J H, TIAN L T, CHENG L .Review on state estimation and remaining useful life prediction methods for lithium-ion battery[J].Power Generation Technology,2023,44(1):1-17. | |
| [15] | 刘剑,丁天祥,杜涛,等 .计及储能电池寿命的工业园区经济调度模型[J].电网与清洁能源,2024,40(5):105-112. |
| LIU J, DING T X, DU T,et al .The economical dispatch model for industrial parks considering the lifetime of energy storage batteries[J].Power System and Clean Energy,2024,40(5):105-112. | |
| [16] | 李先锋,胡晨刚,卜莉敏,等 .储能电池实时荷电状态联合估计方法[J].浙江电力,2024,43(5):73-82. |
| LI X F, HU C G, BU L M,et al .A joint real-time SOC estimation method for energy storage batteries[J].Zhejiang Electric Power,2024,43(5):73-82. | |
| [17] | 练润哲,董树锋 .基于事件驱动的液流电池控制系统实现方式[J].电力工程技术,2024,43(1):32-40. |
| LIAN R Z, DONG S F .A method of flow battery control system based on event-driven technology[J].Electric Power Engineering Technology,2024,43(1):32-40. | |
| [18] | 翟苏巍,李文云,周成,等 .基于改进概率神经网络的储能电池荷电状态估计[J].智慧电力,2024,52(2):94-100. |
| ZHAI S W, LI W Y, ZHOU C,et al .State-of-charge estimation of energy storage batteries based on modified probabilistic neural networks[J].Smart Power,2024,52(2):94-100. | |
| [19] | 王超,陈奇,谷新梅,等 .基于麻雀优化算法的锂电池健康状态估计方法[J].南方能源建设,2023,10(6):89-97. |
| WANG C, CHEN Q, GU X M,et al .Assessment method for health state of Li-ion batteries based on sparrow search algorithm[J].Southern Energy Construction,2023,10(6):89-97. | |
| [20] | 岳家辉,夏向阳,吕崇耿,等 .计及健康特征信息量的锂离子电池健康状态与剩余寿命预测研究[J].电力系统保护与控制,2023,51(22):74-87. |
| YUE J H, XIA X Y, LYU C G,et al .Research on the prediction of state of health and remaining useful life of lithium-ion batteries considering the amount of health factors information[J].Power System Protection and Control,2023,51(22):74-87. | |
| [21] | 李沂洹,李慷,余渐 .锂离子电池荷电状态与健康状态估计方法[J].发电技术,2021,42(5):537-546. doi:10.12096/j.2096-4528.pgt.21074 |
| LI Y H, LI K, YU J .Estimation approaches for states of charge and health of lithium-ion battery[J].Power Generation Technology,2021,42(5):537-546. doi:10.12096/j.2096-4528.pgt.21074 | |
| [22] | HU X, LI S, PENG H .A comparative study of equivalent circuit models for Li-ion batteries[J].Journal of Power Sources,2012,198:359-367. doi:10.1016/j.jpowsour.2011.10.013 |
| [23] | PRAMANIK S, ANWAR S .Electrochemical model based charge optimization for lithium-ion batteries[J].Journal of Power Sources,2016,313:164-177. doi:10.1016/j.jpowsour.2016.01.096 |
| [24] | WEI Z, HE Q, ZHAO Y .Machine learning for battery research[J].Journal of Power Sources,2022,549:232125. doi:10.1016/j.jpowsour.2022.232125 |
| [25] | 廉高棨,叶敏,王桥,等 .基于改进模型与优化自适应CKF的锂离子电池快速变温工况下的SOC估计[J].储能科学与技术,2024,13(5):1667-1676. |
| LIAN G Q, YE M, WANG Q,et al .State-of-charge estimation of lithium-ion batteries in rapid temperature-varying environments based on improved battery model and optimized adaptive cubature Kalman filter[J].Energy Storage Science and Technology,2024,13(5):1667-1676. | |
| [26] | 庞辉,郭龙,武龙星,等.考虑环境温度影响的锂离子电池改进双极化模型及其荷电状态估算[J].电工技术学报,2021,36(10):2178-2189. |
| PANG H, GUO L, WU L X, et al. Improved dual-polarization model and state-of-charge estimation of lithium-ion battery considering ambient temperature[J].Transactions of China Electrotechnical Society,2021,36(10):2178-2189. | |
| [27] | 申江卫,周灿彪,舒星,等 .宽温度环境下基于改进电化学模型的锂电池荷电状态估计[J].储能科学与技术,2023,12(9):2904-2916. |
| SHEN J W, ZHOU C B, SHU X,et al .State of charge estimation for lithium batteries based on an improved electrochemical model at a wide temperature environment[J].Energy Storage Science and Technology,2023,12(9):2904-2916. | |
| [28] | LIN J, LIU X, LI S,et al .A review on recent progress,challenges and perspective of battery thermal management system[J].International Journal of Heat and Mass Transfer,2021,167:120834. doi:10.1016/j.ijheatmasstransfer.2020.120834 |
| [29] | LUCU M, MARTINEZ-LASERNA E, GANDIAGA I,et al .A critical review on self-adaptive Li-ion battery ageing models[J].Journal of Power Sources,2018,401:85-101. doi:10.1016/j.jpowsour.2018.08.064 |
| [30] | 黄可龙,王兆翔,刘素琴 .锂离子电池原理与关键技术[M].北京:化学工业出版社,2008:6-9. |
| HUANG K L, WANG Z X, LIU S Q .Principles and key technologies of lithium ion batteries[J].Beijing:Chemical Industry Press,2008:6-9. | |
| [31] | 李卓昊,杨添强,石琼林,等 .储能电池建模与状态估计研究进展[J].新型电力系统,2024,2(2):140-161. |
| LI Z H, YANG T Q, SHI Q L .Research progress in modeling and state estimation of energy storage batteries[J].New Type Power Systems,2024,2(2):140-161. | |
| [32] | ASEF P, MILAN M, LAPTHORN A,et al .Future trends and aging analysis of battery energy storage systems for electric vehicles[J].Sustainability,2021,13(24):13779. doi:10.3390/su132413779 |
| [33] | 林成涛,仇斌,陈全世 .电流输入电动汽车电池等效电路模型的比较[J].机械工程学报,2005,41(12):76-81. doi:10.3901/jme.2005.12.076 |
| LIN C T, QIU B, CHEN Q S .Comparison of current input equivalent circuit models of electrical vehicle battery[J].Journal of Mechanical Engineering,2005,41(12):76-81. doi:10.3901/jme.2005.12.076 | |
| [34] | 杨杰,王婷,杜春雨,等 .锂离子电池模型研究综述[J].储能科学与技术,2019,8(1):58-64. |
| YANG J, WANG T, DU C Y,et al .Overview of the modeling of lithium-ion batteries[J].Energy Storage Science and Technology,2019,8(1):58-64. | |
| [35] | JOHNSON V H .Battery performance models in ADVISOR[J].Journal of Power Sources,2002,110(2):321-329. doi:10.1016/s0378-7753(02)00194-5 |
| [36] | HE H, XIONG R, FAN J .Evaluation of lithium-ion battery equivalent circuit models for state of charge estimation by an experimental approach[J].Energies,2011,4(4):582-598. doi:10.3390/en4040582 |
| [37] | 徐爽 .船舶混合动力系统能量管理仿真研究[D].大连:大连理工大学,2021. |
| XU S .Simulation study on energy management of marine hybrid power system[D].Dalian:Dalian University of Technology,2021. | |
| [38] | HE H, ZHANG X, XIONG R,et al .Online model-based estimation of state-of-charge and open-circuit voltage of lithium-ion batteries in electric vehicles[J].Energy,2012,39(1):310-318. doi:10.1016/j.energy.2012.01.009 |
| [39] | ZHANG X, ZHANG W, LEI G .A review of Li-ion battery equivalent circuit models[J].Transactions on Electrical and Electronic Materials,2016,17(6):311-316. doi:10.4313/teem.2016.17.6.311 |
| [40] | XU Y, HU M, FU C,et al .State of charge estimation for lithium-ion batteries based on temperature-dependent second-order RC model[J].Electronics,2019,8(9):1012. doi:10.3390/electronics8091012 |
| [41] | BAŠIĆ M, VUKADINOVIĆ D, VIŠNJIĆ V,et al .Dynamic equivalent circuit models of lead-acid batteries:a performance comparison[J].IFAC-PapersOnLine,2022,55(4):189-194. doi:10.1016/j.ifacol.2022.06.031 |
| [42] | KHAYAMY M, NASIRI A, OKOYE O .Development of an equivalent circuit for batteries based on a distributed impedance network[J].IEEE Transactions on Vehicular Technology,2020,69(6):6119-6128. doi:10.1109/tvt.2020.2989715 |
| [43] | GU W B, WANG C Y .Thermal-electrochemical modeling of battery systems[J].Journal of the Electrochemical Society,2000,147(8):2910. doi:10.1149/1.1393625 |
| [44] | KLEIN R, CHATURVEDI N A, CHRISTENSEN J,et al .Electrochemical model based observer design for a lithium-ion battery[J].IEEE Transactions on Control Systems Technology,2013,21(2):289-301. doi:10.1109/tcst.2011.2178604 |
| [45] | SMITH K A, RAHN C D, WANG C Y .Control oriented 1D electrochemical model of lithium ion battery[J].Energy Conversion and Management,2007,48(9):2565-2578. doi:10.1016/j.enconman.2007.03.015 |
| [46] | KEMPER P, LI S E,KUM D .Simplification of pseudo two dimensional battery model using dynamic profile of lithium concentration[J].Journal of Power Sources,2015,286:510-525. doi:10.1016/j.jpowsour.2015.03.134 |
| [47] | GUO M, SIKHA G, WHITE R E .Single-particle model for a lithium-ion cell:thermal behavior[J].Journal of the Electrochemical Society,2011,158(2):A122. doi:10.1149/1.3521314 |
| [48] | TANIM T R, RAHN C D, WANG C Y .State of charge estimation of a lithium ion cell based on a temperature dependent and electrolyte enhanced single particle model[J].Energy,2015,80:731-739. doi:10.1016/j.energy.2014.12.031 |
| [49] | DOYLE M, FULLER T F, NEWMAN J .Modeling of galvanostatic charge and discharge of the lithium/polymer/insertion cell[J].Journal of the Electrochemical Society,1993,140(6):1526. doi:10.1149/1.2221597 |
| [50] | LI C, CUI N, WANG C,et al .Simplified electrochemical lithium-ion battery model with variable solid-phase diffusion and parameter identification over wide temperature range[J].Journal of Power Sources,2021,497:229900. doi:10.1016/j.jpowsour.2021.229900 |
| [51] | 武龙星,庞辉,晋佳敏,等 .基于电化学模型的锂离子电池荷电状态估计方法综述[J].电工技术学报,2022,37(7):1703-1725. |
| WU L X, PANG H, JIN J M,et al .A review of SOC estimation methods for lithium-ion batteries based on electrochemical model[J].Transactions of China Electrotechnical Society,2022,37(7):1703-1725. | |
| [52] | HAN S, TANG Y, KHALEGHI RAHIMIAN S .A numerically efficient method of solving the full-order pseudo-2-dimensional (P2D) Li-ion cell model[J].Journal of Power Sources,2021,490:229571. doi:10.1016/j.jpowsour.2021.229571 |
| [53] | 方儒卿,张娜,李哲 .3类锂离子电池多孔电极模型比较研究及电池正向设计应用[J].清华大学学报(自然科学版),2021,61(10):1055-1065. |
| FANG R Q, ZHANG N, LI Z .Comparison study of three porous electrode models for the forward design of lithium-ion batteries[J].Journal of Tsinghua University (Science and Technology),2021,61(10):1055-1065. | |
| [54] | MARTÍNEZ-ROSAS E, VASQUEZ-MEDRANO R, FLORES-TLACUAHUAC A .Modeling and simulation of lithium-ion batteries[J].Computers & Chemical Engineering,2011,35(9):1937-1948. doi:10.1016/j.compchemeng.2011.05.007 |
| [55] | SUTHAR B, NORTHROP P W C, BRAATZ R D,et al .Optimal charging profiles with minimal intercalation-induced stresses for lithium-ion batteries using reformulated pseudo 2-dimensional models[J].Journal of the Electrochemical Society,2014,161(11):F3144-F3155. doi:10.1149/2.0211411jes |
| [56] | LAUE V, RÖDER F, KREWER U .Practical identifiability of electrochemical P2D models for lithium-ion batteries[J].Journal of Applied Electrochemistry,2021,51(9):1253-1265. doi:10.1007/s10800-021-01579-5 |
| [57] | STURM J, RHEINFELD A, ZILBERMAN I,et al .Modeling and simulation of inhomogeneities in a 18650 nickel-rich,silicon-graphite lithium-ion cell during fast charging[J].Journal of Power Sources,2019,412:204-223. doi:10.1016/j.jpowsour.2018.11.043 |
| [58] | ASHWIN T R, CHUNG Y M, WANG J .Capacity fade modelling of lithium-ion battery under cyclic loading conditions[J].Journal of Power Sources,2016,328:586-598. doi:10.1016/j.jpowsour.2016.08.054 |
| [59] | TALEGHANI S T, MARCOS B, ZAGHIB K,et al .A study on the effect of porosity and particles size distribution on Li-ion battery performance[J].Journal of the Electrochemical Society,2017,164(11):E3179-E3189. doi:10.1149/2.0211711jes |
| [60] | ATALAY S, SHEIKH M, MARIANI A,et al .Theory of battery ageing in a lithium-ion battery:capacity fade,nonlinear ageing and lifetime prediction[J].Journal of Power Sources,2020,478:229026. doi:10.1016/j.jpowsour.2020.229026 |
| [61] | LAMORGESE A, MAURI R, TELLINI B . Electrochemical-thermal P 2 D aging model of a LiCoO2/graphite cell:capacity fade simulations[J].Journal of Energy Storage,2018,20:289-297. doi:10.1016/j.est.2018.08.011 |
| [62] | HARAN B S, POPOV B N, WHITE R E .Determination of the hydrogen diffusion coefficient in metal hydrides by impedance spectroscopy[J].Journal of Power Sources,1998,75(1):56-63. doi:10.1016/s0378-7753(98)00092-5 |
| [63] | HUANG L, YAO C .Working condition real-time monitoring model of lithium ion batteries based on distributed parameter system and single particle model[J].Chinese Journal of Chemical Physics,2016,29(5):623-628. doi:10.1063/1674-0068/29/cjcp1604063 |
| [64] | LI J, ADEWUYI K, LOTFI N,et al .A single particle model with chemical/mechanical degradation physics for lithium ion battery state of health (SOH) estimation[J].Applied Energy,2018,212:1178-1190. doi:10.1016/j.apenergy.2018.01.011 |
| [65] | MOURA S J, ARGOMEDO F B, KLEIN R,et al .Battery state estimation for a single particle model with electrolyte dynamics[J].IEEE Transactions on Control Systems Technology,2017,25(2):453-468. doi:10.1109/tcst.2016.2571663 |
| [66] | PRADA E, DI DOMENICO D, CREFF Y,et al .Simplified electrochemical and thermal model of LiFePO4-graphite Li-ion batteries for fast charge applications[J].Journal of the Electrochemical Society,2012,159(9):A1508-A1519. doi:10.1149/2.064209jes |
| [67] | BABA N, YOSHIDA H, NAGAOKA M,et al .Numerical simulation of thermal behavior of lithium-ion secondary batteries using the enhanced single particle model[J].Journal of Power Sources,2014,252:214-228. doi:10.1016/j.jpowsour.2013.11.111 |
| [68] | PODLUBNY B I .Fractional differential equations:an introduction to fractional derivatives,fractional differential equations,to methods of their solution and some of their applications[M].San Diego:Academic Press,1999:159-199. |
| [69] | VICTOR S, MALTI R, GARNIER H,et al .Parameter and differentiation order estimation in fractional models[J].Automatica,2013,49(4):926-935. doi:10.1016/j.automatica.2013.01.026 |
| [70] | XU J, MI C C, CAO B,et al .A new method to estimate the state of charge of lithium-ion batteries based on the battery impedance model[J].Journal of Power Sources,2013,233:277-284. doi:10.1016/j.jpowsour.2013.01.094 |
| [71] | WANG B, LI S E, PENG H,et al .Fractional-order modeling and parameter identification for lithium-ion batteries[J].Journal of Power Sources,2015,293:151-161. doi:10.1016/j.jpowsour.2015.05.059 |
| [72] | RUAN H, SUN B, JIANG J,et al .A modified-electrochemical impedance spectroscopy-based multi-time-scale fractional-order model for lithium-ion batteries[J].Electrochimica Acta,2021,394:139066. doi:10.1016/j.electacta.2021.139066 |
| [73] | NASSER-EDDINE A, HUARD B, GABANO J D,et al .A two steps method for electrochemical impedance modeling using fractional order system in time and frequency domains[J].Control Engineering Practice,2019,86:96-104. doi:10.1016/j.conengprac.2019.03.001 |
| [74] | BARSOUKOV E, MACDONALD J R .Impedance spectroscopy:theory,experiment,and applications[M].2nd ed.Hoboken,NJ:Wiley-Interscience,2005:55-94. doi:10.1002/0471716243 |
| [75] | ZOU C, ZHANG L, HU X,et al .A review of fractional-order techniques applied to lithium-ion batteries,lead-acid batteries,and supercapacitors[J].Journal of Power Sources,2018,390:286-296. doi:10.1016/j.jpowsour.2018.04.033 |
| [76] | XIONG R, TIAN J .A comparative study on fractional order models for voltage simulation of lithium ion batteries[C]//2019 IEEE 89th Vehicular Technology Conference (VTC2019-Spring).Kuala Lumpur,Malaysia:IEEE,2019:1-5. doi:10.1109/vtcspring.2019.8746351 |
| [77] | ZOU Y, LI S E, SHAO B,et al .State-space model with non-integer order derivatives for lithium-ion battery[J].Applied Energy,2016,161:330-336. doi:10.1016/j.apenergy.2015.10.025 |
| [78] | HU X, YUAN H, ZOU C,et al .Co-estimation of state of charge and state of health for lithium-ion batteries based on fractional-order calculus[J].IEEE Transactions on Vehicular Technology,2018,67(11):10319-10329. doi:10.1109/tvt.2018.2865664 |
| [79] | XIONG R, TIAN J, SHEN W,et al .A novel fractional order model for state of charge estimation in lithium ion batteries[J].IEEE Transactions on Vehicular Technology,2019,68(5):4130-4139. doi:10.1109/tvt.2018.2880085 |
| [80] | ANDERSON J A .An introduction to neural networks[M].Cambridge,Mass:MIT Press,1995:13-16. doi:10.7551/mitpress/3905.001.0001 |
| [81] | MCCULLOCH W S, PITTS W .A logical calculus of the ideas immanent in nervous activity[J].Bulletin of Mathematical Biology,1990,52(1/2):99-115. doi:10.1016/s0092-8240(05)80006-0 |
| [82] | RUMELHART D E, HINTON G E, WILLIAMS R J .Learning representations by back-propagating errors[J].Nature,1986,323:533-536. doi:10.1038/323533a0 |
| [83] | LIU J, SAXENA A, GOEBEL K,et al .An adaptive recurrent neural network for remaining useful life prediction of lithium-ion batteries[C]//Annual Conference of the PHM Society,2010:1-9. doi:10.36001/phmconf.2010.v2i1.1896 |
| [84] | YANG F, LI W, LI C,et al .State-of-charge estimation of lithium-ion batteries based on gated recurrent neural network[J].Energy,2019,175:66-75. doi:10.1016/j.energy.2019.03.059 |
| [85] | REN L, DONG J, WANG X,et al .A data-driven auto-CNN-LSTM prediction model for lithium-ion battery remaining useful life[J].IEEE Transactions on Industrial Informatics,2021,17(5):3478-3487. doi:10.1109/tii.2020.3008223 |
| [86] | SONG X, YANG F, WANG D,et al .Combined CNN-LSTM network for state-of-charge estimation of lithium-ion batteries[J].IEEE Access,2019,7:88894-88902. doi:10.1109/access.2019.2926517 |
| [87] | 董光德,李道明,陈咏涛,等 .基于粒子群优化与卷积神经网络的电能质量扰动分类方法[J].发电技术,2023,44(1):136-142. doi:10.12096/j.2096-4528.pgt.22004 |
| DONG G D, LI D M, CHEN Y T,et al .Power quality disturbance classification method based on particle swarm optimization and convolutional neural network[J].Power Generation Technology,2023,44(1):136-142. doi:10.12096/j.2096-4528.pgt.22004 | |
| [88] | YANG F, ZHANG S, LI W,et al .State-of-charge estimation of lithium-ion batteries using LSTM and UKF[J].Energy,2020,201:117664. doi:10.1016/j.energy.2020.117664 |
| [89] | CHEMALI E, KOLLMEYER P J, PREINDL M,et al .Long short-term memory networks for accurate state-of-charge estimation of Li-ion batteries[J].IEEE Transactions on Industrial Electronics,2018,65(8):6730-6739. doi:10.1109/tie.2017.2787586 |
| [90] | 刘巨,任羽纶,易柏年,等 .LSTM-EKF算法实现储能集装箱电芯SOC的优化估计[J].电力科学与技术学报,2024,39(2):198-206. |
| LIU J, REN Y L, YI B N,et al .Optimal estimation of cell SOC in energy storage container with LSTM-EKF algorithm[J].Journal of Electric Power Science and Technology,2024,39(2):198-206. | |
| [91] | 闫照康,马刚,冯瑞,等 .基于改进LSTM算法的综合能源系统多元负荷预测[J].分布式能源,2024,9(2):30-38. |
| YAN Z K, MA G, FENG R,et al .Multiple load forecasting of integrated energy system based on improved LSTM algorithm[J].Distributed Energy,2024,9(2):30-38. | |
| [92] | PILLER S, PERRIN M, JOSSEN A .Methods for state-of-charge determination and their applications[J].Journal of Power Sources,2001,96(1):113-120. doi:10.1016/s0378-7753(01)00560-2 |
| [93] | WEIGERT T, TIAN Q, LIAN K .State-of-charge prediction of batteries and battery-supercapacitor hybrids using artificial neural networks[J].Journal of Power Sources,2011,196(8):4061-4066. doi:10.1016/j.jpowsour.2010.10.075 |
| [94] | CUI Z, WANG L, LI Q,et al .A comprehensive review on the state of charge estimation for lithium-ion battery based on neural network[J].International Journal of Energy Research,2022,46(5):5423-5440. doi:10.1002/er.7545 |
| [95] | YANG D, WANG Y, PAN R,et al .A neural network based state-of-health estimation of lithium-ion battery in electric vehicles[J].Energy Procedia,2017,105:2059-2064. doi:10.1016/j.egypro.2017.03.583 |
| [96] | KANG L, ZHAO X, MA J .A new neural network model for the state-of-charge estimation in the battery degradation process[J].Applied Energy,2014,121:20-27. doi:10.1016/j.apenergy.2014.01.066 |
| [97] | PANG H, WU L, LIU J,et al .Physics-informed neural network approach for heat generation rate estimation of lithium-ion battery under various driving conditions[J].Journal of Energy Chemistry,2023,78:1-12. doi:10.1016/j.jechem.2022.11.036 |
| [98] | JOACHIMS T .11:making large-scale support vector machine learning practical[M]//Advances in kernel methods:support vector learning.Cambridge:MIT Press,1999:169. doi:10.7551/mitpress/1130.003.0015 |
| [99] | CHEN W H, HSU S H, SHEN H P .Application of SVM and ANN for intrusion detection[J].Computers & Operations Research,2005,32(10):2617-2634. doi:10.1016/j.cor.2004.03.019 |
| [100] | PATIL M A, TAGADE P, HARIHARAN K S,et al .A novel multistage support vector machine based approach for Li-ion battery remaining useful life estimation[J].Applied Energy,2015,159:285-297. doi:10.1016/j.apenergy.2015.08.119 |
| [101] | HU J N, HU J J, LIN H B,et al .State-of-charge estimation for battery management system using optimized support vector machine for regression[J].Journal of Power Sources,2014,269:682-693. doi:10.1016/j.jpowsour.2014.07.016 |
| [102] | XIONG W, XU G, LI Y,et al .Early prediction of lithium-ion battery cycle life based on voltage-capacity discharge curves[J].Journal of Energy Storage,2023,62:106790. doi:10.1016/j.est.2023.106790 |
| [1] | 邹博, 任建地, 许道明, 邓立生, 廖力达, 肖俊兵. 氯化物熔盐储热技术应用于新能源发电的研究进展[J]. 发电技术, 2025, 46(5): 872-884. |
| [2] | 马宁, 赵攀, 刘艾杰, 许文盼, 王江峰. 纯氢补燃型和天然气补燃型压缩空气储能系统特性与㶲经济性对比[J]. 发电技术, 2025, 46(5): 885-896. |
| [3] | 董福贵, 张伟. 考虑容量价值的独立新型储能电站运行策略优化研究[J]. 发电技术, 2025, 46(5): 897-908. |
| [4] | 罗宗龙, 刘世林. 基于信息间隙决策理论鲁棒模型的户用微电网优化运行[J]. 发电技术, 2025, 46(4): 705-714. |
| [5] | 马浩然, 袁至, 王维庆, 李骥. 考虑数据中心和储能接入的主动配电网经济调度研究[J]. 发电技术, 2025, 46(4): 748-757. |
| [6] | 王杰, 徐立军, 李笑竹, 樊小朝, 古丽扎提∙海拉提null, 王维庆. 计及灵活性不足风险的配电网智能软开关与多类型共享储能协调优化[J]. 发电技术, 2025, 46(4): 758-767. |
| [7] | 卫广宇, 应笑冬, 姚延军, 杨小芳, 翁楚迪, 彭勇刚, 李海龙. 计及荷电状态的并网型直流微电网功率协同控制策略[J]. 发电技术, 2025, 46(4): 788-796. |
| [8] | 刘佳佳, 巨星. 弃电热储能光伏-光热复合发电系统技术经济性分析[J]. 发电技术, 2025, 46(4): 807-817. |
| [9] | 刘宿城, 栾李, 李龙, 洪涛, 刘晓东. 基于人工智能的直流微电网大信号稳定性评估方法研究[J]. 发电技术, 2025, 46(3): 496-507. |
| [10] | 刘忠, 黄彦铭, 朱光明, 邹淑云. 含风-光-电氢混合储能的多微电网系统容量优化配置方法[J]. 发电技术, 2025, 46(2): 240-251. |
| [11] | 雷基林, 余林兴, 别玉, 徐稚博, 肖雨寒. 孤岛微电网能量管理系统研究综述[J]. 发电技术, 2025, 46(2): 370-385. |
| [12] | 李亚楼, 赵飞, 樊雪君. 构网型储能及其应用综述[J]. 发电技术, 2025, 46(2): 386-398. |
| [13] | 王森, 马力群, 侯文杰, 安周建, 张东, Pea Hamir Johan Mombeki. 水合盐基无机复合相变材料及其在电池热管理中的应用研究进展[J]. 发电技术, 2025, 46(1): 42-57. |
| [14] | 王婷, 王银顺, 郭丽宁, 卞雨妍, 连占英, 李乐依, 毛承鹏. 稀土钡铜氧化物闭环超导葫芦形环片堆叠磁体的机械特性分析[J]. 发电技术, 2024, 45(6): 1039-1047. |
| [15] | 李文, 卜凡鹏, 张潇桐, 杨创东, 张静. 基于典型商业运营模式的含电-氢混合储能微电网系统优化运行方法[J]. 发电技术, 2024, 45(6): 1186-1200. |
| 阅读次数 | ||||||
|
全文 |
|
|||||
|
摘要 |
|
|||||