发电技术 ›› 2025, Vol. 46 ›› Issue (5): 986-995.DOI: 10.12096/j.2096-4528.pgt.24034
陈璟1, 刘辉2, 朱萌3, 王灿3, 陈磊3, 周敬3, 许凯3, 江龙3, 胡松3, 向军3
收稿日期:2024-08-04
修回日期:2024-11-02
出版日期:2025-10-31
发布日期:2025-10-23
作者简介:基金资助:Jing CHEN1, Hui LIU2, Meng ZHU3, Can WANG3, Lei CHEN3, Jing ZHOU3, Kai XU3, Long JIANG3, Song HU3, Jun XIANG3
Received:2024-08-04
Revised:2024-11-02
Published:2025-10-31
Online:2025-10-23
Supported by:摘要:
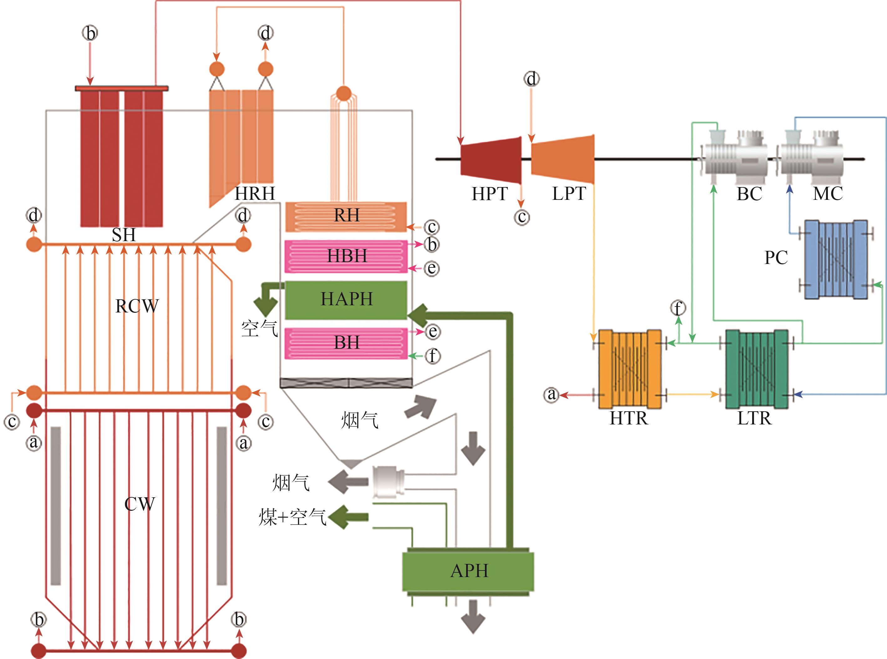
目的 烟气再循环(flue gas recirculation,FGR)可有效解决超临界CO2 (supercritical carbon dioxide,S-CO2)锅炉炉膛壁面超温问题,选取合适的烟气再循环率是S-CO2锅炉设计的关键。为此,研究分析了不同烟气再循环率对锅炉热力性能与经济性的影响。 方法 以一台125 MW S-CO2燃煤机组锅炉为研究对象,在保持锅炉效率不变的情况下,采用热力计算方法对锅炉进行了不同烟气再循环率下的热力性能分析并提出了概念设计。在此基础上,进一步采用多级加权质量法和平准化度电成本对锅炉和机组的经济性进行了研究。 结果 随着烟气再循环率的增加,锅炉辐射受热面材料成本降低,其他受热面成本增加,锅炉本体总投资成本增加。然而,FGR会新增风机成本、燃料成本和额外成本。 结论 综合考虑安全性和经济性,推荐锅炉设计采用烟气再循环率为20%~30%。
中图分类号:
陈璟, 刘辉, 朱萌, 王灿, 陈磊, 周敬, 许凯, 江龙, 胡松, 向军. 125 MW超临界CO2燃煤发电机组烟气再循环对锅炉热力性能及经济性的影响分析[J]. 发电技术, 2025, 46(5): 986-995.
Jing CHEN, Hui LIU, Meng ZHU, Can WANG, Lei CHEN, Jing ZHOU, Kai XU, Long JIANG, Song HU, Jun XIANG. Analysis of Influence of Flue Gas Recirculation on Thermodynamic Performance and Economic Efficiency of 125 MW Supercritical CO2 Coal-Fired Power Generation Unit[J]. Power Generation Technology, 2025, 46(5): 986-995.
| 循环参数 | 设计值 | 循环参数 | 设计值 | |
|---|---|---|---|---|
| MC入口温度/℃ | 32.00 | BC效率/% | 89.00 | |
| MC入口压力/MPa | 7.60 | BC分流比 | 0.347 | |
| MC出口压力/MPa | 26.00 | CW质量流量/(t/h) | 3 325.4 | |
| BC入口温度/℃ | 84.53 | RCW质量流量/(t/h) | 3 749.2 | |
| BC入口压力/MPa | 7.70 | BH质量流量/(t/h) | 423.8 | |
| BC出口压力/MPa | 25.90 | CW入口温度/℃ | 524.92 | |
| LTR入口温度(高温测)/℃ | 77.33 | CW入口压力/MPa | 25.80 | |
| LTR出口温度(高温测)/℃ | 201.60 | RH入口温度/℃ | 522.49 | |
| HTR和LTR夹点温度/℃ | 5.00 | RH入口压力/MPa | 14.05 | |
| 各部件压降(除锅炉外)/MPa | 0.10 | SH出口温度/℃ | 600.00 | |
| HPT效率/% | 94.00 | SH出口压力/MPa | 25.00 | |
| LPT效率/% | 94.00 | RH出口温度/℃ | 600.00 | |
| MC效率/% | 89.00 | RH出口压力/MPa | 13.45 |
表1 125 MW S-CO2循环设计参数
Tab. 1 Design parameters of 125 MW S-CO2 cycle
| 循环参数 | 设计值 | 循环参数 | 设计值 | |
|---|---|---|---|---|
| MC入口温度/℃ | 32.00 | BC效率/% | 89.00 | |
| MC入口压力/MPa | 7.60 | BC分流比 | 0.347 | |
| MC出口压力/MPa | 26.00 | CW质量流量/(t/h) | 3 325.4 | |
| BC入口温度/℃ | 84.53 | RCW质量流量/(t/h) | 3 749.2 | |
| BC入口压力/MPa | 7.70 | BH质量流量/(t/h) | 423.8 | |
| BC出口压力/MPa | 25.90 | CW入口温度/℃ | 524.92 | |
| LTR入口温度(高温测)/℃ | 77.33 | CW入口压力/MPa | 25.80 | |
| LTR出口温度(高温测)/℃ | 201.60 | RH入口温度/℃ | 522.49 | |
| HTR和LTR夹点温度/℃ | 5.00 | RH入口压力/MPa | 14.05 | |
| 各部件压降(除锅炉外)/MPa | 0.10 | SH出口温度/℃ | 600.00 | |
| HPT效率/% | 94.00 | SH出口压力/MPa | 25.00 | |
| LPT效率/% | 94.00 | RH出口温度/℃ | 600.00 | |
| MC效率/% | 89.00 | RH出口压力/MPa | 13.45 |
| 类别 | 参数 | 数值 |
|---|---|---|
| 干燥无灰基挥发分质量分数Vdaf/% | 34.73 | |
| 工业分析 | 收到基水分质量分数Mar/% | 15.55 |
| 收到基灰分质量分数Aar/% | 8.80 | |
| 收到基碳质量分数Car/% | 61.70 | |
| 收到基氢质量分数Har/% | 3.67 | |
| 元素分析 | 收到基氧质量分数Oar/% | 8.56 |
| 收到基氮质量分数Nar/% | 1.12 | |
| 收到基硫质量分数Sar/% | 0.60 | |
| 性能指标 | 收到基低位发热量Qnet, ar/(kJ/kg) | 23 442 |
表2 设计煤种工业分析和元素分析
Tab. 2 Proximate and ultimate analysis of design coal
| 类别 | 参数 | 数值 |
|---|---|---|
| 干燥无灰基挥发分质量分数Vdaf/% | 34.73 | |
| 工业分析 | 收到基水分质量分数Mar/% | 15.55 |
| 收到基灰分质量分数Aar/% | 8.80 | |
| 收到基碳质量分数Car/% | 61.70 | |
| 收到基氢质量分数Har/% | 3.67 | |
| 元素分析 | 收到基氧质量分数Oar/% | 8.56 |
| 收到基氮质量分数Nar/% | 1.12 | |
| 收到基硫质量分数Sar/% | 0.60 | |
| 性能指标 | 收到基低位发热量Qnet, ar/(kJ/kg) | 23 442 |
| 参数 | 300 MW S-CO2锅炉 | ||
|---|---|---|---|
| 计算值 | 设计值 | 误差/% | |
| 屏底烟温 | 1 270.7 ℃ | — | — |
| 炉膛出口烟温 | 1 030.7 ℃ | 1 025.0 ℃ | 0.56 |
| 排烟温度 | 1 14.2 ℃ | 1 10.0 ℃ | 3.82 |
| 主蒸汽出口温度 | 601.0 ℃ | 602.0 ℃ | -0.17 |
| 主蒸汽出口压力 | 32.15 MPa | 32.00 MPa | 0.47 |
| 再热蒸汽出口温度 | 622.2 ℃ | 622.0 ℃ | 0.03 |
| 再热蒸汽出口压力 | 17.98 MPa | 17.80 MPa | 1.00 |
表3 模型计算结果与设计值对比
Tab. 3 Comparison between model calculation results and design values
| 参数 | 300 MW S-CO2锅炉 | ||
|---|---|---|---|
| 计算值 | 设计值 | 误差/% | |
| 屏底烟温 | 1 270.7 ℃ | — | — |
| 炉膛出口烟温 | 1 030.7 ℃ | 1 025.0 ℃ | 0.56 |
| 排烟温度 | 1 14.2 ℃ | 1 10.0 ℃ | 3.82 |
| 主蒸汽出口温度 | 601.0 ℃ | 602.0 ℃ | -0.17 |
| 主蒸汽出口压力 | 32.15 MPa | 32.00 MPa | 0.47 |
| 再热蒸汽出口温度 | 622.2 ℃ | 622.0 ℃ | 0.03 |
| 再热蒸汽出口压力 | 17.98 MPa | 17.80 MPa | 1.00 |
| 参数 | 数值 |
|---|---|
| 固定开支率 | 0.12 |
| 折扣利率 | 0.06 |
| 煤炭增值率 | 0.02 |
| CLOM上升率 | 0.02 |
| 容量因子 | 0.85 |
| 煤炭价格/(元/t) | 682 |
| 建造时长/a | 3 |
| 设备寿命/a | 30 |
表4 预设经济评估参数
Tab. 4 Preset parameters of economic evaluation
| 参数 | 数值 |
|---|---|
| 固定开支率 | 0.12 |
| 折扣利率 | 0.06 |
| 煤炭增值率 | 0.02 |
| CLOM上升率 | 0.02 |
| 容量因子 | 0.85 |
| 煤炭价格/(元/t) | 682 |
| 建造时长/a | 3 |
| 设备寿命/a | 30 |
| 参数 | 烟气再循环率 | |||
|---|---|---|---|---|
| 10% | 20% | 30% | 40% | |
| 发电功率/MW | 125 | 125 | 125 | 125 |
| 净功率/MW | 119.93 | 119.84 | 119.73 | 119.58 |
| 锅炉效率/% | 93.39 | 93.39 | 93.39 | 93.39 |
| 循环效率/% | 50.57 | 50.57 | 50.57 | 50.57 |
| 净效率/% | 45.31 | 45.27 | 45.23 | 45.17 |
| 煤耗量/(t⋅h-1) | 40.65 | 40.65 | 40.65 | 40.65 |
表5 S-CO2发电系统关键性能参数
Tab. 5 Key performance parameters of S-CO2 power generation system
| 参数 | 烟气再循环率 | |||
|---|---|---|---|---|
| 10% | 20% | 30% | 40% | |
| 发电功率/MW | 125 | 125 | 125 | 125 |
| 净功率/MW | 119.93 | 119.84 | 119.73 | 119.58 |
| 锅炉效率/% | 93.39 | 93.39 | 93.39 | 93.39 |
| 循环效率/% | 50.57 | 50.57 | 50.57 | 50.57 |
| 净效率/% | 45.31 | 45.27 | 45.23 | 45.17 |
| 煤耗量/(t⋅h-1) | 40.65 | 40.65 | 40.65 | 40.65 |
| 成本项 | 烟气再循环率 | |||
|---|---|---|---|---|
| 10% | 20% | 30% | 40% | |
| CLCC | 0.121 8 | 0.122 9 | 0.123 8 | 0.126 9 |
| CLOM | 0.063 0 | 0.063 0 | 0.063 0 | 0.063 0 |
| CLFP | 0.293 2 | 0.293 4 | 0.293 7 | 0.294 0 |
| CXC | 0.129 4 | 0.129 5 | 0.129 6 | 0.129 8 |
| CLCOE | 0.607 4 | 0.608 8 | 0.610 1 | 0.613 7 |
表6 不同烟气再循环率下S-CO2机组的平准化度电成本 (元/(kW⋅h))
Tab. 6 Levelized cost of electricity of S-CO2 unit under different flue gas recirculation rates
| 成本项 | 烟气再循环率 | |||
|---|---|---|---|---|
| 10% | 20% | 30% | 40% | |
| CLCC | 0.121 8 | 0.122 9 | 0.123 8 | 0.126 9 |
| CLOM | 0.063 0 | 0.063 0 | 0.063 0 | 0.063 0 |
| CLFP | 0.293 2 | 0.293 4 | 0.293 7 | 0.294 0 |
| CXC | 0.129 4 | 0.129 5 | 0.129 6 | 0.129 8 |
| CLCOE | 0.607 4 | 0.608 8 | 0.610 1 | 0.613 7 |
| [1] | STEPANEK J, ENTLER S, SYBLIK J,et al .Parametric study of S-CO2 cycles for the DEMO fusion reactor[J].Fusion Engineering and Design,2020,160:111992. doi:10.1016/j.fusengdes.2020.111992 |
| [2] | 郑开云 .超临界二氧化碳循环发电技术应用[J].发电技术,2020,41(4):399-406. doi:10.12096/j.2096-4528.pgt.19057 |
| ZHENG K Y .Application of supercritical carbon dioxide cycle power generation technology[J].Power Generation Technology,2020,41(4):399-406. doi:10.12096/j.2096-4528.pgt.19057 | |
| [3] | 万明元,任鑫,王渡,等 .100 MW级联式S-CO2循环动态特性研究[J].中国电力,2024,57(12):169-177. |
| WAN M Y, REN X, WANG D,et al .Study of dynamic characteristics of 100 MW cascade S-CO2 cycle[J].Electric Power,2024,57(12):169-177. | |
| [4] | 张仲勇,朱兵国 .非纯净超临界CO2再压缩布雷顿循环的热力学分析[J].电力科技与环保,2023,39(6):497-504. |
| ZHANG Z Y, ZHU B G .Thermodynamic analysis of Brayton cycle of recompression of impure supercritical CO2 [J].Electric Power Technology and Environmental Protection,2023,39(6):497-504. | |
| [5] | 唐鑫,钱奕然,方华伟,等 .超临界二氧化碳布雷顿循环控制策略研究综述[J].发电技术,2023,44(4):492-501. doi:10.12096/j.2096-4528.pgt.22079 |
| TANG X, QIAN Y R, FANG H W,et al .A review of control strategies for supercritical carbon dioxide brayton cycle[J].Power Generation Technology,2023,44(4):492-501. doi:10.12096/j.2096-4528.pgt.22079 | |
| [6] | SCHMITT J, WILLIS R, AMOS D,et al .Study of a supercritical CO2 turbine with TIT of 1 350 K for brayton cycle with 100 MW class output:aerodynamic analysis of stage 1 vane[C]//ASME Turbo Expo 2014:Turbine Technical Conference and Exposition.Düsseldorf,Germany:ASME,2014:1-9. doi:10.1115/gt2014-27214 |
| [7] | LE MOULLEC Y .Conceptual study of a high efficiency coal-fired power plant with CO2 capture using a supercritical CO2 Brayton cycle[J].Energy,2013,49:32-46. doi:10.1016/j.energy.2012.10.022 |
| [8] | 郭子岗,张海龙,梁舒婷 .超临界CO2锅炉研究综述[J].电力科技与环保,2023,39(6):490-496. |
| GUO Z G, ZHANG H L, LIANG S T .Review of the studies on supercritical CO2 boilers[J].Electric Power Technology and Environmental Protection,2023,39(6):490-496. | |
| [9] | 尹秋钰,李德波,方立军,等 .1 000 MW超临界CO2锅炉热力计算与变工况特性研究[J].广东电力,2024,37(11):120-126. |
| YIN Q Y, LI D B, FANG L J,et al .Thermodynamic calculation and research on 1 000 MW supercritical CO2 boiler under variable conditions[J].Guangdong Electric Power,2024,37(11):120-126. | |
| [10] | ZHU M, ZHOU J, CHEN L,et al .Economic analysis and cost modeling of supercritical CO2 coal-fired boiler based on global optimization[J].Energy,2022,239:122311. doi:10.1016/j.energy.2021.122311 |
| [11] | 高炜,李红智,张一帆,等 .梯级利用烟气余热的超临界CO2与ORC联合循环[J].电力科技与环保,2023,39(6):505-513. |
| GAO W, LI H Z, ZHANG Y F,et al .Cascade utilization of gas turbine waste heat with supercritical CO2 and ORC combined cycle[J].Electric Power Technology and Environmental Protection,2023,39(6):505-513. | |
| [12] | ZHOU J, XIANG J, SU S,et al .Key issues and practical design for cooling wall of supercritical carbon dioxide coal-fired boiler[J].Energy,2019,186:115834. doi:10.1016/j.energy.2019.07.164 |
| [13] | LI H Z, ZHANG Y F, YAO M Y,et al .Design assessment of a 5 MW fossil-fired supercritical CO2 power cycle pilot loop[J].Energy,2019,174:792-804. doi:10.1016/j.energy.2019.02.178 |
| [14] | 李江浩,刘洋,闫博康,等 .660 MW超超临界二次再热锅炉烟气再循环对锅炉运行参数影响[J].电力科技与环保,2019,35(6):37-40. |
| LI J H, LIU Y, YAN B K,et al .The effect of FGR on 600 MW double reheat boiler parameters[J].Electric Power Technology and Environmental Protection,2019,35(6):37-40. | |
| [15] | 袁峰 .烟气再循环对超临界二氧化碳锅炉换热性能影响分析[D].北京:华北电力大学,2022. |
| YUAN F .Analysis of wall temperature characteristics of supercritical carbon dioxide coal-fired boiler with flue gas circulation[D].Beijing:North China Electric Power University,2022. | |
| [16] | ZHOU J, ZHU M, XU K,et al .Key issues and innovative double-tangential circular boiler configurations for the 1 000 MW coal-fired supercritical carbon dioxide power plant[J].Energy,2020,199:117474. doi:10.1016/j.energy.2020.117474 |
| [17] | FAN Y H, YANG D L, TANG G H,et al .Design of S-CO2 coal-fired power system based on the multiscale analysis platform[J].Energy,2022,240:122482. doi:10.1016/j.energy.2021.122482 |
| [18] | ZHOU J, ZHU M, TANG Y F,et al .Innovative system configuration analysis and design principle study for different capacity supercritical carbon dioxide coal-fired power plant[J].Applied Thermal Engineering,2020,174:115298. doi:10.1016/j.applthermaleng.2020.115298 |
| [19] | ZHOU J, ZHU M, SU S,et al .Numerical analysis and modified thermodynamic calculation methods for the furnace in the 1 000 MW supercritical CO2 coal-fired boiler[J].Energy,2020,212:118735. doi:10.1016/j.energy.2020.118735 |
| [20] | 陈军华,章文杰,徐鹏志,等 .电厂锅炉优化改造试验分析[J].发电技术,2019,40(1):61-65. |
| CHEN J H, ZHANG W J, XU P Z,et al .Experimental and analysis on optimization of a boiler in power plant[J].Power Generation Technology,2019,40(1):61-65. | |
| [21] | BAI W G, ZHANG Y F, YANG Y,et al .300 MW boiler design study for coal-fired supercritical CO2 Brayton cycle[J].Applied Thermal Engineering,2018,135:66-73. doi:10.1016/j.applthermaleng.2018.01.110 |
| [22] | 李靖,徐天奇,李琰,等 .基于多市场耦合的新能源综合发电项目的盈利能力研究[J].电力系统保护与控制,2024,52(6):65-76. |
| LI J, XU T Q, LI Y,et al .Profitability study of multi-market coupled integrated renewable energy generation projects[J].Power System Protection and Control,2024,52(6):65-76. | |
| [23] | 赵赫,隋朝霞 .基于平准化度电成本的风光火储一体化项目成本分析及比较[J].广东电力,2023,36(10):39-46. |
| ZHAO H, SUI Z X .Cost analysis and comparison of wind-photovoltaic-thermal-storage integration project based on LCOE[J].Guangdong Electric Power,2023,36(10):39-46. | |
| [24] | ROTH I F, AMBS L L .Incorporating externalities into a full cost approach to electric power generation life-cycle costing[J].Energy,2004,29(12/13/14/15):2125-2144. doi:10.1016/j.energy.2004.03.016 |
| [25] | 朱萌,周敬,陈磊,等 .660 MW超临界二氧化碳燃煤机组锅炉设计及经济性分析[J].热力发电,2020,49(10):136-143. |
| ZHU M, ZHOU J, CHEN L,et al .Boiler design and economic analysis for 660 MW supercritical carbon dioxide coal-fired unit[J].Thermal Power Generation,2020,49(10):136-143. | |
| [26] | WANG L G, YANG Y P, DONG C Q,et al .Exergoeconomic evaluation of a modern ultra-supercritical power plant[J].Energies,2012,5(9):3381-3397. doi:10.3390/en5093381 |
| [27] | DOSTÁL V .A supercritical carbon dioxide cycle for next generation nuclear reactors[D].Cambridge,MA,USA:Massachusetts Institute of Technology,2004. |
| [28] | 电力规划设计总院 .火电工程限额设计参考造价指标(2017年水平)[M].北京:中国电力出版社,2018:71-137. |
| General Institute of Electric Power Planning and Design .Thermal power project quota design reference cost index (level 2017)[M].Beijing:China Electric Power Press,2018:71-137. | |
| [29] | JAMES III R E, ZOELLE A, KEAIRNS D,et al .Cost and performance baseline for fossil energy plants volume 1:bituminous coal and natural gas to electricity[M].Pittsburg:NETL,2019:420-469. doi:10.2172/1569246 |
| [30] | THEIS J .Quality guidelines for energy systems studies:cost estimation methodology for NETL assessments of power plant performance[M].Pittsburg:NETL,2019:9-23. doi:10.2172/1567185 |
| [1] | 王洪健, 黄延凯, 喻鑫, 于敦喜. 纯燃高碱煤循环流化床锅炉宽负荷低NO x 燃烧改造试验研究[J]. 发电技术, 2025, 46(5): 1005-1013. |
| [2] | 李建军, 尚曼霞, 董海龙, 李冰铭, 黄中. 350 MW超临界循环流化床锅炉联合脱硝技术应用与优化研究[J]. 发电技术, 2025, 46(5): 1014-1021. |
| [3] | 徐义巍, 洪岩, 赵晓鹏, 隋炳伟. 煤氨混燃对燃煤锅炉受热面传热特性影响分析[J]. 发电技术, 2025, 46(5): 1022-1031. |
| [4] | 罗晟, 王磊, 李杨, 孟庆明, 张贵彬, 赵元宾. 变流量配水对湿冷塔冷却特性的影响及其优化[J]. 发电技术, 2025, 46(5): 1041-1049. |
| [5] | 王文静, 韩依璇, 李继宾, 沈晓旭, 霍兆义, 冯亮花. 燃气-蒸汽联合循环发电系统多目标优化分析[J]. 发电技术, 2025, 46(4): 839-848. |
| [6] | 张帅柠, 高明明, 王勇权, 王唯铧, 于浩洋, 黄中. 循环流化床锅炉宽负荷一体化脱硫建模研究[J]. 发电技术, 2025, 46(4): 849-856. |
| [7] | 汪义财, 喻鑫, 于敦喜. 能源植物芦竹燃烧利用研究进展[J]. 发电技术, 2025, 46(3): 570-578. |
| [8] | 张国林, 曾喆昭, 唐钰淇. 超临界机组燃水比系统的自耦PID控制方法[J]. 发电技术, 2025, 46(2): 344-352. |
| [9] | 张立峰, 董祥虎. 基于鲁棒正则化极限学习机的声学层析温度分布重建[J]. 发电技术, 2025, 46(2): 361-369. |
| [10] | 李凯, 章平衡, 孟志浩, 曹允宁, 徐尧, 刘莉, 李廉明. SCR外置烟道飞灰沉积特性与流场优化数值仿真[J]. 发电技术, 2025, 46(1): 145-153. |
| [11] | 赵海宝, 何毓忠, 刘含笑, 梁江. 燃煤电厂电除尘脉冲电源改进及工程应用[J]. 发电技术, 2025, 46(1): 154-160. |
| [12] | 刘卓, 陈冬林, 汪淑奇, 杨仪江, 闫优洋, 杨展. 减缓脱硫塔除雾器堵塞的流场优化方法[J]. 发电技术, 2024, 45(6): 1087-1094. |
| [13] | 董建宁, 安吉振, 陈衡, 潘佩媛, 徐钢, 王修彦. 考虑天气影响的火电机组空冷系统性能预测方法[J]. 发电技术, 2024, 45(6): 1105-1113. |
| [14] | 王轶男, 吕佳阳, 陈衡, 张国强, 徐钢, 翟融融. 基于Aspen Plus的气流床煤气化炉建模及其变工况特性研究[J]. 发电技术, 2024, 45(5): 951-958. |
| [15] | 夏忠林, 陈文通, 许书峤, 吴忠胜, 谢强, 马双忱, 马京香. 火电厂烟塔合一技术应用现状与现存问题分析[J]. 发电技术, 2024, 45(4): 590-599. |
| 阅读次数 | ||||||
|
全文 |
|
|||||
|
摘要 |
|
|||||