风电场有功功率控制综述
An Overview of Active Power Control in Wind Farms
收稿日期: 2018-03-6
| 基金资助: |
|
Received: 2018-03-6
| Fund supported: |
NationalNaturalScienceFoundationofChina. |
作者简介 About authors
樊新东(1993),男,硕士研究生,研究方向为控制工程与新能源发电,
杨秀媛(1962),女,副教授,主要从事含新能源的电力系统分析与规划方面的研究工作,
由于风电具有随机性、波动性和反调峰特性,高比例的风电并入电网会对电力系统的稳定性和安全性造成很大的冲击,因此有必要对风电场有功功率输出进行控制,减少风电功率的波动性,提高输出功率的平滑性;同时,随着装机容量的不断增加,造成大量的弃风现象,风电场的控制模式由传统的最大功率点跟踪(maximum power point tracking,MPPT)模式向限功率控制模式转变。基于弃风限电以及风电并网的控制要求这2个背景,分析了控制风电场有功功率的必要性,从单机功率控制和场站级功率控制2个层面出发,以场站级功率控制为侧重点,归纳总结了当前风电有功功率控制的研究现状,总结出不同控制方式的控制特点及不足之处,并对其研究方向进行了展望。
关键词:
Due to the randomness, volatility and anti peak characteristics of wind power, a high proportion of wind power penetrating into the power grid will have a great impact on the stability and security of the power system. Therefore, it is necessary to control the active power of the wind farm to reduce the fluctuation and improve the smoothness of the output power. With the increasing installed capacity, a large number of wind curtailment occur, and the control mode of wind farm is changed from the traditional maximum power point tracking (MPPT) mode to the limit power control mode. The necessity of controlling the active power of the wind farm was analyzed, based on the backgrounds of the control requirements of the wind power connected to power grid and curtailment. Starting from the single machine power control and station level power control, taking the station level power control as the emphasis, the research status of active power control of wind power was summarized. The control characteristics and shortcomings of different control methods were summarized, and research directions were prospected.
Keywords:
本文引用格式
樊新东, 杨秀媛, 金鑫城.
FAN Xindong, YANG Xiuyuan, JIN Xincheng.
0 引言
当今世界资源短缺、环境污染日趋严重,节能减排势在必行,风力发电正日益受到全球各国的重视。据《全球风电市场2017年度统计报告》显示,2017年全球风电市场新增装机超过52.573 GW,至此全球累计装机容量达到539.581 GW,遍布100多个国家和地区。2001—2017年全球风电累计装机容量如图1所示。
图1
图1
2001—2017年全球风电累计增装机容量
Fig. 1
Global wind power accumulative installed capacity from 2001 to 2017
与此同时,我国的风电市场也保持快速增长的势头,已成为全球风电行业发展的领头羊。图2绘制出我国2007年至2017年的风电累计装机容量。其中,2017年我国新增装机容量19.5 GW装机,累计装机容量达到1.88亿kW,新增和累计装机容量均稳居世界第一。
图2
图2
2007—2017年中国风电累计装机容量
Fig. 2
Wind power accumulative installed capacity in China from 2007 to 2017
图3
图3
2010—2017年弃风电量及弃风率
Fig. 3
Discarding wind power and discarding wind rate from 2010 to 2017
大量的弃风限电,不仅会影响清洁能源的开发利用水平,更会对风电场造成相当数量的经济损失,其已成为影响我国风电产业健康发展的瓶颈。由于大量弃风限电现象的存在,因此传统的最大功率点跟踪(maximum power point tracking,MPPT)模式已经不能满足风电场输出功率控制的要求,控制模式由MPPT模式向限功率控制模式转变,这就需要有新的风电场功率控制方式来适应产业的发展。
1)当电网频率过高时,如果常规调频电厂容量不足,可降低风电场有功功率。
2)在电网故障或特殊运行方式下,为了防止输电线路发生过载,确保电力系统的稳定性,要求降低风电场有功功率。
基于弃风限电以及风电并网的控制要求这两大背景,本文介绍国内外对风电场有功功率控制方面的研究成果,详细说明单机风功率控制和场站级风功率控制的研究现状,重点介绍风电场有功功率控制策略。其中,在单机控制层面分别阐述了双馈异步风力发电机组和永磁直驱风力发电机组的研究现状,在场站级层面将不同的控制策略进行分类说明。
1 风电机组单机控制
风电场参与电网功率调度的直接单元是各台风电机组,当风电场场站级控制系统接收到来自电网调度部门下达的调度指令后,再把优化后的下一周期功率参考值下发到各台风电机组,由各个单机控制系统来具体执行相应的功率输出。
图4
图4
变速变桨风电机组控制系统结构框架
Fig. 4
Structural frame of variable speed variable propeller wind turbine control system
在升功率运行模式下,以额定风速为分界线,可分为2种情形。在额定风速以下运行时,应尽可能地提高能量的转换效率,风电机组运行在最大功率跟踪状态,此时将桨距角保持在最小角度,通过控制发电机转矩,使叶轮的转速能够跟踪风速的变化,保持最佳叶尖速比运行来实现,即变速控制。在额定风速以上运行时,风轮机转速达到上限,为保持风电机组输出功率在额定功率附近,此时需要调节风轮机的桨距角,即变桨控制。变桨控制通过改变叶片的桨距角从而改变风能利用系数,调节风力发电机组所吸收的能量。
当风电机组需要减少输出功率时,此时需将风电机组运行在限功率模式下,主要通过变桨控制来实现。由于叶轮的惯性较大[8],变桨控制对风电机组的作用有所延迟,通常需要数秒的时间才能表现出来,很容易引起电功率的波动,此时需要控制发电机的转矩来实现快速调节作用,以变速调节与变桨调节的耦合控制来保证高品质的能量输出。
以下分别讨论永磁直驱风电机组和双馈异步风电机组的功率控制。
1.1 双馈风电机组单机控制
双馈异步风电机组的发电机采用双馈感应发电机(double-fed induction generator,DFIG),是目前国内外应用最为广泛的风力发电机型。其拓扑结构图如图5所示。所谓“双馈”,是因为其转子绕组经双向背靠背IGBT电压源变流器与电网相连,转子电压由变流器提供;其定子绕组直连定频三相电网的绕线型异步发电机,定子电压由电网提供。
图5
由于双馈异步发电机的转子绕组通过变流器与电网连接,转子绕组电源的电压、频率、幅值和相位等参量可以按运行要求,由变频器自动调节,风电机组可以在不同的转速下实现恒频发电,满足电网要求。另一方面,由于双馈异步发电机采用了交流励磁,电力系统和发电机之间构成了“柔性连接”,即可以根据发电机的转速、电网电压、电流来调节励磁电流的大小,从而调节发电机的输出电压,使其能够满足并网要求。
1.2 永磁直驱风电机组单机控制
永磁直驱风电机组采用永磁直驱同步发电机(direct-driven permanent magnet synchronous generator,D-PMSG)。永磁直驱风电机最大的特点是没有齿轮箱增速结构,风轮与发电机转子直接相连。其拓扑结构图如图6所示。
图6
与双馈型机组相比,永磁直驱式风电机组体积大,并且采用全功率换流器进行并网,因而成本相对较高,但是由于其诸多优点,仍然受到了国内外生产厂家以及研究学者的广泛关注与青睐。
1)没有齿轮箱增速结构,由风轮机直接驱动多极低速的永磁同步发电机,减少了由齿轮箱引起的机械故障,有效降低了系统的维护频率。
2)发电机的定子直接通过变换器接入电网,能够在故障时隔绝电网与发电机之间的相互作用,提高了风电机组的低电压穿越能力,增强了系统对电网波动的适应能力。
3)采用永磁体励磁,不需要附加的电励磁装置,提高了系统的发电效率,有利于改善电网的功率因素。
4)切入风速较低,能够更好地适应低风速环境,扩大了发电系统的运行范围。
5)我国的永磁体材料资源存储量比较丰富,永磁直驱型风力发电机的发展具有天然的优势。
根据《2016全国大型风能设备行业年会暨产业发展论坛会议文件》显示,2015年,双馈式风电机组在我国新增的风电机组中约占68%,但是从长远的发展趋势来看,直驱式机组的比例在缓慢上升,其在2015年新增大型风电机组中约占30%以上,在3 MW以上的大功率风电机组中,直驱式机型的比例超过了双馈机组。“十三五”期间,2~3 MW风电机组将占到70%以上的市场份额,成为我国陆上风电场的主流机型,其中永磁直驱式风电机组市场份额将进一步增长,预计到2020年其新增装机容量将达到40%以上,基本上和双馈式风电机组新增装机容量相当。
然而使用传统的PI控制,在外界风速变化较快时,单一调节风力机桨距角或者发电机转速时,并不能很好地平滑发电机的有功功率。为此,文献[17]在分析变桨变速直驱永磁同步风力发电机运行特性的基础上,在变桨控制模块设计出基于模糊理论的变桨距控制器,在发电机变速控制模块,设计出发电机转矩动态滑模控制器,从而达到降低发电机输出有功功率的波动、控制发电机转速运行范围的目的。针对传统控制策略中容易出现的桨距角调节过于频繁以及功率越限等问题,文献[18]根据不同的风速运行点,提出分段局部线性化的多模型预测控制策略,并针对多模型预测控制策略中的一些缺陷,提出了一种基于Hammerstein模型的永磁直驱式风电机组有功功率预测控制策略。
由此可知,对于单机控制而言,如何在额定风速以下实现风电机组的最大功率跟踪,在额定风速附近实现功率的平滑过渡,以及在高风速下通过变速和变桨控制,保持风电机组输出功率在额定功率附近,是当前国内外的研究热点。但是,针对风电机组在任意风速下的恒功率控制或者限功率的相关研究较少。
2 场站级控制
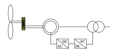
当风电场场站级控制系统接收到来自调度中心下达的调度指令后,综合风电机组当前的运行状态、预测功率、运行策略等相关信息,把优化后的下一周期功率参考值下发到各风电机组,其有功功率控制系统结构框架如图7所示。
图7
图7
风电场有功功率控制系统结构框架
Fig. 7
Structural frame of active power control system for wind farm
传统的风电场有功功率控制策略大多是基于比例算法的分配策略,如平均分配法、按照风电机组装机容量比例分配法和变比例分配算法等。
2.1 基于比例算法的功率控制
在传统的平均分配算法中,将风电场的输出功率参考值PWFref平均分配到风电场内的各台风电机组,每台机组的参考功率为风电场总的参考功率除以风电场内机组的总台数,即
式中:n为风电场内风电机组的总台数;Piref为第i台机组的输出功率参考值;PWFref为风电场的输出功率参考值。由于各台风电机组的装机容量不同,在这种情况下如果风电机组分配的参考功率大于机组的装机容量,设置为该机组的装机容量值;如果风电机组分配的参考功率小于机组调节下限时,机组参考功率设置为其调节下限值,从而保证各机组运行在正常的工作范围内。
然而,在大多数情况下,由于风电场内的机组数量众多,型号、装机容量并不相同,各台机组的出力能力有高有低。在这种情况下,按照各台机组的装机容量比例来分配功率输出,此时每台机组的输出功率参考值为
式中:n为风电场内风机的总台数;Piref为第i台机组的输出功率参考值;PWFref为风电场的输出功率参考值;Pinstalli为第i台机组的装机容量。
平均分配法和按照机组装机容量比例分配策略的优点是算法简单,但这2种控制策略均没有考虑机组工作时受到的外部因素的影响,比如说风电机组所处位置的风速大小,没有充分考虑机组在下一控制周期中的发电能力,未能将机组目标功率差异化分配,导致部分机组实时功率达不到预期发电功率,从而影响控制的精确度。
变比例分配算法能够根据实时风速,预测风电机组在下一控制周期的最大输出功率,然后按照各台机组最大输出功率占风电场最大输出功率之和的比例,来分配各台机组在下一控制周期的输出功率参考值,即
式中:Pmax iopt是第i台风电机组预测输出最大功率;
2.2 基于风电机组状态分类的功率控制
随着区域电网的风电穿透率不断升高,需要研究新型的场站级有功功率控制策略,包括风电场的有功功率控制模式以及分配算法。对于新型的控制策略,近年来国内外学者进行了比较深入的研究。基于风电机组的状态分类,考虑到部分机群停运,将风电场内的风电机组根据各自的运行状态,按照相应的分类标准,将运行状态相似的风电机组分成一类,从而对其进行集中控制。在这种控制策略中,风电机组的分类标准不一,功率控制的效果也有所差异。
以上文献的基本思想都是按照机组的运行状态以及风速预测等相关信息,将风电场内各风电机组分成有限的类别,在此基础上提出场站级有功功率控制策略。
2.3 基于目标函数优化的功率控制
基于目标函数优化的有功功率控制策略,通常先确定目标函数以及约束条件,在此基础上建立多目标优化的风电场模型。
在基于目标函数优化的场站级有功功率控制策略中,文献[29]基于小扰动分析方法分析了限功率运行下风电机组非线性模型的稳定特性,并综合了3个目标,分别是限功率运行状态均衡度、风电场功率目标偏差、总机组启停次数最少,建立了多目标优化模型。文献[30]以减少风电机组控制系统的动作次数和平滑风电机组的功率输出为目标,通过超短期风功率预测数据确定风电机组出力趋势,来确定风电机组的出力加权系数,从而来优化风电场内有功调度指令,并与传统的固定比例分配算法以及变比例分配算法作比较,说明其控制策略的有效性。这2篇文章形成了比较完整的基于目标函数的场站级有功优化方法,值得借鉴,但在模型结构和对风电机组运行状态评价的精细程度等方面仍有待提高。
2.4 考虑风电场运行经济性的功率控制
大型风电场一般分期建设,从而导致建成后存在多种机组、多个机群并存的现象,受相关政策影响造成不同机群的上网电价存在差异。与此同时,随着风电的快速发展,弃风限电现象愈加普遍。
基于弃风限电以及电价差异这2个大背景,以实现风电场收益最大化为目标,文献[31]在风电场自动发电控制系统(automatic generation control,AGC)和不同机群能量管理系统(energy management system,EMS)之间搭建一套协调控制系统,该系统考虑了不同机群的上网电价,在弃风限电的情况下,尽可能提高稳定性能好、电价较高的风电机组的利用率,同时将电价低的机组运行在最小负荷状态,以此实现风电场经济效益最大化。
文献[32]以提高风电场运行经济性为目标,提出一种有功优化控制策略,该策略首先根据监控系统采集到的机组状态信息,对风电机组进行动态分类,然后考虑启停机次数、上网电价、以及网络损耗等因素的影响,采用主客观综合赋权法对控制策略的优先级进行赋权和排序,从而对风电场进行升功率或者降功率控制。
2.5 分层控制策略
分层控制策略一般将风电场内的控制系统分为若干层,从场站级控制层面到单机控制层面,逐层优化调度指令,从而实现风电场有功功率控制的准确度。
在基于风电场场站级的分层控制策略中,文献[33]综合运用分层递阶控制和模型预测控制方法,提出了一种含大规模风电场的电网有功调度控制方法。文献[34]以风电场场站级有功控制为研究对象,将控制策略分为群间和群内优化调度2个层面,并提出一种基于遗传算法改进的模糊C均值聚类算法,用于风电场内的机组分群,根据风电机组分群结果和分群调度思想,来实现风电场输出功率可控的目标,但本策略是在假设风电场预测功率准确的情况下进行控制的,并未深入研究风电场预测功率的准确性对调度的影响。文献[35]将风电场内有功调度分为3个层次,分别是场站优化分配层、分群控制层、单机管理层,在分群控制层面,根据风电机组未来有功功率变化趋势以及负荷状态进行机组分类,值得借鉴的是,该系统加入了反馈校正环节,根据风电场实时有功功率的数据反馈,对功率组合预测模型系统进行误差反馈校正,整体提高了有功功率预测的精度。
随着装机容量的不断增加,造成风电场存在大量的弃风现象,由此风电场的控制模式发生变化,从传统的MPPT模式向限功率控制模式转变,这对风电场以及风电机组的控制策略提出了更高的设计要求。文献[36]考虑变速恒频风电机组在不同风速下的功率调节和机械特性,从电气性能,机械性能,运行维护状态3个准则层出发,提出风电场功率调节综合评价指标体系,在此评价体系中,各指标的权重使用熵值法修正的层次分析法来确定,并通过模糊综合评价对机组调节性能进行评分,进而确定调控序列,建立风电场降功率优化分配模型。
2.6 多时空尺度下的控制策略
多时空尺度下的控制策略分为多时间尺度和多空间尺度下的控制策略,所涉及文献一般从这2个角度出发。
文献[37]以风电和火电联合运行为研究对象,将控制策略分为横向多时间尺度和纵向多空间尺度。在此控制策略中,横向多时间尺度中的日前时间尺度主要基于送电计划以及短期风电预测,为日内发电提供标准;滚动调度时间尺度基于超短期风电预测、更新的送电计划、当前有功控制偏差等信息,来不断修正日前计划;实时控制时间尺度主要进行正常运行状态下的自动发电控制,以及事故状态下的紧急有功控制;另外,纵向多空间尺度中的风火协调层根据系统的调度指令来协调风电场群以及火电机组各自的有功出力;集群风电协调层根据风火协调层给出的风电场群调度运行指令,进行内部协调优化后将控制指令下发给各风电场,最后通过各个单机控制单元来具体执行。此控制策略综合考虑多时间尺度以及多空间尺度,值得其他风水、风光、风水储等联合运行系统借鉴。
文献[38]结合风速预测,将风电场有功分配优化模型分为上层全局优化分配策略与下层实时修正控制策略2个层次,其中上层全局优化分配策略基于风电场发电计划、超短期风速预测数据、机组运行状态信息,从电网、风电场与风电机组3个层面对风电场的运行控制进行优化,从而制定各风电机组的有功出力指令;下层实时修正控制策略根据风电场实际运行状况以及目标功率值,对各机组的有功调度指令、在线调度计划外的风电场发电误差进行实时调整。
以上部分分别从基于比例算法的功率控制、基于风电机组状态分类的功率控制、基于目标函数优化的功率控制、考虑风电场运行经济性的功率控制、分层控制策略、多时空尺度下的控制策略6个层面,对场站级有功功率控制进行阐述,总结归纳了当前的研究现状,分析总结了其控制特点和不足之处如表1所示。需要说明的是,文中所列举的6个层面的控制策略,相互之间是存在联系的,而并非彼此独立。
表1 风电场功率控制策略比较
Tab. 1
| 类别 | 控制特点 | 不足之处 |
| 基于比例算法的功率控制 | 算法简单 | 未考虑风电机组的运行状态差异性以及机械损耗等因素的影响 |
| 基于风电机组状态分类的功率控制 | 考虑风电机组运行的差异性,将状态相似的风电机组分为一类,对其进行集中控制 | 侧重以风电机组的运行状态分类,缺少对风电运行经济性的考虑 |
| 基于目标函数优化的功率控制 | 目标性强,针对不同控制目标,建立不同的优化模型 | 模型结构层次感弱,计算较为复杂,目标函数越多,运算量越大 |
| 考虑风电场运行经济性的功率控制 | 以提高风电场运行经济性为目标,可实现风电场经济效益的最大化 | 侧重目标较为单一,对机组的疲劳程度考虑欠佳 |
| 分层控制策略 | 将场站级控制系统分为若干层次,逐层细化 | 偏重风电场功率控制的准确性,缺少对风电场运行经济性的考虑 |
| 多时空尺度下的控制策略 | 将多空间尺度和多时间尺度相结合,侧重风电场输出功率的实时性和准确性 | 弱化对风电机组单机内部因素的考虑,如机械损耗等 |
3 结论
1)风电场的有功功率控制是风电场可控运行的一项关键技术,场站级功率控制策略形式多样,针对不同的控制目标,所建立的控制策略也有所不同。通过归纳总结风电场单机功率控制以及场站级功率控制的研究现状,对其进行展望,为后续研究奠定基础。
2)由于风能具有不确定性,在特定情况下需要其他能源加以弥补,由此产生新的发电模式如风水协同运行等。对于新型的发电模式,已有学者使用智能算法对其进行控制研究,但协同运行的场站级控制策略尚未涉及,后续将结合风水协同发电,研究其协同发电功率控制策略。
3)通常情况下风电场内的机组数量众多,对各个风电机组进行单一的功率控制,控制方式复杂,易陷入“维数灾”,聚类算法能够将运行状态相似的风电机组集中控制,后续可借助聚类算法,将其运用在风电场功率控制中。
参考文献
Automatic generation control of a wind farm with variable speed wind turbines
[J].
Comparative study on the performance of control systems for doubly-fed induction generator(DGIG) wind turbines operating with power regulation
[J].
/
| 〈 |
|
〉 |
