Toggle navigation
发电技术
首页
期刊介绍
编委会
作者须知
投稿说明
作者费用
编辑政策
开放获取与版权
期刊订阅
出版道德声明
学术不端检测
联系我们
English
风电场有功功率控制综述
樊新东
1
(
),杨秀媛
1
(
),金鑫城
2
An Overview of Active Power Control in Wind Farms
Xindong FAN
1
(
),Xiuyuan YANG
1
(
),Xincheng JIN
2
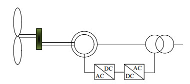
图5.
双馈异步风力发电机组的拓扑结构图
Fig. 5.
Topological structure diagram of DFIG