发电技术, 2024, 45(2): 207-215 DOI: 10.12096/j.2096-4528.pgt.22117

双碳背景下灵活性发电技术

深度调峰背景下火电机组热电解耦技术路径对比分析

郑淇薇, 王华霆, 陈衡, 潘佩媛, 徐钢

华北电力大学能源动力与机械工程学院,北京市 昌平区 102206

Analysis on Thermoelectric Decoupling Technology Paths for Thermal Power Units Under the Background of Deep Peak-Shaving

ZHENG Qiwei, WANG Huating, CHEN Heng, PAN Peiyuan, XU Gang

School of Energy, Power and Mechanical Engineering, North China Electric Power University, Changping District, Beijing 102206, China

收稿日期: 2023-07-06  

基金资助: 国家自然科学基金项目.  52106008

Received: 2023-07-06  

作者简介 About authors

郑淇薇(2000),女,硕士研究生,研究方向为火电机组热电解耦改造,zqw5522@sina.com

王华霆(1997),男,硕士研究生,研究方向为火电机组余热利用,120202202292@ncepu.edu.cn

陈衡(1989),男,博士,副教授,研究方向为热力系统优化、固体废弃物能质梯级利用,本文通信作者,heng@ncepu.edu.cn

潘佩媛(1992),女,博士,副教授,研究方向为烟气低温受热面积灰腐蚀耦合机理、高温受热面热腐蚀机理、多相烟气组分反应动力学机制,peiyuanpan@necpu.edu.cn

徐钢(1978),男,博士,教授,研究方向为能源动力系统优化与节能、污染物控制及温室气体减排,xgncepu@163.com

摘要

新能源发电在出力和发电负荷上具有波动大、不稳定的特点,为解决新能源机组上网后带来的上述问题,利用多种热电解耦方式对火电机组进行改造,并对不同技术路径进行对比分析,探究火电机组解耦潜力与调峰能力。采用EBSILON Professional软件进行模拟仿真,对不同热电解耦方案下调峰负荷空间进行评估和对比分析。计算结果表明,低压缸零出力热电解耦改造方案可以使机组的调峰能力得到最大的改善。在原最大供热负荷304.60 MW下,最小发电量下降172.21 MW,最低电负荷率下降32.70%。火电机组经过热电解耦改造可显著提高热电机组与新能源机组的协调调峰能力,提高发电单元整体发电的稳定性。

关键词: 火电机组 ; 热电联产 ; 热电解耦 ; 抽汽供热 ; 深度调峰

Abstract

New energy power generation has the characteristics of large fluctuation and instability in output and power generation load. In order to solve the above problems brought by new energy units on the internet, a variety of thermoelectric decoupling modes was used to transform thermal power units,different technology paths were analyzed,and the potential of decoupling thermal power units and peak shifting capacity was explored. EBSILON professional software was used,and the peak load space under different thermoelectric decoupling schemes was evaluated and compared. The results show that the zero output thermoelectric decoupling transformation scheme of low pressure cylinder can improve the peak regulation capacity of the unit to the greatest extent. Under the original maximum heating load of 304.60 MW, the minimum power generation decreased by 172.21 MW, and the minimum power load rate decreased by 32.70%. Thermal power units after heat and power decoupling transformation can significantly improve the coordinated peaking ability of thermoelectric units and new energy units,and improve the stability of the overall power generation of power generation units.

Keywords: thermal power units ; heat and power cogeneration ; thermo-electric decoupling ; extraction heating ; peak-load regulation

PDF (3954KB) 元数据 多维度评价 相关文章 导出 EndNote| Ris| Bibtex  收藏本文

本文引用格式

郑淇薇, 王华霆, 陈衡, 潘佩媛, 徐钢. 深度调峰背景下火电机组热电解耦技术路径对比分析. 发电技术[J], 2024, 45(2): 207-215 DOI:10.12096/j.2096-4528.pgt.22117

ZHENG Qiwei, WANG Huating, CHEN Heng, PAN Peiyuan, XU Gang. Analysis on Thermoelectric Decoupling Technology Paths for Thermal Power Units Under the Background of Deep Peak-Shaving. Power Generation Technology[J], 2024, 45(2): 207-215 DOI:10.12096/j.2096-4528.pgt.22117

0 引言

随着全球经济的发展,传统煤、油、天然气等不可再生的能源储量已经不能满足人们未来对于能源的大量需求,同时化石燃料燃烧带来的碳氮硫化合物的环境和气候问题早已不可忽视。我国对于清洁环保的需求与日俱增,新能源发电机组的装机总量与发电量逐年上涨,光伏、风电等一些可再生资源具有随机性和不确定性,给电力系统的峰值负荷调节带来了巨大的挑战。一方面,新能源发电的输出随机变化,会导致峰值负荷调节能力不足,发电负荷无法被及时消纳,发电溢出和负荷脱落,经济成本高昂,甚至导致严重的系统安全问题[1-4],与电网极高的供电质量要求相悖。另一方面,如光伏发电在白天提供高输出,满足大负载需求,但在夜间无法提供输出,很多新能源发电都会产生“鸭型曲线”[5]。随着可再生能源占比的迅速增加,火电机组深度调峰改造刻不容缓[6-7]

目前国内外学者对热电解耦的相关技术已有多项实践成果。我国为了解决新能源发电的不确定性,做了很多的努力。在我国东北电网已完成灵活性改造火电机组装机容量46 120 MW,约占火电总装机容量的45%。通过改造,增加深调能力16 570 MW,成为确保电网安全供电、促进新能源消纳的“主力军”;我国首创的“亚临界机组600℃升温改造技术”也已正式投入使用,可满足机组负荷在20%~100%灵活调节的需求,已在徐州华润电厂#3机组实施改造并通过验收[6]

在发达国家中热电解耦技术则更为成熟。在拉脱维亚、丹麦等国,电厂采用储热水罐、汽轮机高低压旁路改造等技术达到热电解耦的目的;在瑞典的斯德哥尔摩,火电厂则利用热泵进行热电解耦改造,使机组与风能、太阳能共同耦合、协调发电[8-10];美国、芬兰、日本等国家进一步使用冷热电联供系统,大大提高了能源利用率,节约了能源、缓解了电网压力、提高了经济效益[11]

基于以上背景,本文通过对火电机组进行多种热电解耦改造方案技术路径对比,选择低压缸零出力、高背压下联合乏汽供热、压缩式热泵解耦3种方案,对火电机组进行热电解耦改造,通过软件模拟计算得出理论最优方案。通过改造,适应并协助新能源发电厂进行发电,利用能源管理的大数据宏观调控,根据新能源发电厂发电量进行实时调峰,进一步促进可再生能源并网,进而提高经济效益并促进可再生能源消纳。

1 案例机组介绍

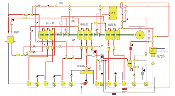
案例机组汽轮机为300 MW、亚临界、一次再热、双缸双排汽、双抽单调整、直接空冷、抽汽凝汽式汽轮机。回热系统由3台高压加热器、1台除氧器和3台低压加热器组成。发电机效率为98.90%,额定功率因数为0.85。在汽轮机第5级回热抽汽上设置蒸汽抽取口。案例机组的热力系统示意图如图1所示。表1列出了案例机组热耗率验收(turbine heat acceptance,THA)工况下的热力学参数。

图1

图1   案例机组热力系统示意图

Fig. 1   Diagram of case unit thermal system


表1   案例机组THA工况下基本热力学参数

Tab. 1  Basic thermodynamic parameters of THA operating condition of the case unit

参数数值
主蒸汽温度/℃538.00
主蒸汽压力/MPa16.67
主蒸汽流量/(t/h)937.35
再热蒸汽温度/℃538.00
再热蒸汽压力/MPa3.32
再热蒸汽流量/(t/h)783.57
额定背压/kPa14.00
给水温度/℃272.20
额定功率/MW300.00

新窗口打开| 下载CSV


2 案例机组不同热电解耦方案

2.1 案例机组THA工况热力分析与验证

本文利用Ebsilon软件进行机组建模,如图2所示。以案例机组THA工况的原则性热力系统为基准搭建模型[12]。通过模拟得出模拟参数,再与真实热力参数进行对比和误差计算。

图2

图2   案例机组Ebsilon模型

Fig. 2   Ebsilon model of the case unit


经验证,由软件建模并计算所得参数值与设计值相差不大,各项误差均在可控范围内。最终机组发电功率误差0.49%,误差较小,可根据模型数据继续进行研究,模型验证结果见表2

表2   模型验证结果

Tab. 2  Model verification results

参数设计值计算值相对误差/%
主蒸汽温度/℃538.00538.000.00
主蒸汽压力/MPa16.6716.670.00
主蒸汽流量/(t/h)937.35937.350.00
再热蒸汽温度/℃538.00538.000.00
再热蒸汽压力/MPa3.323.32-0.06
再热蒸汽流量/(t/h)783.57782.37-0.15
额定背压/kPa14.0014.000.00
给水温度/℃272.20272.240.02
额定功率/MW300.00301.500.50
热耗/[kJ/(kW·h)]8 182.408 065.60-1.43

新窗口打开| 下载CSV


2.2 机组的边界条件

1)抽汽位置选择汽轮机第5级回热抽汽。

2)低压缸总进汽流量不小于机组主汽流量的35%,即低压缸总进汽流量不小于328.00 t/h。

3)主汽在阀门全开(valves wide open,VWO)工况下所能达到的最大主汽流量为1 068.82 t/h,在分析所有工况条件下,特别是高负荷时,主汽流量不应超过1 068.82 t/h。

4)供热蒸汽冷凝放热到抽汽级压力下的饱和温度。

5)案例机组最低生产负荷≥97.00 MW。

本文后续研究内容均是在满足以上边界条件的基础上开展。

2.3 热电解耦方案

为解决供热地区电力消费与储存的问题,需要降低热电联产机组的热电耦合程度,即当热电联产机组的供热负荷保持不变时,机组发电负荷越低,允许可再生能源电力接入能源网络的空间就越大。

为了评价机组的热电解耦能力,利用一定供热负荷下,热电联产机组的最小发电负荷和最大热电比作为衡量标准。因为用热和用电需求的变化,也将导致机组的热电比的变化,所以考虑到热电联产机组的安全性和经济性,热电比的变化有一定的约束条件。在可再生能源丰富的地区,需要通过提高热电联产机组的热电比,来提高热电联产机组的热电耦合能力[13-15]。本文采用低压缸零出力、高背压下抽汽联合乏汽供热和压缩式热泵解耦3种方案进行讨论[16-17]

2.3.1 低压缸零出力(方案1)

采用低压缸零出力方案,以达到更高的供热负荷[18-19]。在本方案中,低压缸进汽被阻断,少部分蒸汽由新增的旁路进入低压缸,用于冷却低压转子转动产生的鼓风热量,其他蒸汽全部用于供热,以满足用户热负荷需求,类似于背压式汽轮机组,冷却蒸汽在凝汽器中被冷凝。因低压缸被旁路,大量仍能继续做功的高温蒸汽直接被排入冷凝器,蒸汽做功减小,在同一蒸汽初温初压下,发电功率减小,从而实现机组的热电解耦。而在非供热期间,低压缸恢复正常进汽而正常做功发电[20-21]。低压缸零出力解耦热力系统图如图3所示。

图3

图3   低压缸零出力解耦热力系统图

Fig. 3   Decoupling thermodynamic system diagram of low pressure cylinder zero output


本方案计算限制条件如下:基础准工况为100%THA工况,低压缸只流过少部分的蒸汽用于冷却,大约为10.00 t/h[20]

2.3.2 高背压下抽汽联合乏汽供热(方案2)

为了达到更高的供热负荷,本方案采用高背压的乏汽预加热的方法。提高机组的乏汽压力可以提高乏汽温度,达到热网水预热的目的[22]。机组最高的乏汽压力是14.00 kPa,在此乏汽压力下,乏汽温度可以达到52.55 ℃[23]。新方案中,先加热热网水,再加热汽轮机抽汽以达到所需温度[21]。该方案下,因机组的背压升高,导致机组的乏汽温度也同步升高。升高的乏汽温度加热工厂用于供热的废水,更多的能量被用于供热,而非进入热力系统。在同一蒸汽初温初压下,发电功率减小,从而实现机组的热电解耦。高背压下联合乏汽供热解耦热力系统图如图4所示。

图4

图4   高背压下联合乏汽供热解耦热力系统图

Fig. 4   Diagram of decoupled thermal system for combined steam heating at high back pressure


本方案计算限制条件如下:基础准工况为100%THA工况,高背压调整后,乏汽压力是32.00 kPa,温度70.60 ℃[24]

2.3.3 压缩式热泵解耦(方案3)

本方案用压缩式热泵回收凝汽器冷却水的热量[25],以达到更高的供热负荷[26]。由于不抽取汽轮机的蒸汽,所以汽轮机可以在最低工况下运行(低压缸最小进汽时),同时为压缩式热泵提供驱动电能,达到更低的发电功率[27-28]。压缩式热泵解耦热力系统示意图如图5所示。

图5

图5   压缩式热泵解耦热力系统图

Fig. 5   Compression heat pump decoupling thermodynamic system diagram


本方案中选取基准工况如下:凝汽器循环冷却水进口温度为20.00 ℃,凝汽器的循环冷却水出口温度为44.40 ℃,蒸发器和冷凝器的传热端差忽略不计[17]

3 计算结果分析

3.1 低压缸零出力热电解耦改造分析

图6为低压缸零出力方案与案例仅从汽轮机第5级回热抽汽供热的热电特性和最低电负荷率对比。可以看出,最小发电负荷远小于原机组的发电负荷;低压缸零出力解耦的最低电负荷率远低于原机组。在供热负荷为20.00~180.00 MW时,由于最低生产负荷的限制,机组最小发电量需不小于97.00 MW;当供热负荷超过180.00 MW后,机组的最小发电量已经大于最低生产负荷97.00 MW,但又因低压缸进汽流量限制,无法继续降低至最低生产负荷97.00 MW。经改造,低压缸零出力方案与案例仅从汽轮机第5级回热抽汽作为热源相比,在原最大供热负荷304.60 MW下,改造前最低电负荷为266.99 MW,改造后最低电负荷可以达到152.73 MW,降低了114.26 MW;最低电负荷率为43.70%,降低了32.70%。另外,低压缸零出力方案所能达到的最大热负荷为435.31 MW,增加了130.71 MW。

图6

图6   低压缸零出力改造最低电负荷率与案例机组对比

Fig. 6   Comparison between the minimum electric load rate of zero output transformation of low pressure cylinder and the case unit


3.2 高背压下联合乏汽供热热电解耦改造分析

图7为高背压下联合乏汽供热方案与案例仅从汽轮机第5级回热抽汽供热的热电特性和最低电负荷率对比。可以看出,最小发电负荷远远小于原机组的发电负荷;高背压下联合乏汽供热方案解耦的最低电负荷率较原机组有所降低。经改造,高背压下联合乏汽供热方案与案例仅从汽轮机第5级回热抽汽供热作为热源相比,在原最大供热负荷304.60 MW下,改造前最低电负荷为267.00 MW,改造后最低电负荷可以达到249.90 MW,降低了17.10 MW;最低电负荷率为69.80%,降低了6.60%。另外,高背压下联合乏汽供热方案所能达到的最大热负荷为370.65 MW,增加了66.05 MW。

图7

图7   高背压下联合乏汽供热改造最低电负荷率与案例机组对比

Fig. 7   Comparison between the minimum electric load rate of the combined steam heating with high back pressure transformation and the case unit


3.3 压缩式热泵解耦改造分析

图8为压缩式热泵解耦方案与案例仅从汽轮机第5级回热抽汽供热的热电特性和最低电负荷率对比。可以看出,最小发电负荷远小于原机组的发电负荷;压缩式热泵解耦方案解耦的最低电负荷率较原机组有所降低。经改造,压缩式热泵解耦方案仅从汽轮机第5级回热抽汽供热与案例相比,在原最大供热负荷304.60 MW下,改造前最低电负荷为267.00 MW,改造后最低电负荷可以达到249.96 MW,降低了17.04 MW;最低电负荷率为71.50%,降低了4.90%。压缩式热泵解耦方案所能达到的最大热负荷为342.80 MW,增加了38.00 MW。

图8

图8   压缩式热泵解耦改造最低电负荷率与案例机组对比

Fig. 8   Comparison of the minimum electric load rate of the decoupling of the compression heat pump with the case unit


3.4 3种解耦方案对比

对于火电机组改造,不同热电解耦改造方式下最大抽汽热负荷增量对比如图9所示。

图9

图9   不同热电解耦改造方案下最大抽汽热负荷增量对比

Fig. 9   Comparison diagram of maximum extraction heat load increment under different thermoelectric decoupling transformation modes


3种热电解耦方案改造后,在原最大供热负荷304.60 MW下,方案1、2、3最低电负荷从324.94 MW分别降低到152.73、249.90、249.96 MW;在50%热负荷下(150.00 MW),方案1、2、3最低电负荷从204.95 MW分别降低到97.00、199.63、191.44 MW;在0%热负荷下(无抽汽),方案1、2、3最低电负荷从152.76 MW分别降低到97.00、150.34、144.66 MW。不同热电解耦改造方案下最小发电量增量对比如图10所示。

图10

图10   不同热电解耦改造方案下最小发电量增量对比

Fig. 10   Comparison diagram of minimum generation increment under different thermoelectric decoupling transformation schemes


同理,从改造后降低的电负荷率来看,3种热电解耦方案改造后,在原最大供热负荷304.60 MW下,方案1、2、3最低电负荷率从76.40%分别降低到43.70%、69.80%、71.50%,低压缸零出力方案由于最低生产负荷限制,方案1、2、3最低电负荷率为27.70%;在50%热负荷下(150.00 MW),最低电负荷率从58.60%分别降低到27.70%、57.70%、54.80%;在0%热负荷下(无抽汽),方案1、2、3最低电负荷率分别从43.70%分别降低到27.70%、43.60%、41.10%。不同热电解耦改造方案的最低电负荷率增量对比如图11所示。

图11

图11   不同热电解耦改造方案的最低电负荷率增量对比

Fig. 11   Comparison diagram of minimum charge rate increment for different thermoelectric decoupling schemes


4 结论

通过对某300 MW热电机组开展热电解耦改造,分析评估了不同热电解耦改造技术方案下机组调峰负荷空间。对比了不同方案下机组与原机组的最小发电量、最低电负荷率的变化,得出以下结论:

1)在同一抽汽热负荷下,低压缸零出力改造方案对比案例机组有着更大的调峰空间。在原最大抽汽热负荷下,最小发电量下降了172.21 MW,最低电负荷率下降了32.70%。

2)低压缸零出力的热电解耦改造方案可以显著提高热电机组与新能源机组的协调调峰能力,提高发电单元整体发电的稳定性。在火电机组需要进行热电解耦改造时,低压缸零出力改造为最优选择。

参考文献

YUAN SDAI CGUO Aet al

A novel multi-objective robust optimization model for unit commitment considering peak load regulation ability and temporal correlation of wind powers

[J].Electric Power Systems Research,2019169115-123doi:10.1016/j.epsr.2018.12.032

[本文引用: 1]

吕志盛闫立伟罗艾青

新能源发电并网对电网电能质量的影响研究

[J].华东电力,201240(2):251-256

LV Z SYAN L WLUO A Qet al

Impact of new energy power grid-integration on grid power quality

[J].East China Electric Power,201240(2):251-256

宣文博李慧刘忠义

一种基于虚拟电厂技术的城市可再生能源消纳能力提升方法

[J].发电技术,202142(3):289-297doi:10.12096/j.2096-4528.pgt.20104

XUAN W BLI HLIU Z Yet al

A method for improving the accommodating capability of urban renewable energy based on virtual power plant technology

[J].Power Generation Technology,202142(3):289-297doi:10.12096/j.2096-4528.pgt.20104

杨立滨张磊刘艳章

基于分布式框架的新能源场站并网性能评估

[J].电力建设,202243(5):137-144doi:10.12204/j.issn.1000-7229.2022.05.015

[本文引用: 1]

YANG L BZHANG LLIU Y Zet al

Grid-connection performance evaluation of renewable energy station under distributed framework

[J].Electric Power Construction,202243(5):137-144doi:10.12204/j.issn.1000-7229.2022.05.015

[本文引用: 1]

HOWLADER H O RSEDIQI M MIBRAHIMI A Met al

Optimal thermal unit commitment for solving duck curve problem by introducing CSP,PSH and demand response

[J].IEEE Access,201864834-4844doi:10.1109/access.2018.2790967

[本文引用: 1]

SHI YLI YZHOU Yet al

Optimal scheduling for power system peak load regulation considering short-time startup and shutdown operations of thermal power unit

[J].International Journal of Electrical Power & Energy Systems,2021131107012doi:10.1016/j.ijepes.2021.107012

[本文引用: 2]

于国强刘克天胡尊民

大规模新能源并网下火电机组深度调峰优化调度

[J].电力工程技术, 202342(1):243-250doi:10.12158/j.2096-3203.2023.01.029

[本文引用: 1]

YU G QLIU K THU Z Met al

Optimal scheduling of deep peak regulation for thermal power units in power grid with large-scale new energy

[J].Electric Power Engineering Technology,202342(1):243-250doi:10.12158/j.2096-3203.2023.01.029

[本文引用: 1]

LEVIHN F

CHP and heat pumps to balance renewable power production:lessons from the district heating network in Stockholm

[J].Energy,2017137670-678doi:10.1016/j.energy.2017.01.118

[本文引用: 1]

祝令凯王为帅张海静

自备电厂在未来综合能源领域的应用展望

[J].山东电力技术,202249(2):12-16doi:10.3969/j.issn.1007-9904.2022.02.003

ZHU L KWANG W SZHANG H Jet al

Application prospect of self-contained power plant in the future comprehensive energy field

[J].Shandong Electric Power,202249(2):12-16doi:10.3969/j.issn.1007-9904.2022.02.003

张慧帅

600 MW热电联产机组利用热网蓄能特性的灵活性研究

[D].北京华北电力大学2019doi:10.15407/fm26.01.197

[本文引用: 1]

ZHANG H S

Research on flexibility of 600 MW cogeneration units using thermal network energy storage characteriistics

[D].BeijingNorth China Electric Power University2019doi:10.15407/fm26.01.197

[本文引用: 1]

武进

冷热电联供系统热电解耦方案及性能分析

[D].北京华北电力大学2021

[本文引用: 1]

WU J

Thermoelectric decoupling scheme and performance analysis of combined cooling heating and power system

[D].BeijingNorth China Electric Power University2021

[本文引用: 1]

朱泓逻

基于Ebsilon的火电厂热力系统建模、监测及优化研究

[D].北京清华大学2015

[本文引用: 1]

ZHU H L

The research of modeling,monitoring and optimizing for thermal system of thermal power plant based on ebsilon

[D].BeijingTsinghua University2015

[本文引用: 1]

LIU MMA GWANG Set al

Thermo-economic comparison of heat-power decoupling technologies for combined heat and power plants when participating in a power-balancing service in an energy hub

[J].Renewable and Sustainable Energy Reviews,2021152111715doi:10.1016/j.rser.2021.111715

[本文引用: 1]

李树明刘青松朱小东

350 MW超临界热电联产机组灵活性改造分析

[J].发电技术,201839(5):449-454doi:10.12096/j.2096-4528.pgt.2018.069

LI S MLIU Q SZHU X Det al

Flexibility transformation analysis of 350 MW supercritical cogeneration unit

[J].Power Generation Technology,201839(5):449-454doi:10.12096/j.2096-4528.pgt.2018.069

王林伍刚张亚夫

1 000 MW深度调峰机组热力系统优化研究

[J].发电技术,201940(3):265-269doi:10.12096/j.2096-4528.pgt.18178

[本文引用: 1]

WANG LWU GZHANG Y Fet al

Thermodynamic system optimization research on 1 000 MW deep peak-regulating unit

[J].Power Generation Technology,201940(3):265-269doi:10.12096/j.2096-4528.pgt.18178

[本文引用: 1]

唐树芳王丰吉唐郭安

200 MW热电联产机组火电灵活性供热改造分析

[J].工程技术研究,20227(6):110-112

[本文引用: 1]

TANG S FWANG F JTANG G Aet al

Analysis of thermal power flexible heating retrofit for 200 MW cogeneration units

[J].Engineering Technology Study,20227(6):110-112

[本文引用: 1]

薛永明池晓张秋丹

电厂循环冷却水余热供暖方式的经济性分析

[C]//2019供热工程建设与高效运行研讨会(上海)2019208-214

[本文引用: 2]

XUE Y MCHI XZHANG Q D

Economic benefit analysis of several methods of utilizing circulating cooling water in heating system in power plant

[C]//2019 Seminar on Construction and Efficient Operation of Heat Supply Projects(Shanghai)2019208-214

[本文引用: 2]

陈建国谢争先付怀仁

300 MW机组汽轮机低压缸零出力技术

[J].热力发电,201847(5):106-110doi:10.19666/j.rlfd.201712162

[本文引用: 1]

CHEN J GXIE Z XFU H Ret al

Zero output technology of the low-pressure cylinder of 300 MW unit turbine

[J].Thermal Power Generation,201847(5):106-110doi:10.19666/j.rlfd.201712162

[本文引用: 1]

ZHAO XLI AZHANG Yet al

Performance improvement of low-pressure cylinder in high back pressure steam turbine for direct heating

[J].Applied Thermal Engineering,2021182116170doi:10.1016/j.applthermaleng.2020.116170

[本文引用: 1]

鄂志君张利杨帮宇

低压缸零出力实现热电联产机组热电解耦与节能的理论研究

[J].汽轮机技术,201961(5):383-386doi:10.3969/j.issn.1001-5884.2019.05.017

[本文引用: 2]

E Z JZHANG LYANG B Yet al

Theoretical study on heat-electricity decoupling and energy saving of low-pressure cylinder zero output renovation of heat and power cogeneration units

[J].Turbine Technology,201961(5):383-386doi:10.3969/j.issn.1001-5884.2019.05.017

[本文引用: 2]

张猛

深度调峰工况下供热机组状态监测与控制优化

[D].北京华北电力大学2020

[本文引用: 2]

ZHANG M

Condition monitoring and optimization of control system for heating units under deep peak load regulation

[D].BeijingNorth China Electric Power University2020

[本文引用: 2]

CHEN HXIAO YXU Get al

Energy-saving mechanism and parametric analysis of the high back-pressure heating process in a 300 MW coal-fired combined heat and power unit

[J].Applied Thermal Engineering,2019149829-840doi:10.1016/j.applthermaleng.2018.12.001

[本文引用: 1]

ZHAO SDU XGE Zet al

Cascade utilization of flue gas waste heat in combined heat and power system with high back-pressure (CHP-HBP)

[J].Energy Procedia,201610427-31doi:10.1016/j.egypro.2016.12.006

[本文引用: 1]

肖瑶

高背压供热机组节能分析与运行优化

[D].北京华北电力大学2019

[本文引用: 1]

XIAO Y

Energy-saving analysis and operation optimization of the high back-pressure heating process in a combined heat and power unit

[D].BeijingNorth China Electric Power University2019

[本文引用: 1]

郭小丹胡三高杨昆

热泵回收电厂循环水余热利用问题研究

[J].现代电力,201027(2):58-61doi:10.3969/j.issn.1007-2322.2010.02.014

[本文引用: 1]

GUO X DHU S GYANG Ket al

Research on waste heat recovery of circulating water in power plant by heat pump technology

[J].Modern Electric Power,201027(2):58-61doi:10.3969/j.issn.1007-2322.2010.02.014

[本文引用: 1]

吴佐莲刘小春王萌

利用热泵技术回收热电厂余热的可行性与经济性分析

[J].山东农业大学学报(自然科学版),200839(1):62-68

[本文引用: 1]

WU Z LLIU X CWANG Met al

The feasibility and economy analysis of the usage of the heat pump technique to reclaim waste heat in heat power plant

[J].Joumal of Shandong Agiculcural University (Natrural Science),200839(1):62-68

[本文引用: 1]

张虎巩志强

两种热泵回收循环水热量的经济性分析

[J].山东电力技术,202249(3):71-75doi:10.3969/j.issn.1007-9904.2022.03.013

[本文引用: 1]

ZHANG HGONG Z Q

Economic analysis on recycling water heat by two kinds of heat pump

[J].Shandong Electric Power,202249(3):71-75doi:10.3969/j.issn.1007-9904.2022.03.013

[本文引用: 1]

JIANG JHU BGE Tet al

Comprehensive selection and assessment methodology of compression heat pump system

[J].Energy,2022241122831doi:10.1016/j.energy.2021.122831

[本文引用: 1]

/