深度调峰背景下火电机组热电解耦技术路径对比分析 |
| 郑淇薇, 王华霆, 陈衡, 潘佩媛, 徐钢 |
|
Analysis on Thermoelectric Decoupling Technology Paths for Thermal Power Units Under the Background of Deep Peak-Shaving |
| Qiwei ZHENG, Huating WANG, Heng CHEN, Peiyuan PAN, Gang XU |
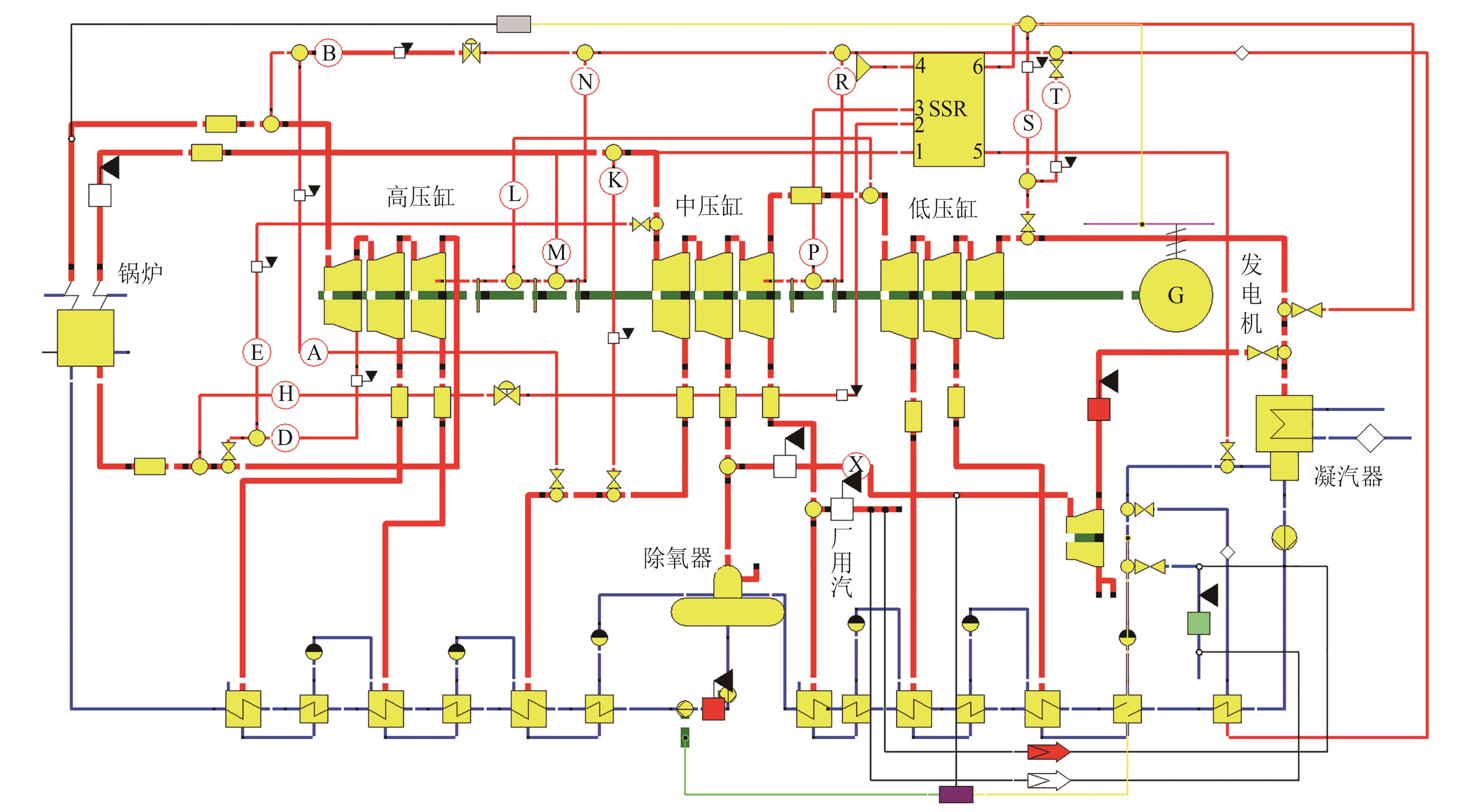
| 图2 案例机组Ebsilon模型 |
| Fig. 2 Ebsilon model of the case unit |
|