0 引言
为实现“碳达峰、碳中和”目标,我国能源生产将向新能源深度转型[1 -2 ] 。根据国家能源研究院预测,到2050年,新能源发电占比将达到75%以上,其中风、光能源的发电量占比将达到40%左右[3 ] 。而风、光能源出力具有间歇性和不确定性的特点,给电力系统的运行带来了不利影响[4 -5 ] 。此外,随着社会经济的迅猛发展,负荷用电量也快速增加,导致用电高峰时期系统供需不平衡[6 -7 ] 。传统的电力系统调控方法主要依靠火电机组,但其调节速度和范围有限,难以适应新型电力系统下的调控需求[8 ] 。因此,综合更多的可调资源参与到系统的运行中,成为当前研究的热点[9 -11 ] 。
需求响应是指电力用户根据电力市场的价格、激励信号做出响应,改变原有的用电计划[12 ] 。需求响应具有显著的经济效益和社会效益,对于电力用户,可以提高用户的经济收益;对于电网企业,可以抑制负荷波动,提高新能源的消纳[13 ] 。目前,在我国江苏、上海和山东等地展开了需求响应相关试点工作,并取得了初步的成效[14 ] 。国内外学者也对需求响应调控策略展开了大量的研究,如:文献[15 ]提出了一种工业及中小型用户需求响应的日前调度策略,挖掘了不同用户的需求响应潜力,并提高了风电的消纳能力;文献[16 ]分析了农业负荷的需求响应特性,提出了基于鲁棒优化的农业负荷需求响应日前调度策略;文献[17 ]针对风光出力不确定性,在考虑电价与负荷响应相关性的基础上,提出了微电网的日前优化调度方法,提高了新能源利用率和用户满意度的同时,降低了微网的综合运行成本;文献[18 ]研究了不同类型建筑聚合商的需求响应特性,并建立了日前调度优化模型。上述文献将需求响应调度集中在日前进行,忽略了不同类型负荷的多时间尺度特性,以及新能源和负荷预测精度从日前到日内逐步提高的特点[19 ] ,因此难以挖掘各种负荷的需求响应潜力。
储能系统(energy storage system,ESS)是新型电力系统的关键组成部分,其能有效解决风-光能源出力间歇性和波动性带来的问题,并且可以提高电力负荷的用电质量,降低用电成本[20 ] 。目前,在ESS调度策略方面已有许多研究成果,如:文献[21 ]提出一种ESS在可再生能源供电区域电网中的协同调度策略,实现了可再生能源的最大化利用及最优分配,并改善了系统的电压分布;文献[22 ]提出一种考虑ESS健康状态的微网多时间尺度调度策略,在有效平抑母线功率的同时,提高了ESS的运行寿命;文献[23 ]提出了一种基于电-热联合储能的弃风消纳调度方法,利用电-热联合ESS的调控特性,实现能量在时空尺度上的平移,进而促进对风电的消纳。
上述研究成果突显了需求响应和ESS在提高系统可靠性和促进新能源消纳上的重要作用。为此,本文提出一种考虑需求响应的源-荷-储多时间尺度协同优化调度策略,并采用改进IEEE-30节点系统进行仿真计算,验证所提策略的可行性和有效性。
1 滚动调度模型基本框架
图1 为多时间尺度需求响应滚动调度总体框架。本文采用多时间尺度滚动优化策略,将整体调度分为日前调度和日内调度2个阶段。其中,日前调度每24 h执行一次,优化周期为24 h;日内调度每1 h执行一次,优化周期为1 h。
图1
图1
多时间尺度需求响应滚动调度总体框架
Fig. 1
Overall framework for multi-time scale demand response rolling scheduling
1)常规火电机组。由于常规火电机组具有较长的开停机时间[24 ] ,因此其开停机状态在日前调度确定,具体出力可在日内调度确定。
2)需求响应资源。根据负荷特性不同,可将负荷分为以下2种:
①可转移型负荷(简称A类负荷)。根据电网调控需求,将负荷转移至另一时间段,一天中总负荷量保持不变。
②可增减型负荷(简称B类负荷)。根据电网调控需求,可以增减部分用电功率。
其中,可转移型负荷需求响应量在日前确定,提前通知时间为24 h;可增减型负荷需求响应量在日内确定,提前通知时间为1 h。
3)ESS。根据ESS特性[25 ] ,其充放电状态和功率在日前确定。
2 多时间尺度滚动调度模型
由于源-荷具有不确定性,传统的优化调度具有一定局限性,因此本文在日前、日内调度中采用多场景随机规划[26 ] 的方法。多场景随机规划的主要思想是:使决策变量在多个场景下都能满足要求,并且选择使期望成本之和最小的调度策略。
2.1 日前调度模型
2.1.1 日前调度目标函数
日前调度的目标函数是使调度运行成本之和最小,具体表达式如下:
m i n F D A = ∑ s = 1 N S ∑ g = 1 N G N ∑ t = 1 N T [ π s C ( P s , g , t G ) + U g , t + D g , t ] + ∑ a = 1 N A N ∑ t = 1 N T ( m a A + P a , t A D R + + m a A - P a , t A D R - ) + ∑ i = 1 N I ∑ t = 1 N T m i S ( P i , t S D + P i , t S C ) + ∑ s = 1 N S ∑ t = 1 N T π s ( m W c u t P s , t W c u t + m P V c u t P s , t P V c u t ) + ∑ s = 1 N S ∑ t = 1 N T ( π s m L c u t P s , t L c u t ) (1)
式中:F D A 为多场景下日前调度运行成本之和;N S 为场景个数;N G N 为常规火电机组的数量;N T 为调度时段长度;N A N 为A类负荷的数量;N I 为储能系统的个数;π s 为第s 个场景发生的概率;P s , g , t G 、C ( P s , g , t G ) 分别为第g 个火电机组在s 场景t 时段下的输出功率和发电成本;U g , t 、D g , t 分别为第g 个火电机组在t 时段的启、停成本;m a A + 、m a A - 分别为第a 个A类负荷增加和减少负荷的单位补偿价格;P a , t A D R + 、P a , t A D R - 分别为在t 时段第a 个A类负荷增加和减少负荷的功率;P i , t S C 、P i , t S D 分别为第i 个ESS在t 时段的充电、放电功率;m i S 为第i 个ESS的充放电费用;m W c u t 、m P V c u t 和m L c u t 分别为弃风、弃光和失负荷惩罚价格;P s , t W c u t 、P s , t P V c u t 和P s , t L c u t 分别为在s 场景t 时段下的弃风、弃光和失负荷的功率。
2.1.2 日前调度约束条件
P s , t S - L + ∑ g = 1 N G N P s , g , t G - P s , t W c u t - P s , t P V c u t - ∑ i = 1 N I ( P i , t S C - P i , t S D ) = ∑ a = 1 N A N ( P a , t A D R + - P a , t A D R - ) - P s , t L c u t (2)
式中P s , t S - L 为日前第s 个场景在t 时段下新能源出力减去负荷功率。
u g , t G P g G m i n ≤ P s , g , t G ≤ u g , t G P g G m a x (3)
式中:P g G m i n 、P g G m a x 分别为第g 个火电机组出力的最小、最大值;u g , t G 为第g 个火电机组在t 时段的开停机状态。
R g G D ≤ P s , g , t G - P s , g , t - 1 G ≤ R g G U (4)
式中R g G D 、R g G U 分别为第g 个火电机组最小、最大爬坡速率。
发电机组运行过程中不能频繁开停机,其最小开停机时间约束条件如下:
∑ k = t t + T o n m i n , g G - 1 u g , k G ≥ T o n m i n , g G ( u g , t G - u g , t - 1 G ) (5)
∑ k = t t + T o f f m i n , g G - 1 u g , k G ≥ T o f f m i n , g G ( u g , t - 1 G - u g , t G ) (6)
式中T o n m i n , g G 和T o f f m i n , g G 分别为第g 个发电机组的最小开机和停机时间。
∑ t = 1 N T ( P a , t A D R + + P a , t A D R - ) = 0 (7)
0 ≤ P a , t A D R + ≤ P a , t A m a x + (8)
0 ≤ P a , t A D R - ≤ P a , t A m a x - (9)
式中P a , t A m a x + 、P a , t A m a x - 分别为t 时段下A类负荷可以参与需求响应的最大增、减功率。
u i , t S C + u i , t S D ≤ 1 (10)
u i , t S C P i , m i n S C ≤ P i , t S C ≤ u i , t S C P i , m a x S C (11)
u i , t S D P i , m i n S D ≤ P i , t S D ≤ u i , t S D P i , m a x S D (12)
E i , t + 1 E S = E i , t E S + α c P i , t S C - α d P i , t S D (13)
E i , m i n E S ≤ E i , t E S ≤ E i , m a x E S (14)
式中:u i , t S C 、u i , t S D 分别为第i 个储能装置在t 时段的充、放电状态;E i , t E S 为第i 个储能装置在t 时段的储电容量;P i , m a x S C 、P i , m i n S C 分别为第i 个储能装置充电功率最大、最小值;P i , m a x S D 、P i , m i n S D 分别为第i 个储能装置放电功率最大、最小值;α c 、α d 分别为充、放电系数;E i , m a x E S 、E i , m i n E S 分别为第i 个储能装置容量的上下限。
E i , 0 E S = E i , T E S (15)
式中E i , 0 E S 和E i , T E S 分别为第i 个储能装置在调度周期内容量的初值和终值。
0 ≤ P s , t W c u t ≤ P t W f o r e c a s t (16)
0 ≤ P s , t P V c u t ≤ P t P f o r e c a s t (17)
0 ≤ P s , t L c u t ≤ P t L f o r e c a s t (18)
式中P t W f o r e c a s t 、P t P f o r e c a s t 和P t L f o r e c a s t 分别为风电、光伏和负荷功率在t 时段的日前预测值。
2.2 日内调度模型
2.2.1 日内调度目标函数
日内调度同样采用多场景随机规划方法,具体表达式如下:
m i n F I D = 1 4 [ ∑ g = 1 N G N ∑ t = 1 N T C ( P g , t G ) + ∑ b = 1 N B N ∑ t = 1 N T ( m b B + P b , t B D R + + m b B - P b , t B D R - ) + ∑ s = 1 N S ∑ t = 1 N T ( π s m W c u t P s , t W c u t ) + ∑ s = 1 N S ∑ t = 1 N T ( π s m P V c u t P s , t P V c u t ) + ∑ s = 1 N S ∑ t = 1 N T ( π s m L c u t P s , t L c u t ) ] (19)
式中:F I D 为日内运行成本;P g , t G 为t 时段发电机g 的功率;N B N 为B类负荷的数量;m b B + 、m b B - 分别为第b 个B类负荷增加和减少负荷的单位补偿价格;P b , t B D R + 、P b , t B D R - 分别为第b 个B类负荷在t 时段增加和减少负荷的功率。由于日内调度的分辨率为15 min,因此在式(19)中计算成本时需要乘以1/4。
2.2.2 日内调度约束条件
P s , t S - L ' + ∑ g = 1 N G N P g , t G - P s , t W c u t - P s , t P V c u t = ∑ b = 1 N A N ( P b , t B D R + - P b , t B D R - ) - P s , t L c u t (20)
式中P s , t S - L ' 为日内第s 个场景在t 时段下新能源出力减去负荷功率,具体表达式如下:
P s , t S - L ' = P s , t S ' - P s , t L ' - ∑ i = 1 N I ( P i , t S C - P i , t S D ) - ∑ a = 1 N A N ( P a , t A D R + - P a , t A D R - ) (21)
式中P s , t S ' 、P s , t L ' 分别为日内第s 个场景在t 时段的新能源出力、负荷功率;∑ i = 1 N I ( P i , t S C - P i , t S D ) 和∑ a = 1 N A N ( P a , t A D R + - P a , t A D R - ) 分别为t 时段日前储能系统充放电策略和A类负荷需求响应策略。
u g , t G P g G m i n ≤ P g , t G ≤ u g , t G P g G m a x (22)
R g G D ≤ P g , t G - P g , t - 1 G ≤ R g G U (23)
0 ≤ P b , t B D R + ≤ P b , t B m a x + (24)
0 ≤ P b , t B D R - ≤ P b , t B m a x - (25)
式中P b , t B m a x + 、P b , t B m a x - 分别为第b 个B类负荷在t 时段可以参与需求响应的最大增、减负荷功率。
0 ≤ P s , t W c u t ≤ P t W f o r e c a s t ' (26)
0 ≤ P s , t P V c u t ≤ P t P f o r e c a s t ' (27)
0 ≤ P s , t L c u t ≤ P t L f o r e c a s t ' (28)
式中P t W f o r e c a s t ' 、P t P f o r e c a s t ' 和P t L f o r e c a s t ' 分别为风电、光伏和负荷功率在t 时段的日内预测值。
3 算例分析
3.1 算例说明
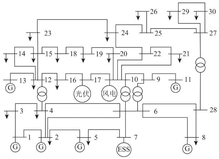
本文采用改进IEEE-30节点系统进行仿真分析,系统结构如图2 所示,火电机组参数见文献[27 ]。节点7为ESS,具体参数如表1 所示;节点16为光伏电站,容量为200 MW;节点17为风电场,容量为200 MW;系统中总负荷为600 MW,A类负荷、B类负荷的容量不超过总负荷的5%,调控费用分别为80元/(MW⋅h)与200元/(MW⋅h)。采用Gurobi软件对模型进行求解。
图2
图2
IEEE-30节点系统结构图
Fig. 2
Structure diagram of IEEE-30 node system
系统日负荷功率、风光出力如图3 所示,由于风、光和负荷的预测误差服从正态分布[28 ] ,设置风光能源日前、日内预测误差分别为15%、3%,负荷出力日前、日内预测误差分别为10%、2%,采用蒙特卡洛法进行场景生成[29 ] 。
图3
图3
负荷功率、风光出力曲线
Fig. 3
Load power and scenery output curves
3.2 调度结果分析
3.2.1 日前调度分析
图4 为A类负荷和储能系统的调度曲线。可以看出,在15:00—24:00负荷功率较高,而新能源出力较少,供电侧出力无法满足需求侧,因此A类负荷进行减负荷。储能系统在16:00—24:00进行放电,以满足系统功率平衡需求。为满足A类负荷日用电量总量不变约束,在00:00—15:00进行增负荷。为满足储能系统在调度期间充、放总量相同,在09:00—13:00进行充电。
图4
图4
A类负荷和储能系统调度曲线
Fig. 4
Scheduling curves of class A load and ESS
3.2.2 日内调度分析
图5 为B类负荷和火电机组调度曲线。可以看出,经过日前调度后,在17:00—19:00存在供电侧出力无法满足需求侧功率的现象,因此,在该时段火电机组处于满功率运行状态,B类负荷进行减负荷,保证了系统的可靠运行。
图5
图5
B类负荷和火电机组调度曲线
Fig. 5
Scheduling curves of class B load and thermal power unit
3.3 不同调控策略对比分析
为了验证所提策略(简称策略1)的优越性,设计2种调控策略进行对比分析,即无需求响应资源参与(简称策略2)和所有调度资源均在日前调度(简称策略3)。表2 为不同策略的调度结果对比。
由表2 可知,在3种调度策略下,策略1的总运行成本最低,其次是策略2,策略3的总运行成本最高,其中火电机组运行成本相差不大。当无需求响应资源参与时,虽然弃新能源成本相比于策略1降低了9 997.73元,但失负荷成本却增加了122 069.55元,而储能成本与策略1相同,由此可知,在需求响应资源参与下,系统降低了失负荷的风险,有利于系统的可靠运行。采用策略3时,调控的需求响应资源成本相较策略1共下降了50 195.48元,但储能、弃新能源和失负荷成本却分别增加了4 894.32、35 836.42和310 179.42元,由此可知,采用多时间尺度滚动调度的方法可以较好地发挥需求响应资源的调度潜力,提高系统运行的经济性和可靠性。综合以上分析可知,本文所提调度策略的调度效果最好。
3.4 不同建模方法对比分析
为了验证多场景随机规划法(简称方法1)的适用性,本文将其与机会约束法(简称方法2)、鲁棒优化法(简称方法3,选择新能源出力最少、负荷功率最高作为最恶劣场景)进行对比分析。表3 为不同建模方法的优化结果对比。
由表3 可知,方法1的系统总运行成本最低,其次是方法2,方法3的总运行成本最高。对于方法2,火电机组、储能成本与方法1相差不大,需求响应、弃新能源成本比方法1分别减少了12 334.12、40 519.07元,但失负荷成本增加了104 079.25元,不利于系统的可靠运行。这是由于与机会约束法相比,多场景随机规划法在描述风-光-荷不确定性上更细致,因此在不确定性调度上可以得到更优的结果。而鲁棒优化法在最恶劣的场景下进行调度,与方法1相比,储能成本相同,虽然在失负荷成本上减少了23 299.33元,但在弃新能源成本上增加了89 773.05元,由此可知,采用鲁棒优化法无法保证系统运行的经济性。综合以上分析可知,采用多场景随机规划法调度效果最好。
4 结论
1)相较于源-储协同调度策略,源-荷-储协调优化调度策略可以提高运行的经济性并增加用户的收入,实现供电公司和用电负荷的双赢。
2)采用多时间尺度滚动调度方式对源-网-荷调度资源进行合理控制,可以充分利用不同时间尺度的预测结果,提高调度策略的有效性,与将所有调度资源在日前阶段进行调度的策略相比,所提策略可以更好挖掘不同资源的调度潜力,提高系统运行的可靠性和经济性。
3)采用多场景随机规划法建立的滚动调度模型,相较于机会约束法和鲁棒优化法,可以在保证系统可靠性的前提下兼顾运行的经济性。
参考文献
View Option
[1]
[本文引用: 1]
JIANG H L , LIU Y X , FENG Y M ,et al .Analysis of power generation technology trends in the context of carbon peaking and carbon neutrality in the 14th Five-Year Plan period
[J].Power Generation Technology ,2022 ,43 (1 ):54 -64 . doi:10.12096/j.2096-4528.pgt.21030
[本文引用: 1]
[2]
李晖 ,刘栋 ,姚丹阳 .面向碳达峰碳中和目标的我国电力系统发展研判
[J].中国电机工程学报 ,2021 ,41 (18 ):6245 -6259 .
[本文引用: 1]
LI H , LIU D , YAO D Y .Research and judgment on the development of China’s power system towards the goal of carbon peak and carbon neutrality
[J].Proceedings of the CSEE ,2021 ,41 (18 ):6245 -6259 .
[本文引用: 1]
[4]
苏向敬 ,刘一航 ,张知宇 ,等 .计及源荷不确定影响的不平衡配电网两阶段优化
[J].电力系统保护与控制 ,2022 ,50 (23 ):94 -103 .
[本文引用: 1]
SU X J , LIU Y H , ZHANG Z Y ,et al .Two-stage optimization of unbalanced distribution networks considering impacts of DG and load uncertainties
[J].Power System Protection and Control ,2022 ,50 (23 ):94 -103 .
[本文引用: 1]
[5]
[本文引用: 1]
CAI S R , SHEN L , JIANG L ,et al .Study on source-network-demand coordinated expansion planning of the power system considering hydro-wind-solar complementary and chance constraints
[J].Power System and Clean Energy ,2022 ,38 (11 ):134 -145 . doi:10.3969/j.issn.1674-3814.2022.11.016
[本文引用: 1]
[7]
程松 ,周鑫 ,任景 ,等 .面向多级市场出清的负荷聚合商联合交易策略
[J].电力系统保护与控制 ,2022 ,50 (20 ):158 -167 .
[本文引用: 1]
CHENG S , ZHOU X , REN J ,et al .Bidding strategy for load aggregators in a multi-stage electricity market
[J].Power System Protection and Control ,2022 ,50 (20 ):158 -167 .
[本文引用: 1]
[10]
HU R , QIU X Y , ZHANG Z R .Two-stage reactive power optimization for distribution network considering reactive power margin
[J].Electric Power Construction ,2021 ,42 (9 ):129 -139 . doi:10.12204/j.issn.1000-7229.2021.09.014
[11]
蒙志全 ,楼贤嗣 ,时涵 ,等 .面向电力系统调度需求的负荷资源调控技术研究综述
[J].浙江电力 ,2022 ,41 (8 ):31 -40 .
[本文引用: 1]
MENG Z Q , LOU X S , SHI H ,et al .A review of load resource scheduling and control geared to the needs of power system scheduling
[J].Zhejiang Electric Power ,2022 ,41 (8 ):31 -40 .
[本文引用: 1]
[15]
杨昆 ,杨涵庚 ,夏能弘 ,等 .联合工业及中小型用户需求响应的日前调度优化研究
[J].电测与仪表 ,2021 ,58 (11 ):107 -112 .
[本文引用: 1]
YANG K , YANG H G , XIA N H ,et al .Research on day ahead scheduling optimization of demand response of united industry and small and medium-sized users
[J].Electrical Measurement & Instrumentation ,2021 ,58 (11 ):107 -112 .
[本文引用: 1]
[16]
GOLMOHAMADI H .Operational scheduling of responsive prosumer farms for day‐ahead peak shaving by agricultural demand response aggregators
[J].International Journal of Energy Research ,2020 ,45 (1 ):938 -960 . doi:10.1002/er.6017
[本文引用: 1]
[18]
何沁蔓 ,刘晓峰 ,王琦 ,等 .计及用电满意度优先级划分的负荷聚合商调度策略研究
[J].电网技术 ,2021 ,45 (7 ):2666 -2675 .
[本文引用: 1]
HE Q M , LIU X F , WANG Q ,et al .Research on load aggregator scheduling strategy considering priority division of power consumption satisfaction
[J].Power System Technology ,2021 ,45 (7 ):2666 -2675 .
[本文引用: 1]
[19]
[本文引用: 1]
YUAN Q , WU Y L , LI B ,et al .Model and methodology for multi-time scale rolling scheduling plan with source load uncertainty
[J].Power System Protection and Control ,2019 ,47 (16 ):8 -16 . doi:10.19783/j.cnki.pspc.181123
[本文引用: 1]
[20]
[本文引用: 1]
WANG H , LIANG D X , HAN X J .Overview of energy storage participating in the application of ubiquitous power Internet of things auxiliary services
[J].Power Generation Technology ,2021 ,42 (2 ):171 -179 . doi:10.12096/j.2096-4528.pgt.19184
[本文引用: 1]
[21]
[本文引用: 1]
MA R , LI X J , LI W Q ,et al .Cooperative scheduling strategy of energy storage system in renewable energy power supply regional power grid
[J].Power Generation Technology ,2021 ,42 (1 ):31 -39 . doi:10.12096/j.2096-4528.pgt.20027
[本文引用: 1]
[23]
崔杨 ,纪银锁 ,仲悟之 ,等 .基于电-热联合储能的弃风消纳调度方法
[J].太阳能学报 ,2021 ,42 (12 ):192 -199 .
[本文引用: 1]
CUI Y , JI Y S , ZHONG W Z ,et al .Optimal scheduling of integrated energy system with energy storage considering operational risk
[J].Acta Energiae Solaris Sinica ,2021 ,42 (12 ):192 -199 .
[本文引用: 1]
[25]
章姝俊 ,钱啸 ,白聪 ,等 .面向多应用场景的储能系统优化配置方法
[J].浙江电力 ,2022 ,41 (5 ):22 -31 .
[本文引用: 1]
ZHANG S J , QIAN X , BAI C ,et al .Optimal configuration method of energy storage system oriented to multi-application scenarios
[J].Zhejiang Electric Power ,2022 ,41 (5 ):22 -31 .
[本文引用: 1]
[26]
[本文引用: 1]
WANG H , AI Q , GAN L ,et al .Collaborative optimization of combined cooling, heating and power system based on multi scenario stochastic programming and MPC
[J].Automation of Electric Power System ,2018 ,42 (13 ):51 -58 . doi:10.7500/AEPS20171225002
[本文引用: 1]
[27]
崔杨 ,修志坚 ,刘闯 ,等 .计及需求响应与火-储深度调峰定价策略的电力系统双层优化调度
[J].中国电机工程学报 ,2021 ,41 (13 ):4403 -4415 .
[本文引用: 1]
CUI Y , XIU Z J , LIU C ,et al .Double level optimal dispatch of power system considering demand response and fire storage deep peak shaving pricing strategy
[J].Proceedings of the CSEE ,2021 ,41 (13 ):4403 -4415 .
[本文引用: 1]
[28]
崔杨 ,张家瑞 ,仲悟之 ,等 .考虑源-荷多时间尺度协调优化的大规模风电接入多源电力系统调度策略
[J].电网技术 ,2021 ,45 (5 ):1828 -1837 .
[本文引用: 1]
CUI Y , ZHANG J R , ZHONG W Z ,et al .Scheduling strategy for large-scale wind power access to multi-source power system considering coordinated optimization of source load multi time scales
[J].Power System Technology ,2021 ,45 (5 ):1828 -1837 .
[本文引用: 1]
[29]
YU X W , LIN C , HE L X ,et al .Photovoltaic generation scenario analysis considering irradiation uncertainty and output derating probability
[C]//2021 IEEE 5th Conference on Energy Internet and Energy System Integration .Taiyuan,China :IEEE ,2021 :997 -1003 . doi:10.1109/ei252483.2021.9712998
[本文引用: 1]
碳达峰、碳中和背景下“十四五”时期发电技术趋势分析
1
2022
... 为实现“碳达峰、碳中和”目标,我国能源生产将向新能源深度转型[1 -2 ] .根据国家能源研究院预测,到2050年,新能源发电占比将达到75%以上,其中风、光能源的发电量占比将达到40%左右[3 ] .而风、光能源出力具有间歇性和不确定性的特点,给电力系统的运行带来了不利影响[4 -5 ] .此外,随着社会经济的迅猛发展,负荷用电量也快速增加,导致用电高峰时期系统供需不平衡[6 -7 ] .传统的电力系统调控方法主要依靠火电机组,但其调节速度和范围有限,难以适应新型电力系统下的调控需求[8 ] .因此,综合更多的可调资源参与到系统的运行中,成为当前研究的热点[9 -11 ] . ...
碳达峰、碳中和背景下“十四五”时期发电技术趋势分析
1
2022
... 为实现“碳达峰、碳中和”目标,我国能源生产将向新能源深度转型[1 -2 ] .根据国家能源研究院预测,到2050年,新能源发电占比将达到75%以上,其中风、光能源的发电量占比将达到40%左右[3 ] .而风、光能源出力具有间歇性和不确定性的特点,给电力系统的运行带来了不利影响[4 -5 ] .此外,随着社会经济的迅猛发展,负荷用电量也快速增加,导致用电高峰时期系统供需不平衡[6 -7 ] .传统的电力系统调控方法主要依靠火电机组,但其调节速度和范围有限,难以适应新型电力系统下的调控需求[8 ] .因此,综合更多的可调资源参与到系统的运行中,成为当前研究的热点[9 -11 ] . ...
面向碳达峰碳中和目标的我国电力系统发展研判
1
2021
... 为实现“碳达峰、碳中和”目标,我国能源生产将向新能源深度转型[1 -2 ] .根据国家能源研究院预测,到2050年,新能源发电占比将达到75%以上,其中风、光能源的发电量占比将达到40%左右[3 ] .而风、光能源出力具有间歇性和不确定性的特点,给电力系统的运行带来了不利影响[4 -5 ] .此外,随着社会经济的迅猛发展,负荷用电量也快速增加,导致用电高峰时期系统供需不平衡[6 -7 ] .传统的电力系统调控方法主要依靠火电机组,但其调节速度和范围有限,难以适应新型电力系统下的调控需求[8 ] .因此,综合更多的可调资源参与到系统的运行中,成为当前研究的热点[9 -11 ] . ...
面向碳达峰碳中和目标的我国电力系统发展研判
1
2021
... 为实现“碳达峰、碳中和”目标,我国能源生产将向新能源深度转型[1 -2 ] .根据国家能源研究院预测,到2050年,新能源发电占比将达到75%以上,其中风、光能源的发电量占比将达到40%左右[3 ] .而风、光能源出力具有间歇性和不确定性的特点,给电力系统的运行带来了不利影响[4 -5 ] .此外,随着社会经济的迅猛发展,负荷用电量也快速增加,导致用电高峰时期系统供需不平衡[6 -7 ] .传统的电力系统调控方法主要依靠火电机组,但其调节速度和范围有限,难以适应新型电力系统下的调控需求[8 ] .因此,综合更多的可调资源参与到系统的运行中,成为当前研究的热点[9 -11 ] . ...
民用可控负荷参与需求响应的控制策略
1
2020
... 为实现“碳达峰、碳中和”目标,我国能源生产将向新能源深度转型[1 -2 ] .根据国家能源研究院预测,到2050年,新能源发电占比将达到75%以上,其中风、光能源的发电量占比将达到40%左右[3 ] .而风、光能源出力具有间歇性和不确定性的特点,给电力系统的运行带来了不利影响[4 -5 ] .此外,随着社会经济的迅猛发展,负荷用电量也快速增加,导致用电高峰时期系统供需不平衡[6 -7 ] .传统的电力系统调控方法主要依靠火电机组,但其调节速度和范围有限,难以适应新型电力系统下的调控需求[8 ] .因此,综合更多的可调资源参与到系统的运行中,成为当前研究的热点[9 -11 ] . ...
民用可控负荷参与需求响应的控制策略
1
2020
... 为实现“碳达峰、碳中和”目标,我国能源生产将向新能源深度转型[1 -2 ] .根据国家能源研究院预测,到2050年,新能源发电占比将达到75%以上,其中风、光能源的发电量占比将达到40%左右[3 ] .而风、光能源出力具有间歇性和不确定性的特点,给电力系统的运行带来了不利影响[4 -5 ] .此外,随着社会经济的迅猛发展,负荷用电量也快速增加,导致用电高峰时期系统供需不平衡[6 -7 ] .传统的电力系统调控方法主要依靠火电机组,但其调节速度和范围有限,难以适应新型电力系统下的调控需求[8 ] .因此,综合更多的可调资源参与到系统的运行中,成为当前研究的热点[9 -11 ] . ...
计及源荷不确定影响的不平衡配电网两阶段优化
1
2022
... 为实现“碳达峰、碳中和”目标,我国能源生产将向新能源深度转型[1 -2 ] .根据国家能源研究院预测,到2050年,新能源发电占比将达到75%以上,其中风、光能源的发电量占比将达到40%左右[3 ] .而风、光能源出力具有间歇性和不确定性的特点,给电力系统的运行带来了不利影响[4 -5 ] .此外,随着社会经济的迅猛发展,负荷用电量也快速增加,导致用电高峰时期系统供需不平衡[6 -7 ] .传统的电力系统调控方法主要依靠火电机组,但其调节速度和范围有限,难以适应新型电力系统下的调控需求[8 ] .因此,综合更多的可调资源参与到系统的运行中,成为当前研究的热点[9 -11 ] . ...
计及源荷不确定影响的不平衡配电网两阶段优化
1
2022
... 为实现“碳达峰、碳中和”目标,我国能源生产将向新能源深度转型[1 -2 ] .根据国家能源研究院预测,到2050年,新能源发电占比将达到75%以上,其中风、光能源的发电量占比将达到40%左右[3 ] .而风、光能源出力具有间歇性和不确定性的特点,给电力系统的运行带来了不利影响[4 -5 ] .此外,随着社会经济的迅猛发展,负荷用电量也快速增加,导致用电高峰时期系统供需不平衡[6 -7 ] .传统的电力系统调控方法主要依靠火电机组,但其调节速度和范围有限,难以适应新型电力系统下的调控需求[8 ] .因此,综合更多的可调资源参与到系统的运行中,成为当前研究的热点[9 -11 ] . ...
考虑水风光互补与机会约束的电力系统源网荷协调扩展规划研究
1
2022
... 为实现“碳达峰、碳中和”目标,我国能源生产将向新能源深度转型[1 -2 ] .根据国家能源研究院预测,到2050年,新能源发电占比将达到75%以上,其中风、光能源的发电量占比将达到40%左右[3 ] .而风、光能源出力具有间歇性和不确定性的特点,给电力系统的运行带来了不利影响[4 -5 ] .此外,随着社会经济的迅猛发展,负荷用电量也快速增加,导致用电高峰时期系统供需不平衡[6 -7 ] .传统的电力系统调控方法主要依靠火电机组,但其调节速度和范围有限,难以适应新型电力系统下的调控需求[8 ] .因此,综合更多的可调资源参与到系统的运行中,成为当前研究的热点[9 -11 ] . ...
考虑水风光互补与机会约束的电力系统源网荷协调扩展规划研究
1
2022
... 为实现“碳达峰、碳中和”目标,我国能源生产将向新能源深度转型[1 -2 ] .根据国家能源研究院预测,到2050年,新能源发电占比将达到75%以上,其中风、光能源的发电量占比将达到40%左右[3 ] .而风、光能源出力具有间歇性和不确定性的特点,给电力系统的运行带来了不利影响[4 -5 ] .此外,随着社会经济的迅猛发展,负荷用电量也快速增加,导致用电高峰时期系统供需不平衡[6 -7 ] .传统的电力系统调控方法主要依靠火电机组,但其调节速度和范围有限,难以适应新型电力系统下的调控需求[8 ] .因此,综合更多的可调资源参与到系统的运行中,成为当前研究的热点[9 -11 ] . ...
2021年我国电力供需形势分析及展望
1
2021
... 为实现“碳达峰、碳中和”目标,我国能源生产将向新能源深度转型[1 -2 ] .根据国家能源研究院预测,到2050年,新能源发电占比将达到75%以上,其中风、光能源的发电量占比将达到40%左右[3 ] .而风、光能源出力具有间歇性和不确定性的特点,给电力系统的运行带来了不利影响[4 -5 ] .此外,随着社会经济的迅猛发展,负荷用电量也快速增加,导致用电高峰时期系统供需不平衡[6 -7 ] .传统的电力系统调控方法主要依靠火电机组,但其调节速度和范围有限,难以适应新型电力系统下的调控需求[8 ] .因此,综合更多的可调资源参与到系统的运行中,成为当前研究的热点[9 -11 ] . ...
2021年我国电力供需形势分析及展望
1
2021
... 为实现“碳达峰、碳中和”目标,我国能源生产将向新能源深度转型[1 -2 ] .根据国家能源研究院预测,到2050年,新能源发电占比将达到75%以上,其中风、光能源的发电量占比将达到40%左右[3 ] .而风、光能源出力具有间歇性和不确定性的特点,给电力系统的运行带来了不利影响[4 -5 ] .此外,随着社会经济的迅猛发展,负荷用电量也快速增加,导致用电高峰时期系统供需不平衡[6 -7 ] .传统的电力系统调控方法主要依靠火电机组,但其调节速度和范围有限,难以适应新型电力系统下的调控需求[8 ] .因此,综合更多的可调资源参与到系统的运行中,成为当前研究的热点[9 -11 ] . ...
面向多级市场出清的负荷聚合商联合交易策略
1
2022
... 为实现“碳达峰、碳中和”目标,我国能源生产将向新能源深度转型[1 -2 ] .根据国家能源研究院预测,到2050年,新能源发电占比将达到75%以上,其中风、光能源的发电量占比将达到40%左右[3 ] .而风、光能源出力具有间歇性和不确定性的特点,给电力系统的运行带来了不利影响[4 -5 ] .此外,随着社会经济的迅猛发展,负荷用电量也快速增加,导致用电高峰时期系统供需不平衡[6 -7 ] .传统的电力系统调控方法主要依靠火电机组,但其调节速度和范围有限,难以适应新型电力系统下的调控需求[8 ] .因此,综合更多的可调资源参与到系统的运行中,成为当前研究的热点[9 -11 ] . ...
面向多级市场出清的负荷聚合商联合交易策略
1
2022
... 为实现“碳达峰、碳中和”目标,我国能源生产将向新能源深度转型[1 -2 ] .根据国家能源研究院预测,到2050年,新能源发电占比将达到75%以上,其中风、光能源的发电量占比将达到40%左右[3 ] .而风、光能源出力具有间歇性和不确定性的特点,给电力系统的运行带来了不利影响[4 -5 ] .此外,随着社会经济的迅猛发展,负荷用电量也快速增加,导致用电高峰时期系统供需不平衡[6 -7 ] .传统的电力系统调控方法主要依靠火电机组,但其调节速度和范围有限,难以适应新型电力系统下的调控需求[8 ] .因此,综合更多的可调资源参与到系统的运行中,成为当前研究的热点[9 -11 ] . ...
面向新型电力系统的需求响应机制探讨
1
2022
... 为实现“碳达峰、碳中和”目标,我国能源生产将向新能源深度转型[1 -2 ] .根据国家能源研究院预测,到2050年,新能源发电占比将达到75%以上,其中风、光能源的发电量占比将达到40%左右[3 ] .而风、光能源出力具有间歇性和不确定性的特点,给电力系统的运行带来了不利影响[4 -5 ] .此外,随着社会经济的迅猛发展,负荷用电量也快速增加,导致用电高峰时期系统供需不平衡[6 -7 ] .传统的电力系统调控方法主要依靠火电机组,但其调节速度和范围有限,难以适应新型电力系统下的调控需求[8 ] .因此,综合更多的可调资源参与到系统的运行中,成为当前研究的热点[9 -11 ] . ...
面向新型电力系统的需求响应机制探讨
1
2022
... 为实现“碳达峰、碳中和”目标,我国能源生产将向新能源深度转型[1 -2 ] .根据国家能源研究院预测,到2050年,新能源发电占比将达到75%以上,其中风、光能源的发电量占比将达到40%左右[3 ] .而风、光能源出力具有间歇性和不确定性的特点,给电力系统的运行带来了不利影响[4 -5 ] .此外,随着社会经济的迅猛发展,负荷用电量也快速增加,导致用电高峰时期系统供需不平衡[6 -7 ] .传统的电力系统调控方法主要依靠火电机组,但其调节速度和范围有限,难以适应新型电力系统下的调控需求[8 ] .因此,综合更多的可调资源参与到系统的运行中,成为当前研究的热点[9 -11 ] . ...
Review and prospect of integrated demand response in the multi-energy system
1
2017
... 为实现“碳达峰、碳中和”目标,我国能源生产将向新能源深度转型[1 -2 ] .根据国家能源研究院预测,到2050年,新能源发电占比将达到75%以上,其中风、光能源的发电量占比将达到40%左右[3 ] .而风、光能源出力具有间歇性和不确定性的特点,给电力系统的运行带来了不利影响[4 -5 ] .此外,随着社会经济的迅猛发展,负荷用电量也快速增加,导致用电高峰时期系统供需不平衡[6 -7 ] .传统的电力系统调控方法主要依靠火电机组,但其调节速度和范围有限,难以适应新型电力系统下的调控需求[8 ] .因此,综合更多的可调资源参与到系统的运行中,成为当前研究的热点[9 -11 ] . ...
计及无功裕度的配电网两阶段无功优化调度策略
0
2021
计及无功裕度的配电网两阶段无功优化调度策略
0
2021
面向电力系统调度需求的负荷资源调控技术研究综述
1
2022
... 为实现“碳达峰、碳中和”目标,我国能源生产将向新能源深度转型[1 -2 ] .根据国家能源研究院预测,到2050年,新能源发电占比将达到75%以上,其中风、光能源的发电量占比将达到40%左右[3 ] .而风、光能源出力具有间歇性和不确定性的特点,给电力系统的运行带来了不利影响[4 -5 ] .此外,随着社会经济的迅猛发展,负荷用电量也快速增加,导致用电高峰时期系统供需不平衡[6 -7 ] .传统的电力系统调控方法主要依靠火电机组,但其调节速度和范围有限,难以适应新型电力系统下的调控需求[8 ] .因此,综合更多的可调资源参与到系统的运行中,成为当前研究的热点[9 -11 ] . ...
面向电力系统调度需求的负荷资源调控技术研究综述
1
2022
... 为实现“碳达峰、碳中和”目标,我国能源生产将向新能源深度转型[1 -2 ] .根据国家能源研究院预测,到2050年,新能源发电占比将达到75%以上,其中风、光能源的发电量占比将达到40%左右[3 ] .而风、光能源出力具有间歇性和不确定性的特点,给电力系统的运行带来了不利影响[4 -5 ] .此外,随着社会经济的迅猛发展,负荷用电量也快速增加,导致用电高峰时期系统供需不平衡[6 -7 ] .传统的电力系统调控方法主要依靠火电机组,但其调节速度和范围有限,难以适应新型电力系统下的调控需求[8 ] .因此,综合更多的可调资源参与到系统的运行中,成为当前研究的热点[9 -11 ] . ...
考虑用户响应度模糊控制的需求响应双层博弈模型
1
2022
... 需求响应是指电力用户根据电力市场的价格、激励信号做出响应,改变原有的用电计划[12 ] .需求响应具有显著的经济效益和社会效益,对于电力用户,可以提高用户的经济收益;对于电网企业,可以抑制负荷波动,提高新能源的消纳[13 ] .目前,在我国江苏、上海和山东等地展开了需求响应相关试点工作,并取得了初步的成效[14 ] .国内外学者也对需求响应调控策略展开了大量的研究,如:文献[15 ]提出了一种工业及中小型用户需求响应的日前调度策略,挖掘了不同用户的需求响应潜力,并提高了风电的消纳能力;文献[16 ]分析了农业负荷的需求响应特性,提出了基于鲁棒优化的农业负荷需求响应日前调度策略;文献[17 ]针对风光出力不确定性,在考虑电价与负荷响应相关性的基础上,提出了微电网的日前优化调度方法,提高了新能源利用率和用户满意度的同时,降低了微网的综合运行成本;文献[18 ]研究了不同类型建筑聚合商的需求响应特性,并建立了日前调度优化模型.上述文献将需求响应调度集中在日前进行,忽略了不同类型负荷的多时间尺度特性,以及新能源和负荷预测精度从日前到日内逐步提高的特点[19 ] ,因此难以挖掘各种负荷的需求响应潜力. ...
考虑用户响应度模糊控制的需求响应双层博弈模型
1
2022
... 需求响应是指电力用户根据电力市场的价格、激励信号做出响应,改变原有的用电计划[12 ] .需求响应具有显著的经济效益和社会效益,对于电力用户,可以提高用户的经济收益;对于电网企业,可以抑制负荷波动,提高新能源的消纳[13 ] .目前,在我国江苏、上海和山东等地展开了需求响应相关试点工作,并取得了初步的成效[14 ] .国内外学者也对需求响应调控策略展开了大量的研究,如:文献[15 ]提出了一种工业及中小型用户需求响应的日前调度策略,挖掘了不同用户的需求响应潜力,并提高了风电的消纳能力;文献[16 ]分析了农业负荷的需求响应特性,提出了基于鲁棒优化的农业负荷需求响应日前调度策略;文献[17 ]针对风光出力不确定性,在考虑电价与负荷响应相关性的基础上,提出了微电网的日前优化调度方法,提高了新能源利用率和用户满意度的同时,降低了微网的综合运行成本;文献[18 ]研究了不同类型建筑聚合商的需求响应特性,并建立了日前调度优化模型.上述文献将需求响应调度集中在日前进行,忽略了不同类型负荷的多时间尺度特性,以及新能源和负荷预测精度从日前到日内逐步提高的特点[19 ] ,因此难以挖掘各种负荷的需求响应潜力. ...
计及综合需求响应的电-热综合能源系统分布式光伏最大接入容量评估
1
2021
... 需求响应是指电力用户根据电力市场的价格、激励信号做出响应,改变原有的用电计划[12 ] .需求响应具有显著的经济效益和社会效益,对于电力用户,可以提高用户的经济收益;对于电网企业,可以抑制负荷波动,提高新能源的消纳[13 ] .目前,在我国江苏、上海和山东等地展开了需求响应相关试点工作,并取得了初步的成效[14 ] .国内外学者也对需求响应调控策略展开了大量的研究,如:文献[15 ]提出了一种工业及中小型用户需求响应的日前调度策略,挖掘了不同用户的需求响应潜力,并提高了风电的消纳能力;文献[16 ]分析了农业负荷的需求响应特性,提出了基于鲁棒优化的农业负荷需求响应日前调度策略;文献[17 ]针对风光出力不确定性,在考虑电价与负荷响应相关性的基础上,提出了微电网的日前优化调度方法,提高了新能源利用率和用户满意度的同时,降低了微网的综合运行成本;文献[18 ]研究了不同类型建筑聚合商的需求响应特性,并建立了日前调度优化模型.上述文献将需求响应调度集中在日前进行,忽略了不同类型负荷的多时间尺度特性,以及新能源和负荷预测精度从日前到日内逐步提高的特点[19 ] ,因此难以挖掘各种负荷的需求响应潜力. ...
计及综合需求响应的电-热综合能源系统分布式光伏最大接入容量评估
1
2021
... 需求响应是指电力用户根据电力市场的价格、激励信号做出响应,改变原有的用电计划[12 ] .需求响应具有显著的经济效益和社会效益,对于电力用户,可以提高用户的经济收益;对于电网企业,可以抑制负荷波动,提高新能源的消纳[13 ] .目前,在我国江苏、上海和山东等地展开了需求响应相关试点工作,并取得了初步的成效[14 ] .国内外学者也对需求响应调控策略展开了大量的研究,如:文献[15 ]提出了一种工业及中小型用户需求响应的日前调度策略,挖掘了不同用户的需求响应潜力,并提高了风电的消纳能力;文献[16 ]分析了农业负荷的需求响应特性,提出了基于鲁棒优化的农业负荷需求响应日前调度策略;文献[17 ]针对风光出力不确定性,在考虑电价与负荷响应相关性的基础上,提出了微电网的日前优化调度方法,提高了新能源利用率和用户满意度的同时,降低了微网的综合运行成本;文献[18 ]研究了不同类型建筑聚合商的需求响应特性,并建立了日前调度优化模型.上述文献将需求响应调度集中在日前进行,忽略了不同类型负荷的多时间尺度特性,以及新能源和负荷预测精度从日前到日内逐步提高的特点[19 ] ,因此难以挖掘各种负荷的需求响应潜力. ...
计及综合需求响应的电-热综合能源系统分布式光伏最大接入容量评估
1
2021
... 需求响应是指电力用户根据电力市场的价格、激励信号做出响应,改变原有的用电计划[12 ] .需求响应具有显著的经济效益和社会效益,对于电力用户,可以提高用户的经济收益;对于电网企业,可以抑制负荷波动,提高新能源的消纳[13 ] .目前,在我国江苏、上海和山东等地展开了需求响应相关试点工作,并取得了初步的成效[14 ] .国内外学者也对需求响应调控策略展开了大量的研究,如:文献[15 ]提出了一种工业及中小型用户需求响应的日前调度策略,挖掘了不同用户的需求响应潜力,并提高了风电的消纳能力;文献[16 ]分析了农业负荷的需求响应特性,提出了基于鲁棒优化的农业负荷需求响应日前调度策略;文献[17 ]针对风光出力不确定性,在考虑电价与负荷响应相关性的基础上,提出了微电网的日前优化调度方法,提高了新能源利用率和用户满意度的同时,降低了微网的综合运行成本;文献[18 ]研究了不同类型建筑聚合商的需求响应特性,并建立了日前调度优化模型.上述文献将需求响应调度集中在日前进行,忽略了不同类型负荷的多时间尺度特性,以及新能源和负荷预测精度从日前到日内逐步提高的特点[19 ] ,因此难以挖掘各种负荷的需求响应潜力. ...
市场环境下我国电力需求响应实践与探索
1
2021
... 需求响应是指电力用户根据电力市场的价格、激励信号做出响应,改变原有的用电计划[12 ] .需求响应具有显著的经济效益和社会效益,对于电力用户,可以提高用户的经济收益;对于电网企业,可以抑制负荷波动,提高新能源的消纳[13 ] .目前,在我国江苏、上海和山东等地展开了需求响应相关试点工作,并取得了初步的成效[14 ] .国内外学者也对需求响应调控策略展开了大量的研究,如:文献[15 ]提出了一种工业及中小型用户需求响应的日前调度策略,挖掘了不同用户的需求响应潜力,并提高了风电的消纳能力;文献[16 ]分析了农业负荷的需求响应特性,提出了基于鲁棒优化的农业负荷需求响应日前调度策略;文献[17 ]针对风光出力不确定性,在考虑电价与负荷响应相关性的基础上,提出了微电网的日前优化调度方法,提高了新能源利用率和用户满意度的同时,降低了微网的综合运行成本;文献[18 ]研究了不同类型建筑聚合商的需求响应特性,并建立了日前调度优化模型.上述文献将需求响应调度集中在日前进行,忽略了不同类型负荷的多时间尺度特性,以及新能源和负荷预测精度从日前到日内逐步提高的特点[19 ] ,因此难以挖掘各种负荷的需求响应潜力. ...
市场环境下我国电力需求响应实践与探索
1
2021
... 需求响应是指电力用户根据电力市场的价格、激励信号做出响应,改变原有的用电计划[12 ] .需求响应具有显著的经济效益和社会效益,对于电力用户,可以提高用户的经济收益;对于电网企业,可以抑制负荷波动,提高新能源的消纳[13 ] .目前,在我国江苏、上海和山东等地展开了需求响应相关试点工作,并取得了初步的成效[14 ] .国内外学者也对需求响应调控策略展开了大量的研究,如:文献[15 ]提出了一种工业及中小型用户需求响应的日前调度策略,挖掘了不同用户的需求响应潜力,并提高了风电的消纳能力;文献[16 ]分析了农业负荷的需求响应特性,提出了基于鲁棒优化的农业负荷需求响应日前调度策略;文献[17 ]针对风光出力不确定性,在考虑电价与负荷响应相关性的基础上,提出了微电网的日前优化调度方法,提高了新能源利用率和用户满意度的同时,降低了微网的综合运行成本;文献[18 ]研究了不同类型建筑聚合商的需求响应特性,并建立了日前调度优化模型.上述文献将需求响应调度集中在日前进行,忽略了不同类型负荷的多时间尺度特性,以及新能源和负荷预测精度从日前到日内逐步提高的特点[19 ] ,因此难以挖掘各种负荷的需求响应潜力. ...
联合工业及中小型用户需求响应的日前调度优化研究
1
2021
... 需求响应是指电力用户根据电力市场的价格、激励信号做出响应,改变原有的用电计划[12 ] .需求响应具有显著的经济效益和社会效益,对于电力用户,可以提高用户的经济收益;对于电网企业,可以抑制负荷波动,提高新能源的消纳[13 ] .目前,在我国江苏、上海和山东等地展开了需求响应相关试点工作,并取得了初步的成效[14 ] .国内外学者也对需求响应调控策略展开了大量的研究,如:文献[15 ]提出了一种工业及中小型用户需求响应的日前调度策略,挖掘了不同用户的需求响应潜力,并提高了风电的消纳能力;文献[16 ]分析了农业负荷的需求响应特性,提出了基于鲁棒优化的农业负荷需求响应日前调度策略;文献[17 ]针对风光出力不确定性,在考虑电价与负荷响应相关性的基础上,提出了微电网的日前优化调度方法,提高了新能源利用率和用户满意度的同时,降低了微网的综合运行成本;文献[18 ]研究了不同类型建筑聚合商的需求响应特性,并建立了日前调度优化模型.上述文献将需求响应调度集中在日前进行,忽略了不同类型负荷的多时间尺度特性,以及新能源和负荷预测精度从日前到日内逐步提高的特点[19 ] ,因此难以挖掘各种负荷的需求响应潜力. ...
联合工业及中小型用户需求响应的日前调度优化研究
1
2021
... 需求响应是指电力用户根据电力市场的价格、激励信号做出响应,改变原有的用电计划[12 ] .需求响应具有显著的经济效益和社会效益,对于电力用户,可以提高用户的经济收益;对于电网企业,可以抑制负荷波动,提高新能源的消纳[13 ] .目前,在我国江苏、上海和山东等地展开了需求响应相关试点工作,并取得了初步的成效[14 ] .国内外学者也对需求响应调控策略展开了大量的研究,如:文献[15 ]提出了一种工业及中小型用户需求响应的日前调度策略,挖掘了不同用户的需求响应潜力,并提高了风电的消纳能力;文献[16 ]分析了农业负荷的需求响应特性,提出了基于鲁棒优化的农业负荷需求响应日前调度策略;文献[17 ]针对风光出力不确定性,在考虑电价与负荷响应相关性的基础上,提出了微电网的日前优化调度方法,提高了新能源利用率和用户满意度的同时,降低了微网的综合运行成本;文献[18 ]研究了不同类型建筑聚合商的需求响应特性,并建立了日前调度优化模型.上述文献将需求响应调度集中在日前进行,忽略了不同类型负荷的多时间尺度特性,以及新能源和负荷预测精度从日前到日内逐步提高的特点[19 ] ,因此难以挖掘各种负荷的需求响应潜力. ...
Operational scheduling of responsive prosumer farms for day‐ahead peak shaving by agricultural demand response aggregators
1
2020
... 需求响应是指电力用户根据电力市场的价格、激励信号做出响应,改变原有的用电计划[12 ] .需求响应具有显著的经济效益和社会效益,对于电力用户,可以提高用户的经济收益;对于电网企业,可以抑制负荷波动,提高新能源的消纳[13 ] .目前,在我国江苏、上海和山东等地展开了需求响应相关试点工作,并取得了初步的成效[14 ] .国内外学者也对需求响应调控策略展开了大量的研究,如:文献[15 ]提出了一种工业及中小型用户需求响应的日前调度策略,挖掘了不同用户的需求响应潜力,并提高了风电的消纳能力;文献[16 ]分析了农业负荷的需求响应特性,提出了基于鲁棒优化的农业负荷需求响应日前调度策略;文献[17 ]针对风光出力不确定性,在考虑电价与负荷响应相关性的基础上,提出了微电网的日前优化调度方法,提高了新能源利用率和用户满意度的同时,降低了微网的综合运行成本;文献[18 ]研究了不同类型建筑聚合商的需求响应特性,并建立了日前调度优化模型.上述文献将需求响应调度集中在日前进行,忽略了不同类型负荷的多时间尺度特性,以及新能源和负荷预测精度从日前到日内逐步提高的特点[19 ] ,因此难以挖掘各种负荷的需求响应潜力. ...
考虑电价激励需求响应下微电网日前优化调度方法
1
2020
... 需求响应是指电力用户根据电力市场的价格、激励信号做出响应,改变原有的用电计划[12 ] .需求响应具有显著的经济效益和社会效益,对于电力用户,可以提高用户的经济收益;对于电网企业,可以抑制负荷波动,提高新能源的消纳[13 ] .目前,在我国江苏、上海和山东等地展开了需求响应相关试点工作,并取得了初步的成效[14 ] .国内外学者也对需求响应调控策略展开了大量的研究,如:文献[15 ]提出了一种工业及中小型用户需求响应的日前调度策略,挖掘了不同用户的需求响应潜力,并提高了风电的消纳能力;文献[16 ]分析了农业负荷的需求响应特性,提出了基于鲁棒优化的农业负荷需求响应日前调度策略;文献[17 ]针对风光出力不确定性,在考虑电价与负荷响应相关性的基础上,提出了微电网的日前优化调度方法,提高了新能源利用率和用户满意度的同时,降低了微网的综合运行成本;文献[18 ]研究了不同类型建筑聚合商的需求响应特性,并建立了日前调度优化模型.上述文献将需求响应调度集中在日前进行,忽略了不同类型负荷的多时间尺度特性,以及新能源和负荷预测精度从日前到日内逐步提高的特点[19 ] ,因此难以挖掘各种负荷的需求响应潜力. ...
考虑电价激励需求响应下微电网日前优化调度方法
1
2020
... 需求响应是指电力用户根据电力市场的价格、激励信号做出响应,改变原有的用电计划[12 ] .需求响应具有显著的经济效益和社会效益,对于电力用户,可以提高用户的经济收益;对于电网企业,可以抑制负荷波动,提高新能源的消纳[13 ] .目前,在我国江苏、上海和山东等地展开了需求响应相关试点工作,并取得了初步的成效[14 ] .国内外学者也对需求响应调控策略展开了大量的研究,如:文献[15 ]提出了一种工业及中小型用户需求响应的日前调度策略,挖掘了不同用户的需求响应潜力,并提高了风电的消纳能力;文献[16 ]分析了农业负荷的需求响应特性,提出了基于鲁棒优化的农业负荷需求响应日前调度策略;文献[17 ]针对风光出力不确定性,在考虑电价与负荷响应相关性的基础上,提出了微电网的日前优化调度方法,提高了新能源利用率和用户满意度的同时,降低了微网的综合运行成本;文献[18 ]研究了不同类型建筑聚合商的需求响应特性,并建立了日前调度优化模型.上述文献将需求响应调度集中在日前进行,忽略了不同类型负荷的多时间尺度特性,以及新能源和负荷预测精度从日前到日内逐步提高的特点[19 ] ,因此难以挖掘各种负荷的需求响应潜力. ...
计及用电满意度优先级划分的负荷聚合商调度策略研究
1
2021
... 需求响应是指电力用户根据电力市场的价格、激励信号做出响应,改变原有的用电计划[12 ] .需求响应具有显著的经济效益和社会效益,对于电力用户,可以提高用户的经济收益;对于电网企业,可以抑制负荷波动,提高新能源的消纳[13 ] .目前,在我国江苏、上海和山东等地展开了需求响应相关试点工作,并取得了初步的成效[14 ] .国内外学者也对需求响应调控策略展开了大量的研究,如:文献[15 ]提出了一种工业及中小型用户需求响应的日前调度策略,挖掘了不同用户的需求响应潜力,并提高了风电的消纳能力;文献[16 ]分析了农业负荷的需求响应特性,提出了基于鲁棒优化的农业负荷需求响应日前调度策略;文献[17 ]针对风光出力不确定性,在考虑电价与负荷响应相关性的基础上,提出了微电网的日前优化调度方法,提高了新能源利用率和用户满意度的同时,降低了微网的综合运行成本;文献[18 ]研究了不同类型建筑聚合商的需求响应特性,并建立了日前调度优化模型.上述文献将需求响应调度集中在日前进行,忽略了不同类型负荷的多时间尺度特性,以及新能源和负荷预测精度从日前到日内逐步提高的特点[19 ] ,因此难以挖掘各种负荷的需求响应潜力. ...
计及用电满意度优先级划分的负荷聚合商调度策略研究
1
2021
... 需求响应是指电力用户根据电力市场的价格、激励信号做出响应,改变原有的用电计划[12 ] .需求响应具有显著的经济效益和社会效益,对于电力用户,可以提高用户的经济收益;对于电网企业,可以抑制负荷波动,提高新能源的消纳[13 ] .目前,在我国江苏、上海和山东等地展开了需求响应相关试点工作,并取得了初步的成效[14 ] .国内外学者也对需求响应调控策略展开了大量的研究,如:文献[15 ]提出了一种工业及中小型用户需求响应的日前调度策略,挖掘了不同用户的需求响应潜力,并提高了风电的消纳能力;文献[16 ]分析了农业负荷的需求响应特性,提出了基于鲁棒优化的农业负荷需求响应日前调度策略;文献[17 ]针对风光出力不确定性,在考虑电价与负荷响应相关性的基础上,提出了微电网的日前优化调度方法,提高了新能源利用率和用户满意度的同时,降低了微网的综合运行成本;文献[18 ]研究了不同类型建筑聚合商的需求响应特性,并建立了日前调度优化模型.上述文献将需求响应调度集中在日前进行,忽略了不同类型负荷的多时间尺度特性,以及新能源和负荷预测精度从日前到日内逐步提高的特点[19 ] ,因此难以挖掘各种负荷的需求响应潜力. ...
计及源荷不确定性的多时间尺度滚动调度计划模型与方法
1
2019
... 需求响应是指电力用户根据电力市场的价格、激励信号做出响应,改变原有的用电计划[12 ] .需求响应具有显著的经济效益和社会效益,对于电力用户,可以提高用户的经济收益;对于电网企业,可以抑制负荷波动,提高新能源的消纳[13 ] .目前,在我国江苏、上海和山东等地展开了需求响应相关试点工作,并取得了初步的成效[14 ] .国内外学者也对需求响应调控策略展开了大量的研究,如:文献[15 ]提出了一种工业及中小型用户需求响应的日前调度策略,挖掘了不同用户的需求响应潜力,并提高了风电的消纳能力;文献[16 ]分析了农业负荷的需求响应特性,提出了基于鲁棒优化的农业负荷需求响应日前调度策略;文献[17 ]针对风光出力不确定性,在考虑电价与负荷响应相关性的基础上,提出了微电网的日前优化调度方法,提高了新能源利用率和用户满意度的同时,降低了微网的综合运行成本;文献[18 ]研究了不同类型建筑聚合商的需求响应特性,并建立了日前调度优化模型.上述文献将需求响应调度集中在日前进行,忽略了不同类型负荷的多时间尺度特性,以及新能源和负荷预测精度从日前到日内逐步提高的特点[19 ] ,因此难以挖掘各种负荷的需求响应潜力. ...
计及源荷不确定性的多时间尺度滚动调度计划模型与方法
1
2019
... 需求响应是指电力用户根据电力市场的价格、激励信号做出响应,改变原有的用电计划[12 ] .需求响应具有显著的经济效益和社会效益,对于电力用户,可以提高用户的经济收益;对于电网企业,可以抑制负荷波动,提高新能源的消纳[13 ] .目前,在我国江苏、上海和山东等地展开了需求响应相关试点工作,并取得了初步的成效[14 ] .国内外学者也对需求响应调控策略展开了大量的研究,如:文献[15 ]提出了一种工业及中小型用户需求响应的日前调度策略,挖掘了不同用户的需求响应潜力,并提高了风电的消纳能力;文献[16 ]分析了农业负荷的需求响应特性,提出了基于鲁棒优化的农业负荷需求响应日前调度策略;文献[17 ]针对风光出力不确定性,在考虑电价与负荷响应相关性的基础上,提出了微电网的日前优化调度方法,提高了新能源利用率和用户满意度的同时,降低了微网的综合运行成本;文献[18 ]研究了不同类型建筑聚合商的需求响应特性,并建立了日前调度优化模型.上述文献将需求响应调度集中在日前进行,忽略了不同类型负荷的多时间尺度特性,以及新能源和负荷预测精度从日前到日内逐步提高的特点[19 ] ,因此难以挖掘各种负荷的需求响应潜力. ...
储能参与泛在电力物联网辅助服务应用综述
1
2021
... 储能系统(energy storage system,ESS)是新型电力系统的关键组成部分,其能有效解决风-光能源出力间歇性和波动性带来的问题,并且可以提高电力负荷的用电质量,降低用电成本[20 ] .目前,在ESS调度策略方面已有许多研究成果,如:文献[21 ]提出一种ESS在可再生能源供电区域电网中的协同调度策略,实现了可再生能源的最大化利用及最优分配,并改善了系统的电压分布;文献[22 ]提出一种考虑ESS健康状态的微网多时间尺度调度策略,在有效平抑母线功率的同时,提高了ESS的运行寿命;文献[23 ]提出了一种基于电-热联合储能的弃风消纳调度方法,利用电-热联合ESS的调控特性,实现能量在时空尺度上的平移,进而促进对风电的消纳. ...
储能参与泛在电力物联网辅助服务应用综述
1
2021
... 储能系统(energy storage system,ESS)是新型电力系统的关键组成部分,其能有效解决风-光能源出力间歇性和波动性带来的问题,并且可以提高电力负荷的用电质量,降低用电成本[20 ] .目前,在ESS调度策略方面已有许多研究成果,如:文献[21 ]提出一种ESS在可再生能源供电区域电网中的协同调度策略,实现了可再生能源的最大化利用及最优分配,并改善了系统的电压分布;文献[22 ]提出一种考虑ESS健康状态的微网多时间尺度调度策略,在有效平抑母线功率的同时,提高了ESS的运行寿命;文献[23 ]提出了一种基于电-热联合储能的弃风消纳调度方法,利用电-热联合ESS的调控特性,实现能量在时空尺度上的平移,进而促进对风电的消纳. ...
可再生能源供电区域电网中储能系统协同调度策略
1
2021
... 储能系统(energy storage system,ESS)是新型电力系统的关键组成部分,其能有效解决风-光能源出力间歇性和波动性带来的问题,并且可以提高电力负荷的用电质量,降低用电成本[20 ] .目前,在ESS调度策略方面已有许多研究成果,如:文献[21 ]提出一种ESS在可再生能源供电区域电网中的协同调度策略,实现了可再生能源的最大化利用及最优分配,并改善了系统的电压分布;文献[22 ]提出一种考虑ESS健康状态的微网多时间尺度调度策略,在有效平抑母线功率的同时,提高了ESS的运行寿命;文献[23 ]提出了一种基于电-热联合储能的弃风消纳调度方法,利用电-热联合ESS的调控特性,实现能量在时空尺度上的平移,进而促进对风电的消纳. ...
可再生能源供电区域电网中储能系统协同调度策略
1
2021
... 储能系统(energy storage system,ESS)是新型电力系统的关键组成部分,其能有效解决风-光能源出力间歇性和波动性带来的问题,并且可以提高电力负荷的用电质量,降低用电成本[20 ] .目前,在ESS调度策略方面已有许多研究成果,如:文献[21 ]提出一种ESS在可再生能源供电区域电网中的协同调度策略,实现了可再生能源的最大化利用及最优分配,并改善了系统的电压分布;文献[22 ]提出一种考虑ESS健康状态的微网多时间尺度调度策略,在有效平抑母线功率的同时,提高了ESS的运行寿命;文献[23 ]提出了一种基于电-热联合储能的弃风消纳调度方法,利用电-热联合ESS的调控特性,实现能量在时空尺度上的平移,进而促进对风电的消纳. ...
考虑运行风险的含储能综合能源系统优化调度
1
2020
... 储能系统(energy storage system,ESS)是新型电力系统的关键组成部分,其能有效解决风-光能源出力间歇性和波动性带来的问题,并且可以提高电力负荷的用电质量,降低用电成本[20 ] .目前,在ESS调度策略方面已有许多研究成果,如:文献[21 ]提出一种ESS在可再生能源供电区域电网中的协同调度策略,实现了可再生能源的最大化利用及最优分配,并改善了系统的电压分布;文献[22 ]提出一种考虑ESS健康状态的微网多时间尺度调度策略,在有效平抑母线功率的同时,提高了ESS的运行寿命;文献[23 ]提出了一种基于电-热联合储能的弃风消纳调度方法,利用电-热联合ESS的调控特性,实现能量在时空尺度上的平移,进而促进对风电的消纳. ...
考虑运行风险的含储能综合能源系统优化调度
1
2020
... 储能系统(energy storage system,ESS)是新型电力系统的关键组成部分,其能有效解决风-光能源出力间歇性和波动性带来的问题,并且可以提高电力负荷的用电质量,降低用电成本[20 ] .目前,在ESS调度策略方面已有许多研究成果,如:文献[21 ]提出一种ESS在可再生能源供电区域电网中的协同调度策略,实现了可再生能源的最大化利用及最优分配,并改善了系统的电压分布;文献[22 ]提出一种考虑ESS健康状态的微网多时间尺度调度策略,在有效平抑母线功率的同时,提高了ESS的运行寿命;文献[23 ]提出了一种基于电-热联合储能的弃风消纳调度方法,利用电-热联合ESS的调控特性,实现能量在时空尺度上的平移,进而促进对风电的消纳. ...
基于电-热联合储能的弃风消纳调度方法
1
2021
... 储能系统(energy storage system,ESS)是新型电力系统的关键组成部分,其能有效解决风-光能源出力间歇性和波动性带来的问题,并且可以提高电力负荷的用电质量,降低用电成本[20 ] .目前,在ESS调度策略方面已有许多研究成果,如:文献[21 ]提出一种ESS在可再生能源供电区域电网中的协同调度策略,实现了可再生能源的最大化利用及最优分配,并改善了系统的电压分布;文献[22 ]提出一种考虑ESS健康状态的微网多时间尺度调度策略,在有效平抑母线功率的同时,提高了ESS的运行寿命;文献[23 ]提出了一种基于电-热联合储能的弃风消纳调度方法,利用电-热联合ESS的调控特性,实现能量在时空尺度上的平移,进而促进对风电的消纳. ...
基于电-热联合储能的弃风消纳调度方法
1
2021
... 储能系统(energy storage system,ESS)是新型电力系统的关键组成部分,其能有效解决风-光能源出力间歇性和波动性带来的问题,并且可以提高电力负荷的用电质量,降低用电成本[20 ] .目前,在ESS调度策略方面已有许多研究成果,如:文献[21 ]提出一种ESS在可再生能源供电区域电网中的协同调度策略,实现了可再生能源的最大化利用及最优分配,并改善了系统的电压分布;文献[22 ]提出一种考虑ESS健康状态的微网多时间尺度调度策略,在有效平抑母线功率的同时,提高了ESS的运行寿命;文献[23 ]提出了一种基于电-热联合储能的弃风消纳调度方法,利用电-热联合ESS的调控特性,实现能量在时空尺度上的平移,进而促进对风电的消纳. ...
计及绿色电力证书与碳交易制度的“源-荷”协调优化调度
1
2022
... 1)常规火电机组.由于常规火电机组具有较长的开停机时间[24 ] ,因此其开停机状态在日前调度确定,具体出力可在日内调度确定. ...
计及绿色电力证书与碳交易制度的“源-荷”协调优化调度
1
2022
... 1)常规火电机组.由于常规火电机组具有较长的开停机时间[24 ] ,因此其开停机状态在日前调度确定,具体出力可在日内调度确定. ...
面向多应用场景的储能系统优化配置方法
1
2022
... 3)ESS.根据ESS特性[25 ] ,其充放电状态和功率在日前确定. ...
面向多应用场景的储能系统优化配置方法
1
2022
... 3)ESS.根据ESS特性[25 ] ,其充放电状态和功率在日前确定. ...
基于多场景随机规划和MPC的冷热电联合系统协同优化
1
2018
... 由于源-荷具有不确定性,传统的优化调度具有一定局限性,因此本文在日前、日内调度中采用多场景随机规划[26 ] 的方法.多场景随机规划的主要思想是:使决策变量在多个场景下都能满足要求,并且选择使期望成本之和最小的调度策略. ...
基于多场景随机规划和MPC的冷热电联合系统协同优化
1
2018
... 由于源-荷具有不确定性,传统的优化调度具有一定局限性,因此本文在日前、日内调度中采用多场景随机规划[26 ] 的方法.多场景随机规划的主要思想是:使决策变量在多个场景下都能满足要求,并且选择使期望成本之和最小的调度策略. ...
计及需求响应与火-储深度调峰定价策略的电力系统双层优化调度
1
2021
... 本文采用改进IEEE-30节点系统进行仿真分析,系统结构如图2 所示,火电机组参数见文献[27 ].节点7为ESS,具体参数如表1 所示;节点16为光伏电站,容量为200 MW;节点17为风电场,容量为200 MW;系统中总负荷为600 MW,A类负荷、B类负荷的容量不超过总负荷的5%,调控费用分别为80元/(MW⋅h)与200元/(MW⋅h).采用Gurobi软件对模型进行求解. ...
计及需求响应与火-储深度调峰定价策略的电力系统双层优化调度
1
2021
... 本文采用改进IEEE-30节点系统进行仿真分析,系统结构如图2 所示,火电机组参数见文献[27 ].节点7为ESS,具体参数如表1 所示;节点16为光伏电站,容量为200 MW;节点17为风电场,容量为200 MW;系统中总负荷为600 MW,A类负荷、B类负荷的容量不超过总负荷的5%,调控费用分别为80元/(MW⋅h)与200元/(MW⋅h).采用Gurobi软件对模型进行求解. ...
考虑源-荷多时间尺度协调优化的大规模风电接入多源电力系统调度策略
1
2021
... 系统日负荷功率、风光出力如图3 所示,由于风、光和负荷的预测误差服从正态分布[28 ] ,设置风光能源日前、日内预测误差分别为15%、3%,负荷出力日前、日内预测误差分别为10%、2%,采用蒙特卡洛法进行场景生成[29 ] . ...
考虑源-荷多时间尺度协调优化的大规模风电接入多源电力系统调度策略
1
2021
... 系统日负荷功率、风光出力如图3 所示,由于风、光和负荷的预测误差服从正态分布[28 ] ,设置风光能源日前、日内预测误差分别为15%、3%,负荷出力日前、日内预测误差分别为10%、2%,采用蒙特卡洛法进行场景生成[29 ] . ...
Photovoltaic generation scenario analysis considering irradiation uncertainty and output derating probability
1
2021
... 系统日负荷功率、风光出力如图3 所示,由于风、光和负荷的预测误差服从正态分布[28 ] ,设置风光能源日前、日内预测误差分别为15%、3%,负荷出力日前、日内预测误差分别为10%、2%,采用蒙特卡洛法进行场景生成[29 ] . ...