考虑需求响应的源-荷-储多时间尺度协同优化调度策略 |
| 杨锡勇, 张仰飞, 林纲, 张玉卓, 安允展, 杨昊天 |
|
Multi-Time Scale Collaborative Optimal Scheduling Strategy for Source-Load-Storage Considering Demand Response |
| Xiyong YANG, Yangfei ZHANG, Gang LIN, Yuzhuo ZHANG, Yunzhan AN, Haotian YANG |
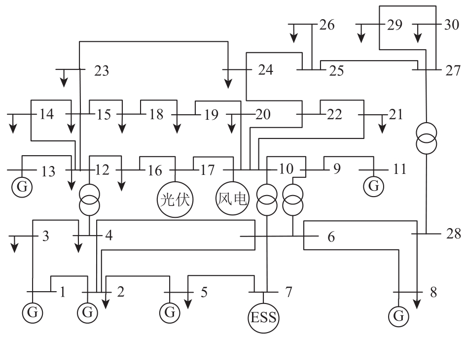
| 图2 IEEE-30节点系统结构图 |
| Fig. 2 Structure diagram of IEEE-30 node system |
|