发电技术, 2022, 43(3): 492-500 DOI: 10.12096/j.2096-4528.pgt.21131

智能电网

渝鄂柔性直流输电接入电网高频谐振与抑制分析

杨万开, 王兴国, 王书扬

中国电力科学研究院有限公司,北京市 昌平区 100192

Analysis of High Frequency Resonance and Suppression in Yu to E VSC-HVDC Project Connected to Power Grid

YANG Wankai, WANG Xingguo, WANG Shuyang

China Electric Power Research Institute, Changping District, Beijing 100192, China

收稿日期: 2021-12-29  

基金资助: 国家自然科学基金项目.  U2166205
中国电力科学研究院有限公司基金项目.  JB83-21-007

Received: 2021-12-29  

作者简介 About authors

杨万开(1960),男,博士,教授级高级工程师,长期从事高压直流输电控制保护研究,wankai@epir.sgcc.com.cn

摘要

针对渝鄂柔性直流输电(voltage source converter based high voltage direct current transmission,VSC-HVDC)南通道渝侧接入交流电网产生的系统高频谐振,应用阻抗分析法对影响系统稳定的柔性直流输电换流器特性进行了分析。利用渝鄂柔性直流输电换流器和交流线路参数,建立了换流器和交流线路阻抗的数学模型。应用MATLAB进行了仿真计算,得到换流器和交流线路的阻抗幅频、相频特性。对渝鄂柔性直流输电南通道渝侧二次高频振荡进行了深入剖析,找到了引起高频振荡的原因。最后,提出了渝鄂柔性直流输电高频振荡抑制策略,通过PSCAD仿真计算验证了抑制策略的正确性。

关键词: 柔性直流输电(VSC-HVDC) ; 高频谐振 ; 阻抗分析法 ; 抑制策略 ; 仿真计算

Abstract

In view of the high frequency resonance generated by Yu side connected to the AC grid in the Yu to E voltage source converter based high voltage direct current transmission (VSC-HVDC) south channel project, the characteristics of VSC-HVDC converter affecting the system stability were analyzed with the impedance analysis method. Mathematical model of the converter and AC line equivalent impedance was established by using the parameters of the converter and AC lines in Yu to E VSC-HVDC project. The impedance amplitude-frequency characteristics and phase-frequency characteristics of the converter and AC lines were obtained by applying MATLAB simulation calculation. The twice cases of high-frequency resonance in Yu side of the Yu to E back-to-back (BTB) VSC-HVDC south channel project were carried out in-depth analysis, and the cause of high frequency resonance was found by the analysis result. Finally, the high frequency resonance suppression strategy was put forward in Yu to E BTB VSC-HVDC project, and was verified by PSCAD simulation calculation.

Keywords: voltage source converter based high voltage direct current transmission (VSC-HVDC) ; high frequency resonance ; resistance analysis method ; suppression strategy ; simulation calculation

PDF (4007KB) 元数据 多维度评价 相关文章 导出 EndNote| Ris| Bibtex  收藏本文

本文引用格式

杨万开, 王兴国, 王书扬. 渝鄂柔性直流输电接入电网高频谐振与抑制分析. 发电技术[J], 2022, 43(3): 492-500 DOI:10.12096/j.2096-4528.pgt.21131

YANG Wankai, WANG Xingguo, WANG Shuyang. Analysis of High Frequency Resonance and Suppression in Yu to E VSC-HVDC Project Connected to Power Grid. Power Generation Technology[J], 2022, 43(3): 492-500 DOI:10.12096/j.2096-4528.pgt.21131

0 引言

柔性直流输电(voltage source converter based high voltage direct current transmission,VSC-HVDC)(以下简称“柔直”)技术有效地解决了传统直流依靠外部电源支撑换相问题,不产生换相失败,具有向弱交流系统供电的能力[1-2],以及结构灵活、可控性高、输出谐波小等特点[3-4],在我国大容量、远距离的电力传输系统中得到了广泛应用[5-9]。随着柔直工程投运数量的增加,单个换流站电压和容量等级从最初的±30 kV/18 MW到±800 kV/5 000 MW,换流站已经从接入35 kV配网提升至500 kV主网,柔直接入系统所带来的稳定性问题逐渐凸显[10-11],柔直工程在新能源接入、城市供电、大电网互联等应用方面已经出现了低频振荡和高频振荡现象[12-13]

德国北海输电工程(BorWin1)采用柔直技术连接海上风电场,在风电场外送电力时,发生了250~350 Hz的振荡[14]。中国南方电网鲁西直流工程一端柔直换流站接入交流电网时,发生1.27 kHz左右的高频振荡[15],造成系统停运。我国舟山五端直流输电工程中某个换流站在联网运行转为孤岛运行期间,发生高频分量跳闸[16];渝鄂背靠背柔直联网工程在运行初期,鄂侧发生了1 810 Hz的高频谐振,渝侧分别发生了700 Hz和665 Hz的高频谐振[17-18]。柔直接入系统产生的高频谐振严重危害系统的稳定性,谐振发生的机理以及抑制谐振的措施有待深入研究。

针对柔直系统高频谐振问题的分析方法主要有特征值分析法[19]、频率扫描分析法[20]、时域仿真法[21]、阻抗分析法[22-25]。其中阻抗分析法是目前常用的系统稳定分析方法。因此,本文应用阻抗分析法对渝鄂柔直联网南通道工程渝侧2次系统高频振荡进行分析研究,找到引起系统高频谐振的原因,并提出相应解决措施。

1 柔直系统稳定性分析

1.1 柔直系统等效电路

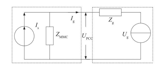
柔性直流换流器接入电网时被视为2个独立的子系统,从接入点分为电网侧阻抗和换流器侧阻抗。电网模型通常由电阻串联的电感器组成,换流器等效为一个输出阻抗与电流源的并联,可用如图1所示的小信号等效电路表示。

图1

图1   换流器接入电网等效阻抗电路图

Fig. 1   Equivalent impedance circuit of grid-connected converters


图1中,UPCC为公共连接点(point of common coupling,PCC)电压,Ig为柔直接入电网电流,柔直换流器等效为理想电流源Is和模块化多电平换流器(modular-multilevel-converter,MMC)输出阻抗ZMMC的并联,电网等效为理想电压源Ug和电网阻抗Zg的串联。柔直接入电网电流可表示为

Ig(s)=[Is(s)-Ug(s)ZMMC(s)][11+Zg(s)/ZMMC(s)]

式(1)可以看出,柔直接入电网电流Ig(s)的稳定性取决于1/[1+Zg(s)/ZMMC(s)],该系统的前向通道增益为1,负反馈通道增益为Zg(s)/ZMMC(s)。当且仅当电网阻抗与换流器输出阻抗比值满足奈奎斯特判据,即MMC输出阻抗与交流系统阻抗的幅值存在交点,且交点处MMC输出阻抗的相位和交流系统阻抗的相位之差大于180°,系统才会出现不稳定。因此,柔直接入电网稳定性可以用MMC输出阻抗ZMMC(s)和电网阻抗Zg(s)的频率特性进行分析和定量表征[25-26]

1.2 稳定性分析

根据诺顿和戴维南定理,柔性直流换流器可以等效为一个电流源并联等值阻抗Zg,与换流器连接的交流系统可以等效为电压源串联系统阻抗ZMMC,由奈奎斯特判据,如果满足条件

ZgZMMC=1Zg-ZMMC180°

则可以判定柔直系统产生了系统振荡。

阻抗分析法结合系统阻抗模型,通过奈奎斯特判据对系统稳定性进行分析,其中,建立MMC换流器和所连接的交流电网阻抗模型是分析问题的关键。

2 柔直接入系统阻抗模型

2.1 换流器阻抗模型

换流器的精细阻抗建模方法已在文献[22]进行了详细的分析,涉及锁相环、功率外环、电流内环等控制环节,得到的换流器的阻抗表达式相对复杂。由于锁相环对高频段阻抗特性影响很小,外环控制器及锁相环的控制频带较低,对柔性直流系统中高频谐振影响不明显[27-28],因此忽略了锁相环、功率外环、电流内环正负序独立及解耦控制时,得到简化条件下换流器的控制框图如图2所示。其中:Ugrid为并网点电压;Iout为交流侧电流;Iref为交流侧电压参考值;Gpi(s)为电流内环的PI环节;L为换流变漏抗电感和阀桥臂电感一半之和;Gtd(s)为系统延时环节;Gv(s)为电压采样延时环节;Gi(s)为电流采样延时环节。

图2

图2   简化条件下换流器的控制框图

Fig. 2   Control diagram of converter under simplified condition


图2可得:

Iout=AIref-UgridZMMC
A=GpiGtdsL+GpiGtdGi
ZMMC=sL+GpiGtdGi1-GtdGv

考虑到耦合项以及全频段谐波的影响(仅针对高频谐振),换流器阻抗可表示为

ZMMC=sL+GtdGi(Gpi+ωLe-sT/4)1-GtdGv

式中:ω为工频角频率;T为工频周期。

柔性直流换流器的控制采用离散控制,在分析时将离散控制等效为零阶保持器,Gtd(s)为延时环节与零阶保持器传递函数的乘积[23]

Gtd(s)=e-sTtd1-e-sTssTs

式中:Ttd为系统延迟时间;Ts为零阶保持器采样时间。

电压、电流采样延时环节的表达式[22]

Gv=Gi=e-sTsd

式中Tsd为电压、电流采样延时时间。

2.2 线路阻抗模型

渝鄂背靠背柔直联网南通道工程渝侧通过118.209 km的500 kV交流线路连接到张家坝变电站,本文根据渝侧交流线路阻抗频率扫描得到的阻抗特性,采用数学拟合方法建立了交流线路阻抗数学模型,运用该交流线路的分布参数,同时考虑张家坝连接五马、彭水和隆盛3段500 kV线路的影响。

2.3 换流器阻抗特性分析

以渝鄂背靠背柔性直流工程渝侧模型为例来分析MMC换流器接入交流电网阻抗特性,建立了换流器和交流线路的阻抗数学模型,利用MATLAB进行了仿真计算和阻抗频率特性分析。表1为渝鄂柔直工程南通道霍州换流站主要系统参数。

表1   渝鄂背靠背柔直南通道系统参数

Tab. 1  Parameters of Yu-E south channel

系统参数取值
渝侧鄂侧
额定有功功率/MW1 2501 250
交流系统电压/kV525525
额定直流电流/A1 4881 488
变压器短路比/%1414
桥臂电抗/mH140140
电流环PI控制器比例(积分)系数0.28(1/0.06)0.28(1/0.06)
采样延时Tsd/s5050
系统延时Ttd/s500350
采样时间Ts/s100100
工频周期T/s0.020.02

新窗口打开| 下载CSV


利用MATLAB进行仿真计算,得到换流器阻抗的幅频特性和相频特性,分别如图34所示。

图3

图3   换流器阻抗的幅频特性

Fig. 3   Magnitude-frequency characteristics of converter impedance


图4

图4   换流器阻抗相频特性

Fig. 4   Phase-frequency characteristics of converter impedance


以上所得到的换流器阻抗频率特性就是渝鄂柔直南通道两侧换流器的阻抗特性。从图4可以看出,在0~3.9 kHz频率范围内,换流器阻抗有2个谐振点,分别在1.8 kHz和3.6 kHz附近,在1.8 kHz附近,相位在10o~160o变化,在3.6 kHz附近,相位在20o~135o变化,而且随着频率的升高,相位逐渐减小,换流器阻抗本身相位小于180o,故当现场进行不带线路开路试验时,没有产生高频振荡。

2.4 线路阻抗频率特性分析

用频率扫描法得到渝侧交流线路阻抗特性,然后用数学拟合法得到线路的数学模型,通过MATLAB计算得到线路阻抗特性,如图56所示。通过数学拟合,得到了渝侧交流线路阻抗的幅频特性和相频特性,为后续分析奠定基础。

图5

图5   交流线路阻抗仿真计算幅频特性

Fig. 5   Magnitude-frequency characteristics of AC line impedance simulation calculation


图6

图6   交流线路阻抗仿真计算相频特性

Fig. 6   Phase-frequency characteristics of AC line impedance simulation calculation


3 渝侧高频振荡分析

3.1 渝侧开路试验高频振荡分析

在渝侧前馈电压环节附加二阶低通滤波器,进行开路试验时发生了700 Hz高频振荡。文献[29]通过分析渝侧谐振现象,提出了在前馈电压环节附加非线性滤波器措施,使700 Hz谐振得到了抑制,但未对渝侧换流器阻抗特性进行深入分析。因此,本文对渝侧前馈电压环节附加二阶低通滤波器后换流器阻抗特性进行剖析,找出引起700 Hz振荡的原因。

渝侧前馈电压环节附加二阶低通滤波器后,渝侧换流器阻抗频率特性发生了变化,低通滤波器的传递函数如下:

GLP400=1(1ωc)2s2+1.414ωcs+1

式中ωc=2πfc=2×3.14×400=2 512 rad/s,其中ωcfc分别为截止角频率和频率。

换流器阻抗变为

ZMMC=sL+GtdGi(Gpi+ωLe-sT/4)1-GtdGvGLP400

通过MATLAB仿真计算得到的换流器阻抗幅频特性与图5所示的渝侧线路阻抗幅频特性相减,得到阻抗幅值差频率特性,如图7所示。将仿真计算得到的换流器阻抗相频特性与图6所示的线路阻抗相频特性相减,得到换流器阻抗相位差频率特性,如图8所示。

图7

图7   换流器(电压前馈加低通滤波器)与交流线路阻抗幅值差频率特性

Fig. 7   Magnitude difference frequency characteristics between converter (supplementary low pass filter in voltage feedforward) and AC line impedance


图8

图8   换流器(电压前馈加低通滤波器)与交流线路阻抗相位差频率特性

Fig. 8   Phase difference frequency characteristics between converter (supplementary low pass filter in voltage feedforward) and AC line impedance


从图78可以看出,0.7~1.0 kHz频段,换流器阻抗相频特性变差,满足180o相位差谐振条件,恰巧在700 Hz附近幅频特性也满足谐振条件。因此,渝侧换流器前馈电压环节附加二阶低通滤波器后,在进行带线路开路试验时发生了主频为700 Hz的高频振荡。

3.2 前馈电压加非线性滤波抑制振荡分析

在渝侧带线路开路试验发生700 Hz高频振荡后,通过分析研究,提出了在前馈环节附加非线性滤波器,在柔性直流的电流内环控制中,针对电压前馈环节采用非线性滤波,仅保留基频部分,滤除其他频率分量,消除前馈环节延时的影响。非线性滤波器的传递函数为

H(s)=11-(U1/Ugrid),f=50Hz1,                f50Hz

式中:U1为非线性滤波器的输出结果;f为系统频率。

这样,式(10)就可以写成

ZMMC=[sL+GtdGi(Gpi+ωLe-sT/4)]/(1-GtdGv)         =H(s)[sL+GtdGi(Gpi+ωLe-sT/4)]         =sL+GtdGi(Gv+ωLe-sT/4)

将渝侧换流器参数代入式(12),计算得到渝侧换流器阻抗频率特性,然后与图56所示渝侧交流线路阻抗特性相减,得到渝侧换流器与线路阻抗幅值差、相位差频率特性,分别如图910所示。

图9

图9   换流器(前馈电压加非线性滤波器)与交流线路阻抗幅值差频率特性

Fig. 9   Magnitude difference frequency characteristics between converter (forward voltage link non-liner filter) and AC line impedance


图10

图10   换流器(前馈电压加非线性滤波器)与交流线路阻抗相位差频率特性

Fig. 10   Phase difference frequency characteristics between converter (forward voltage link non-liner filter) and AC line impedance


图10可以看出,渝侧换流器和线路阻抗的最大相位差为178.2o,所对应的频率为671 Hz。从图9幅值差频率特性来看,渝侧换流器和交流线路阻抗幅值差在600~700 Hz频段的过零点为671 Hz附近,由于相位差不满足谐振条件,故系统是稳定的。因此,进行带线路开路试验时没有发生谐振。此后,进行南通道系统调试,一般情况下均为渝侧两回交流线路合环运行,柔直系统运行稳定。

4 分列运行高频振荡分析及控制保护策略

4.1 事件发生

在渝侧进行断面失电试验过程中,当2个换流单元形成分列运行方式后,渝侧发生了665 Hz系统振荡,电网侧电压波形如图11所示。通过分析,采取的处理措施是在2个换流单元分列运行方式下,控制保护自动停运1个换流器单元。这就使得当2个换流单元输送功率大于1个换流单元额定功率(1 250 MW)时,闭锁1个换流单元,功率转带至另一换流单元,会造成输送功率丢失,降低了设备利用率。

图11

图11   两换流单元分列运行电网侧电压振荡波形

Fig. 11   Voltage resonance waveform under two converter unit separate operation mode


4.2 分列运行系统谐振分析

1)阻抗特性计算

当渝侧交流进线出现分列运行,即2个换流器分别各自连接一条交流线路时,通过计算得到渝侧换流器与交流线路阻抗幅值差及相位差频率特性,分别如图1213所示。

图12

图12   两换流器分列运行与交流线路阻抗幅值差频率特性

Fig. 12   Magnitude difference frequency characteristics between converter and AC line impedance under two converters separate operation mode


图13

图13   两换流器分列运行与交流线路阻抗相位差频率特性

Fig. 13   Phase difference frequency characteristics between converter and AC line impedance under two converters separate operation mode


2)原因分析

图13可以看出,在渝侧2个换流器分列运行方式下,换流器和线路阻抗最大相位差为180.3°,对应频率为665 Hz。从图12所示幅频特性来看,渝侧换流器和线路阻抗幅值差在600~700 Hz的过零点为665 Hz,相位差和幅频差满足谐振条件,故系统产生了665 Hz的高频振荡。

从上述计算结果可知,渝鄂柔直南通道渝侧两回交流进线由原来的合环运行变为分列运行,每一条交流进线带连接一个换流器运行,换流器阻抗频率特性分布发生了小的变化,恰巧换流器与交流线路阻抗差频率特性在660 Hz左右有谐振点,造成其幅频和相频特性满足了系统高频谐振条件。

4.3 控制保护策略

4.3.1 控制保护措施

渝鄂柔直发生高频谐振后,特别是在南通道分列运行发生高频振荡后,采取了以下措施来保证系统稳定运行:

1)避免两单元分列运行,优化控制系统程序,柔直双单元运行,当出现分列运行时,自动停运一个换流单元。

2)配置防止误操作的联锁逻辑,当某一断路器分闸导致分列运行时,禁止运行人员手动操作。

3)一个柔直单元因最后断路器逻辑闭锁,不再判断分列运行,防止双单元同时停运。

4.3.2 高频谐振保护

针对渝鄂柔直的高频谐振问题,在考虑了抑制策略失效情况下,增加高频谐波后备保护闭锁直流措施,当检测到谐波电流超过保护定值时,直接闭锁直流,跳开换流器交流进线开关。

4.3.3 仿真和试验验证

为验证控制保护措施的有效性,在PSCAD软件建立的渝鄂柔直模型上进行仿真,模型的设备和控制保护参数与实际工程一致。在渝侧双换流单元运行,输送功率为500 MW,方向为鄂至渝,当出现分列运行方式时,换流单元2停运,功率转带至换流单元1稳定运行,未发生高频振荡,仿真计算结果如图14所示。图15为现场试验波形,当渝侧2个换流单元出现分列运行时,换流单元2停运,渝侧张州II线跳闸,换流单元1恢复正常运行网侧波形图。

图14

图14   分列运行时单元2停运,功率转带至单元1波形

Fig. 14   Waveform of power transfer from converter unit 2 to unit 1 at separate operation mode


图 15

图 15   分列运行时单元2停运,张州II线跳闸,单元1恢复正常运行波形

Fig. 15   Waveform of unit 1 recovery normal operation while unit 2 stop and Zhangzhou II line trip at separate operation mode


5 结论

针对渝鄂背靠背柔性直流工程渝侧产生的高频谐振影响系统安全稳定运行的问题,建立了换流器和交流线路阻抗的数学模型,对交流线路阻抗的幅频和相频特性进行了深入分析,找到渝侧接入交流系统产生高频振荡的原因,分析了抑制系统高频振荡的措施,并进行了仿真验证,得到如下结论:

1)换流器控制回路链路延时和前馈电压是造成渝鄂柔性直流输电南通道换流器阻抗出现负阻尼、引起开路试验过程中系统高频谐振的主要根源。

2)渝鄂柔性直流输电南通道渝侧两回交流进线由原来的合环运行变为分列运行,换流器阻抗幅频特性和相频特性会发生变化,在特殊情况下会引起柔直系统高频振荡。

3)在换流器电压前馈环节附加非线性滤波器,满足渝侧两回进线合环稳定运行,在分列运行方式下,渝侧发生系统高频振荡,下一步需进行深入分析研究,提出抑制方案。

参考文献

王旭斌杜文娟王海风

弱连接条件下并网VSC系统稳定性分析研究综述

[J].中国电机工程学报,201838(6):1593-1604doi:10.13334/j.0258-8013.pcsee.170361

[本文引用: 1]

WANG X BDU W JWANG H F

Stability analysis of grid-tied VSC systems under weak connection conditions

[J].Proceedings of the CSEE,201838(6):1593-1604doi:10.13334/j.0258-8013.pcsee.170361

[本文引用: 1]

杨洁刘开培王东旭

向无源网络供电的双端柔性直流输电系统小信号稳定性分析

[J].中国电机工程学报,201535(10):2400-2408doi:10.13334/j.0258-8013.pcsee.2015.10.005

[本文引用: 1]

YANG JLIU K PWANG D X

Small signal stability analysis of VSC-HVSC applied to passive network

[J].Proceedings of the CSEE,201535(10):2400-2408doi:10.13334/j.0258-8013.pcsee.2015.10.005

[本文引用: 1]

徐政薛英林张哲任

大容量架空线柔性直流输电关键技术及前景展望

[J].中国电机工程学报,201434(29):5051-5062doi:10.13334/j.0258-8013.pcsee.2014.29.006

[本文引用: 1]

XU ZXUE Y LZHANG Z Ret al

VSC-HVDC technology suitable for bulk power overhead line transmission

[J].Proceedings of the CSEE,201434(29):5051-5062doi:10.13334/j.0258-8013.pcsee.2014.29.006

[本文引用: 1]

马为民吴方劼杨一鸣

柔性直流输电技术的现状及应用前景分析

[J].高电压技术,201440(8):2429-2439doi:10.13336/j.1003-6520.hve.2014.08.025

[本文引用: 1]

MA W MWU F JYANG Y Met al

Flexible HVDC transmission technology’s today and tomorrow

[J].High Voltage Engineering,201440(8):2429-2439doi:10.13336/j.1003-6520.hve.2014.08.025

[本文引用: 1]

刘增训游沛羽周勤勇

适用高比例新能源系统广域消纳的输电技术研究综述

[J].电力工程技术,202039(5):59-70doi:10.12158/j.2096-3203.2020.05.009

[本文引用: 1]

LIU Z XYOU P YZHOU Q Y

Transmission technologies adapting to power systems with widely-consumed high-proportion renewable energy

[J].Electric Power Engineering Technology,202039(5):59-70doi:10.12158/j.2096-3203.2020.05.009

[本文引用: 1]

王思华赵磊王军军

基于MMC的直流输电系统双极短路故障保护策略研究

[J].电力系统保护与控制,202149(11):9-17doi:10.19783/j.cnki.pspc.200999

WANG S HZHAO LWANG J J

Research on protection strategy of a bipolar short circuit fault in an HVDC transmission system based on MMC

[J].Power System Protection and Control,202149(11):9-17doi:10.19783/j.cnki.pspc.200999

朱金涛辛业春

柔性高压直流输电仿真技术研究方法综述

[J].智慧电力,202149(3):1-11doi:10.3969/j.issn.1673-7598.2021.03.002

ZHU J TXIN Y C

Review of research on simulation methods of VSC-HVDC transmission system

[J].Smart Power,202149(3):1-11doi:10.3969/j.issn.1673-7598.2021.03.002

杨张斌阮琳雷肖

海上风电柔性直流换流阀端间绝缘试验异常分析及改进方法

[J].电力建设,202142(12):68-74

YANG Z BRUAN LLEI Xet al

Abnormality analysis and improved method of the field partial discharge for terminal insulation experiment of the MMC valve for offshore wind power transmission

[J].Electric Power Construction,202142(12):68-74

朱家宁张诗钽葛维春

海上风电外送及电能输送技术综述

[J].发电技术,202243(2):236-248doi:10.12096/j.2096-4528.pgt.22025

[本文引用: 1]

ZHU J NZHANG S TGE W Cet al

Overview of offshore wind power transmission and power transportation technology

[J].Power Generation Technology,202243(2):236-248doi:10.12096/j.2096-4528.pgt.22025

[本文引用: 1]

温家良吴锐彭畅

直流电网在中国的应用前景分析

[J].中国电机工程学报,201232(13):7-13doi:10.1109/peam.2012.6612450

[本文引用: 1]

WEN J LWU RPENG Cet al

Analysis of DC grid projects in China

[J].Proceedings of the CSEE,201232(13):7-13doi:10.1109/peam.2012.6612450

[本文引用: 1]

周孝信鲁宗相刘应梅

中国未来电网的发展模式和关键技术

[J].中国电机工程学报,201434(29):4999-5008doi:10.13334/j.0258-8013.pcsee.2014.29.001

[本文引用: 1]

ZHOU X XLU Z XLIU Y Met al

Development models and key technologies of future grid in China

[J].Proceedings of the CSEE,201434(29):4999-5008doi:10.13334/j.0258-8013.pcsee.2014.29.001

[本文引用: 1]

李云丰汤广福贺之渊

MMC型直流输电系统阻尼控制策略研究

[J].中国电机工程学报,201636(20):5492-5503doi:10.13334/j.0258-8013.pcsee.160769

[本文引用: 1]

LI Y FTANG G FHE Z Yet al

Damping control strategy research for MMC based HVDC system

[J].Proceedings of the CSEE,201636(20):5492-5503doi:10.13334/j.0258-8013.pcsee.160769

[本文引用: 1]

ZOU C YRAO HXU S Ket al

Analysis of resonance between a VSC-HVDC converter and the AC grid

[J].IEEE Transactions on Power Electronics,201833(12):10157-11016doi:10.1109/tpel.2018.2809705

[本文引用: 1]

CHEAH-MANE MSAINZ LLIANG Jet al

Criterion for the electrical resonance stability of offshore wind power plants connected through HVDC links

[J].IEEE Transactions on Power Systems,201732(6):4579-4589doi:10.1109/tpwrs.2017.2663111

[本文引用: 1]

李岩邹常跃饶宏

柔性直流与极端交流系统间的谐波谐振

[J].中国电机工程学报,201838(S1):19-23doi:10.1109/access.2018.2886533

[本文引用: 1]

LI YZOU C YRAO Het al

Resonance of VSC-HVDC with extreme AC grid

[J].Proceedings of the CSEE,201838(S1):19-23doi:10.1109/access.2018.2886533

[本文引用: 1]

尹聪琦谢小荣刘辉

柔性直流输电系统振荡现象分析与控制方法综述

[J].电网技术,201842(4):1117-1123doi:10.13335/j.1000-3673.pst.2017.2606

[本文引用: 1]

YIN C QXIE X RLIU Het al

Analysis and control of the oscillation phenomenon in VSC-HVDC transmission system

[J].Power System Technology,201842(4):1117-1123doi:10.13335/j.1000-3673.pst.2017.2606

[本文引用: 1]

郭贤珊刘泽洪李云丰

柔性直流输电系统高频振荡特性分析及抑制策略研究

[J].中国电机工程学报,202040(1):19-29doi:10.13334/j.0258-8013.pcsee.190324

[本文引用: 1]

GUO X SLIU Z HLI Y Fet al

Characteristic analysis of high-frequency resonance of flexible high voltage direct current and research on its damping control strategy

[J].Proceedings of the CSEE, 202040(1):19-29doi:10.13334/j.0258-8013.pcsee.190324

[本文引用: 1]

国家电网有限公司

渝鄂直流背靠背联网工程南通道OLT试验高频谐波问题研究报告

[R].北京国家电网有限公司2018

[本文引用: 1]

State Grid Corporation of China

Research report on high frequency harmonics in OLT test of south passage of Yu to E DC back-to-back network project

[R].BeijingState Grid Corporation of China2018

[本文引用: 1]

徐文远张大海

基于模态分析的谐波谐振评估方法

[J].中国电机工程学报,200525(22):89-93doi:10.3321/j.issn:0258-8013.2005.22.016

[本文引用: 1]

XU W YZHANG D H

A modal analysis method for harmonic resonance assessment

[J].Proccedings of the CSEE,200525(22):89-93doi:10.3321/j.issn:0258-8013.2005.22.016

[本文引用: 1]

王潇刘辉胡小宝基于等效电路阻尼稳定性判据的风电经柔性直流并网振荡风险与影响因素分析 [J].全球能源互联网,20181(1):48-55doi:10.1109/powercon.2018.8601828

[本文引用: 1]

WANG XLIU HHU X Bet al

Analysis of risk and impacting factors of oscillation in wind farms integration via a flexible HVDC system based on equivalent circuit damping stability criterion

[J].Journal of Global Energy Interconnection,20181(1):48-55doi:10.1109/powercon.2018.8601828

[本文引用: 1]

CESPEDES MSUN J

Impedance modelling and analysis of grid-connected voltage-source converters

[J].IEEE Transactions on Power Electronics,201429(3):1254-1261doi:10.1109/tpel.2013.2262473

[本文引用: 1]

冯俊杰邹常跃杨双飞

针对中高频谐振问题的柔性直流输电系统阻抗精确建模与特性分析

[J].中国电机工程学报,202040(15):4805-4819doi:10.13334/j.0258-8013.pcsee.200327

[本文引用: 3]

FENG J JZOU C YYANG S Fet al

Accurate impedance modeling and characteristic analysis of VSC-HVDC system for mid- and high-frequency resonance problems

[J].Proceedings of the CSEE,202040(15):4805-4819doi:10.13334/j.0258-8013.pcsee.200327

[本文引用: 3]

吕敬蔡旭张占奎

海上风电场经MMC_HVDC并网的阻抗建模及稳定性分析

[J].中国电机工程学报,201636(14):3771-3778doi:10.13334/j.0258-8013.pcsee.152760

[本文引用: 1]

JCAI XZHANG Z Ket al

Impedance modeling and stability analysis of MMC-based HVDC for offshore wind farms

[J].Proccedings of the CSEE,201636(14):3771-3778doi:10.13334/j.0258-8013.pcsee.152760

[本文引用: 1]

LYU JCAI X

Frequency domain stability analysis of MMC-based HVDC for wind farm integration

[J].IEEE Journal of Emerging and Selected Topics in Power Electronics,20164(1):141-151doi:10.1109/jestpe.2015.2498182

CHEN XSUN J

A study of renewable energy system harmonic resonance based on a DG test-bed

[C]//Proceedings of Twenty-sixth Annual IEEE Applied Power Electronics Conference and ExpositionFort Worth,USAIEEE2011995-1002doi:10.1109/apec.2011.5744716

[本文引用: 2]

CHEN XSUN J

Characterization of inverter-grid interactions using a hardware-in-the-loop system test-bed

[C]//Proceedings of IEEE 8th International Conference on Power Electronics and ECCE AsiaJeju,KoreaIEEE20112180-2187doi:10.1109/icpe.2011.5944412

[本文引用: 1]

HARNEFORS LWANG X FALEJANDRO G Yet al

Passivity-based stability assessment of grid-connected VSCs:an overview

[J].IEEE Journal of Emerging and Selected Topics in Power Electronics,20164(1):116-125. doi:10.1109/jestpe.2015.2490549

[本文引用: 1]

HARNEFORS LYEPES A GVIDAL Aet al

Passivity based stabilization of resonant current controllers with consideration of time delay

[J].IEEE Transactions on Power Electronics,201429(12):6260-6263doi:10.1109/tpel.2014.2328669

[本文引用: 1]

郭贤珊刘斌梅红明

渝鄂直流背靠背联网工程交直流系统谐振分析与抑制

[J].电力系统自动化,202044(20):157-164doi:10.7500/AEPS20200211008

[本文引用: 1]

GUO X SLIU BMEI H Met al

Analysis and suppression of resonance between AC and DC systems in Chongqing-Hubei back-to-back HVDC project of China

[J].Automation of Electric Power Systems,202044(20):157-164doi:10.7500/AEPS20200211008

[本文引用: 1]

/