渝鄂柔性直流输电接入电网高频谐振与抑制分析 |
| 杨万开, 王兴国, 王书扬 |
|
Analysis of High Frequency Resonance and Suppression in Yu to E VSC-HVDC Project Connected to Power Grid |
| Wankai YANG, Xingguo WANG, Shuyang WANG |
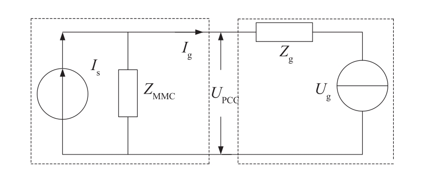
| 图1 换流器接入电网等效阻抗电路图 |
| Fig. 1 Equivalent impedance circuit of grid-connected converters |
|