三端背靠背柔性直流输电的虚拟同步发电机控制策略及其在配电网中的应用
Virtual Synchronous Generator Control Strategy of Three Terminal Back-To-Back Voltage Source Converter Based HVDC and Its Application in Distribution Network
收稿日期: 2018-01-23
| 基金资助: |
|
Received: 2018-01-23
| Fund supported: |
ProjectSupportedbytheNationalHighTechnologyResearchandDevelopmentofChina(863Program). |
作者简介 About authors
邹丹(1993),女,硕士研究生,研究方向为新能源电力系统,
艾欣(1964),男,博士,教授,博士生导师,主要研究方向为新能源电力系统及微网,
王奥(1992),女,硕士研究生,研究方向为新能源电力系统,
王坤宇(1991),男,博士研究生,研究方向为电力系统分析与控制,
黄仁乐(1963),男,教授级高级工程师,主要研究方向为电力系统自动化、智能配电网关键技术,
陈乃仕(1980),男,硕士,高级工程师,主要研究方向为电力调度自动化、主动配电网,
蒲天骄(1970),男,教授级高级工程师,主要研究方向为电力系统自动化、智能电网仿真与控制、主动配电网技术研究与项目管理,
探讨了一种在10 kV配电网中引入三端背靠背(back-to-back,BTB)柔性直流输电(voltage source converter based HVDC,VSC-HVDC)系统的接线方案,通过VSC-HVDC的控制实现提高供电可靠性和抑制环流的目的。VSC-HVDC系统中换流站在传统控制模式下几乎没有转动惯量,难以有效地参与电网调节。为了提高电网受端系统频率的稳定性,改善系统发生故障后的运行特性,在中压(10 kV)交流配电网的背景下,提出了虚拟同步发电机(virtual synchronous generator,VSG)控制策略在三端BTB VSC-HVDC系统中的应用。首先在10 kV系统中加入三端BTB VSC-HVDC互联装置建立交直流混合配电网,建立换流站在传统控制和VSG控制下的数学模型,然后通过PSCAD/EMTDC平台进行仿真,在2种控制方式下得到系统在受到扰动和发生故障时的运行特性。结果表明,三端BTB VSC-HVDC系统受端换流器使用VSG控制能有效地参与电网调节,增加系统惯性,改善系统的暂态特性,提高电网运行的可靠性。
关键词:
A kind of connection scheme of three-terminal back-to-back (BTB) voltage source converter based HVDC(VSC-HVDC) system in 10 kV distribution network was discussed, which can improve the reliability of power supply and restrain the circulation by the control of VHC-HVDC. With the traditional control strategies, VSC-HVDC system has almost no interia and is hard to be involved in the dynamic regulation of the power system effectively. To improve the stability of the frequency in the receiving system and improve the performance of the system after the breakdown, the control strategy of virtual synchronous generator (VSG) in the application of three terminal back-to-back VSC-HVDC under a medium voltage (10 kV) AC distribution network context was proposed. First three terminal back-to-back VSC-HVDC device was added to the 10 kV system to establish the AC/DC hybrid distribution network, and the mathematical model of the converter under the traditional control and VSG control was established. Then the simulation was carried out by using the PSCAD/EMTDC platform, the operating characteristics of disturbance and fault were obtained in two control modes. The results show that the three-terminal back-to-back VSC-HVDC system can effectively participate in the regulation of power grid system using VSG control, and gain the interia to improve the system's performances of transient states, and the reliability of the grid are effectively improved.
Keywords:
本文引用格式
邹丹, 艾欣, 王奥, 王坤宇, 黄仁乐, 陈乃仕, 蒲天骄.
ZOU Dan, AI Xin, WANG Ao, WANG Kunyu, HUANG Renle, CHEN Naishi, PU Tianjiao.
0 引言
为了防止配电网高低压间形成电磁环网,我国传统配电网都是采用“闭环设计,开环运行”设计的,在联络开关处于正常断开状态时配电网的供电来源单一,一旦发生故障失去单一电源后,联络开关动作,电网中形成合环电流。这种辐射型网络存在低可靠性和环流等问题。随着电力电子技术的快速发展和用户对于高可靠、高质量电力的需求日益攀升,柔性直流输电(voltage source converter based HVDC,VSC-HVDC)作为一种先进的输配电解决方案,可以实现有功和无功功率独立、快速的控制,能广泛用于交流电网的同步和非同步互联[1-3]。在潮流反转时,直流电流方向反转而直流电压极性保持不变,容易构成多端柔性直流输电(multi-terminal HVDC based on voltage source converter,VSC-MTDC)系统[4-5],可以实现多电源供电和多落点受电。在传统交流配电网中加入VSC-HVDC互联装置形成交直流混合配电网,VSC-MTDC环网可以互联多个馈线,不仅能实现各馈线间的潮流流动和负载均衡,而且在系统故障时,能够安全经济地实现负荷转移,能有效限制联络开关动作时引起的环流,提高供电可靠性。
目前,VSG控制主要集中用于微电网和分布式发电系统[12-15]中,针对VSG控制策略的研究,大多为对虚拟转动惯量的改进和对逆变器控制参数的整定。将VSG应用于VSC-HVDC,将换流站等效为同步电机,为电网提供惯性支撑,能够改善电网扰动下的特性。文献[16]针对VSC-HVDC系统受端弱电网系统的惯量,提出了借助VSC-HVDC系统直流侧电容储能特性的模拟惯量控制策略,可提高扰动下受端弱电网系统供电的频率质量。文献[17]针对VSC-HVDC整流侧换流站,建立了VSG内外环的小信号数学模型,给出了一种控制参数的整定方法。文献[18]提出将直流电压协调控制功能引入VSG得到改进算法,在VSC-HVDC系统中证明了其能改善交流系统频率的暂态特性。此外,钟庆昌教授[19]将VSG技术应用到背靠背(back-to-back,BTB)脉冲宽度调制(pulse width modulation,PWM)变流器的控制中,证明了VSG技术为电网提供惯性,改善电网的响应特性,但并未应用到多端BTB的VSC-HVDC系统中。
现有的研究大多针对高压直流输电,基于构建交直流混合配电网的思想,在中压10 kV交流配电网中,引入三端BTB VSC-HVDC装置的接线方案,以解决传统配电网低可靠性的问题,基于采用VSG控制的换流器可拥有类似同步发电机的外特性和转子惯性,以验证VSG控制在所搭建模型中较传统控制策略的优越性和有效性。
1 系统建模
1.1 三端BTB VSC-HVDC系统简介
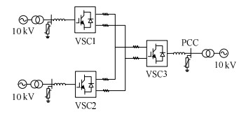
图1
图1
三端BTB VSC-HVDC系统的整体结构图
Fig. 1
Whole structure of three terminal BTB VSC-HVDC system
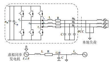
图2所示为典型的逆变器拓扑结构与其模拟的同步发电机模型的等效关系,其中eabc、uabc、iabc分别表示VSC交流侧端口电压、交流电网电压、逆变器交流电流,udc为直流母线电压,Cdc为直流侧电容,用于维持系统的能量平衡及直流电压恒定;L、R、C构成了交流滤波器,用于滤除换流器开关产生的高频分量;公共连接点(point of common coupling,PCC)处的功率表示换流器或VSG输出的功率。
图2
1.2 换流器内环控制
图2给出了逆变器的拓扑结构图,在三相静止坐标系abc中,VSC交流侧的动态数学方程式为
将式(1)进行park变换后,可得到两相同步旋转坐标系下电流的d、q轴分量,该分量除了受到控制量的影响,还受到交叉耦合项和系统电压的影响,为了实现对电流的跟踪控制,且当电流内环采用PI控制时,电压参考值为
式中kp、ki为PI的控制参数。
2 VSG控制
由图2所示逆变器与VSG的等效关系,首先考虑逆变器应如何模拟同步发电机,与同步发电机类似,逆变器应包含机械方程和电磁方程以及有功控制和无功控制。
2.1 机械方程和电磁方程
类比含转子惯性和阻尼因素在内的同步发电机二阶模型,等效的机械方程可表示为
式中:J为VSG的转动惯量,kg·m2;Tm、Te、Td分别为VSG的机械、电磁、阻尼转矩,N·m;D为阻尼系数,N·m·rad·s-1;ω0为电网的同步角速度,rad·s-1;ω为同步发电机的机械角速度,rad·s-1。其中,同步发电机的电磁转矩为
式中Pe为VSG输出的电磁功率。
VSG的电磁方程如式(1)所示,进行变换后可得:
式中:L、R分别为同步发电机的等效电感和等效电阻;eabc为同步机内电势;uabc为同步机端电压。
对于上式中各参数的选取,虚拟转动惯量和阻尼系数应根据系统响应需求设定而不受实际所限,J和D的引入对外可表现出类似同步发电机的惯性和阻尼作用。式(3)中的虚拟机械转矩由有功调节控制器获得。
2.2 有功-频率调节
类比于同步发电机机械转矩对发电机有功功率的调节作用以及调频器对频率偏差的响应,对于VSG,可通过虚拟机械转矩来调节逆变器的有功指令,虚拟机械转矩为
式中:kf为调频系数;f0和f分别为电网频率指令值和VSG机端频率实际值;Pref为逆变器的有功指令值。
由于VSG的有功控制过程中增加了虚拟转子惯性和阻尼环节,其外特性可在传统有功功率下垂控制的基础上增强逆变器的惯性,从而使电网能够在惯性的支撑下提高电网的抗扰动能力。
图3所示为有功调节与机械部分的结构图,有功调节输出的机械转矩与机械方程相结合后,输出的角频率为后文的虚拟电势提供相位。
图3
2.3 无功-电压调节
类比于同步发电机的励磁控制对输出电压和无功功率的调节作用,对VSG,可通过调节虚拟电势来调节其机端电压和无功功率,其虚拟电势指令为
式中:kq为无功调节系数;ku为电压调节系数;Qref和Q分别为逆变器的无功指令值和输出的瞬时无功功率值;Uref和Urms分别为逆变器机端电压指令值和有效值;E0为VSG的空载电动势,即逆变器空载运行时的机端电压。由此可得如图4所示的虚拟电势控制结构图。
图4
模拟同步发电机的虚拟电势相量为
式中φ为VSG的相位。
综合上述有功、无功调节,可得VSG控制策略的整体结构如图5所示。逆变器通过电磁方程输出d、q参考电流后,经电压电流内环控制器调节,生成SPWM信号触发VSC的通断。
图5
3 三端BTB系统的运行特性
3.1 系统参数
表1 系统参数
Tab. 1
| 参数 | 值 |
| 系统额定容量S/(MV·A) | 10 |
| 直流电压Udc/kV | 0.75 |
| 变压器变比U1/U2 | 10/0.38 |
| 直流侧电容Cdc/μF | 8 000 |
| (R+jωL)/ω | 0.02+j0.001 4 |
| 频率f/Hz | 50 |
经SPWM调制后,交流侧电压与直流电压的关系为
式中:k为调制比,工程上一般取值为0.8~0.9,本文取0.83,由此可确定交流系统电压为380 V时,直流电压为750 V。
设换流器1、2为整流器,均采用直流电压下垂控制策略,3为逆变器,对其分别采用定直流功率控制和VSG控制方式,模拟多种工况并对系统的运行特性进行分析。为了突出多端系统运行特性,设定1、2换流器具有相同的容量及调节特性,直流电压斜率为0.05。采用传统控制和VSG控制的换流器的具体控制参数见表2。
表2 控制参数
Tab. 2
| 控制方法 | 外环 | 内环 | |||
| kp | ki | kp | ki | ||
| 直流电压下垂控制 | 0.3 | 20 | 3 | 1 | |
| 定功率控制 | 1 | 0.05 | 3 | 1 | |
| VSG控制 | D=100 | J=5 000 | 0.001 | 50 | |
3.2 系统运行特性研究
本文将分别对系统在2种控制策略下,分析比较受端电网在发生负荷突变、三相短路故障时系统的运行情况进行仿真分析。
在t=0.8 s时设置一小扰动,负荷骤减0.5 MW,待系统运行一段时间后,t=1.4 s时将该负荷重新投入,传统控制和VSG控制的频率变化结果如图6所示。可以看出,图6(a)中负荷突减时由于一次调频特性,PCC处频率迅速增加,换流器连接着交流电网,因此在波动后能缓慢恢复到额定频率50 Hz,1.4 s负荷突增时有功缺额导致PCC处频率下降,经短暂波动后缓慢恢复。图6(c)中换流器输出的功率基本不变,说明传统控制下换流器不参与电网调节。图6(b)、(d)、(e)为VSG控制下的PCC频率、功率波形图,在负荷突减和负荷突增时,由图6(b)可以看出,PCC处的频率先上升后下降,由于采用VSG控制等效增加了系统的惯性,因此相对传统控制而言,VSG控制大大减小了负荷变动时的频率波动幅值。图6(d)中,当0.8 s负荷突减时系统中有功过剩,VSG虚拟转速变化,逆变器在虚拟调速器的作用下参与电网的一次调频,向PCC输出功率减少,即从直流侧吸收的功率减少,对应图6(e)中送端2个整流器向直流侧的输出功率减少;当1.4 s负荷突增时,逆变器向PCC输出的功率增加,即从直流侧吸收的功率增加,弥补了受端电网的功率缺额。同时图6(e)中整流侧的输出功率随之增加,整个系统始终保持能量守恒。由此可知,采用VSG控制策略能有效参与电网的一次调频,减小动态过程中频率的波动幅值,提高系统的频率质量,从而提高系统的稳定性。

在t=2 s时受端电网PCC处发生三相短路故障,持续时间为0.1 s,采用2种控制方式下的系统频率、直流电压、输出功率、三端直流功率的仿真波形图如图7所示。由图7中可看出,传统控制下,由于系统中缺乏惯性,导致短路瞬间系统各参量产生了较大的瞬时冲击,而VSG控制中,引入的虚拟转动惯量使系统中等效增加了惯性,有效减弱了短路时各参量的幅值波动。PCC在三相短路瞬间,图7(a)中传统控制下系统的频率波动较大,VSG控制下的系统频率在±0.3 Hz范围内变化,波动幅值相对传统控制来说较小,图7(b)中直流电压同理,可以看到传统控制的电压波动较大,VSG控制下直流电压的波动表现出了类似同步发电机的振荡特性。图7(c)中受端电网三相短路后,换流器的输出功率瞬间减小;在系统三相重合闸后,直流电压和逆变侧的输出功率均较快地恢复到了稳定值。图7(d)、(e)为2种控制下三端换流器向直流系统输出的功率,可以看出在故障瞬间,VSG控制与传统控制下的直流功率波动相差不大,这是由于传统控制给定了直流功率的参考值,图7(d)中经BTB连接的换流器输出的直流功率波动幅值较小,送端换流器具有相同的调节特性,整流侧的直流功率曲线重合。图7(e)中由于虚拟惯性一方面表现出了同步机的振荡特性,另一方面抑制了直流功率在故障瞬间的波动。综上,该仿真实验证明了VSG控制能有效提高故障侧的频率质量和抗扰动能力。

4 结论
1)建立了一种10 kV配电网三端VSC-HVDC的接线方案,可以达到提高系统供电可靠性、抑制系统环流的目的。鉴于VSC-HVDC的传统下垂控制缺乏惯性和无法参与电网调节等缺点,因此引入VSG控制技术来克服这些问题,提高交流系统的运行性能。
2)在VSG控制策略下,换流器具有类比于同步发电机的一次调频特性,在网侧负荷发生突变时,能有效参与电网的一次调节,提高系统的频率质量。
3)在VSG控制策略下,引入的虚拟转动惯量使系统中等效增加了惯性,在系统发生故障时削弱了各参量的瞬时冲击,有助于系统的稳定运行。
参考文献
VSC based HVDC power transmission systems:An overview
[J].
Multistage expansion planning for active distribution networks under demand and distributed generation uncertainties
[J].
Design, analysis, and real-time testing of a controller for multibus microgrid system
[J].
Synchronverters:Inverters that mimic synchronous generators
[J].
Self-synchronized synchronverters:Inverters without a dedicated synchronization unit
[J].
VSC-HVDC受端换流器参与电网调频的VSG控制及其改进算法
[J].
Grid-friendly wind power systems based on the synchronverter technology
[J].
/
| 〈 |
|
〉 |
