三端背靠背柔性直流输电的虚拟同步发电机控制策略及其在配电网中的应用
邹丹1(),艾欣1(),王奥1(),王坤宇1(),黄仁乐2(),陈乃仕3(),蒲天骄3()
Virtual Synchronous Generator Control Strategy of Three Terminal Back-To-Back Voltage Source Converter Based HVDC and Its Application in Distribution Network
Dan ZOU1(),Xin AI1(),Ao WANG1(),Kunyu WANG1(),Renle HUANG2(),Naishi CHEN3(),Tianjiao PU3()

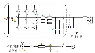
图2. 逆变器与VSG的等效模型

Fig. 2. Equivalent model between inverter and VSG