0 引言
近30多年来,光伏发电因其环保性、经济性在全国各地尤其是西北地区得到了大规模的发展[1 -2 ] 。传统的电力系统能量流动为发电端到负荷的单向模式,随着高渗透率光伏能源并入电网,传统电力设备无法满足供电多样性和能量双向流动的要求,配电网的安全稳定运行受到极大的威胁[3 -4 ] ,如潮流逆向导致光伏并网系统出现公共连接点电压越限[5 ] ,这不仅影响当地负荷的供电质量,还增大了线路和变压器等输配电设备的损耗,造成系统过载[6 ] 。随着主动配电网的发展,电力系统拥有了多种电压调节手段,根据通信方式的不同,可分为就地控制、集中式控制和分布式控制方式[7 ] ,具体包括有载调压变压器[8 ] 、储能装置[9 ] 及光伏逆变器[10 -13 ] 等方法,但单一的方法存在着控制不灵活或是容量有限等缺点。分布式新能源接入配电网与储能配置对支撑有源配电网的发展有十分重要的意义[14 ] ,是解决高渗透光伏配电网电压越限的一个重要措施,但其大规模发展面临诸多难题,而不断完善的电力辅助服务市场是一个很好的解决方案[15 ] 。
文献[16 ]提出能源互联网的设想,即新能源与互联配电网融合发展,该设想有助于解决新能源的消纳难题、支撑建设新能源供给消纳体系,并改善能源的生产和供应模式,提高能源使用效率,成为推动能源革命和实现“双碳”目标的重要举措[17 ] 。基于电力电子变换技术的电能路由器作为能源互联网中的核心组成部分,其出现为光伏并网过电压问题的解决及配电网的管理带来了一个新的突破。电能路由器作为一种灵活调节电网功率流的能量交换装置[18 ] ,如同信息互联网中的路由器一样,能够灵活控制网络潮流,通过一系列的控制手段实现潮流分配、电压改善、电网监控和故障隔离等功能[19 -20 ] 。目前已有较多针对电能路由器的结构及控制策略方面的研究[21 -24 ] ,但对于含电能路由器的混合配电网的潮流分布及潮流优化的研究较少,导致难以根据实时潮流变化解决高渗透光伏接入地区的配电网过电压问题。
为此,本文提出一种含电能路由器的光伏配电网的潮流优化方案,通过对电能路由器端口稳态建模和建立统一的潮流计算模型,设计了多目标优化方案,并在实际场景下进行了验证,解决了电压越限及电能利用率低等问题。
1 电能路由器的等效模型
1.1 电能路由器端口结构模型
电能路由器端口结构模型如图1 所示,其端口可连接包括电网、储能系统、光伏系统、电动车充电站等交、直流系统。
图1
图1
多端口电能路由器结构示意图
Fig. 1
Structure diagram of multi-port electrical energy router
各端口之间的结构关系描述如下:光伏系统与直流母线的DC/DC端口连接,连接时可根据实际情况设置不同的电压等级,本文主要考虑中低压配电网,即0.4~10 kV电压等级的配电网线路下的光伏接入;电网与电能路由器通过AC/DC端口连接;储能系统中的电化学储能是分布式发电系统中最有前景的储能形式,在安装分布式电源接入的配电网时,往往配备一定容量的储能装置,其与电能路由器的连接可看作DC/DC类型端口;电动汽车充电站作为DC/DC端口连接的另一种形式,是现如今乃至未来汽车供能的一种发展趋势,这是因为电动汽车对加快能源结构转变具有重要意义,不仅有助于实现碳中和,还可以参与电网的能量调节[25 -27 ] 。根据以上各系统电气属性,电能路由器与之连接部分可归纳为AC/DC、DC/DC两类端口。
电能路由器内部与直流母线进行能量交换,外部端口连接电网、光伏系统、储能系统、电动汽车充电站等[28 ] ,其端口之间的功率流向如图2 所示。图2 未考虑电能路由器在信息层面的数据流向,主要描述了电气物理层面的功能,多端口电能路由器功率部分基于电力电子变换器并结合相应的控制方法进行电能功率变换。
图2
图2
多端口电能路由器功率交换示意图
Fig. 2
Power switching diagram of multi-port electrical energy router
为进一步实现潮流优化过程,对AC/DC端口、DC/DC端口与直流交换总线进行端口建模,如式(1)—(9)。
1.2 AC/DC端口稳态等效模型
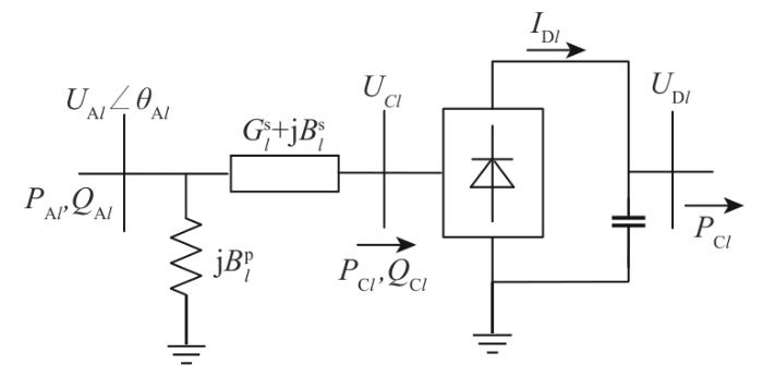
电能路由器AC/DC端口等效的电力电子结构由无损整流器和等效阻抗经过串并联构成[29 ] ,如图3 所示。AC/DC端口的等效阻抗包括并联支路上的等效电纳j B l p 与串联支路上的等效导纳G l s + j B l s 。经过等效阻抗后,注入端口的有功功率P A l 减小为P C l ,而后流入直流母线实现总线能量平衡,无功功率Q A l 变为Q C l 后被整流装置吸收。
图3
图3
电能路由器AC/DC端口等效的电力电子结构
Fig. 3
Power electronic architecture of the AC/DCport of the electrical energy router
根据上述结构和文献[30 ]的潮流方程,得到电能路由器交流侧端口l 注入的有功功率P A l 和无功功率Q A l ,其表达式分别如下:
P A l = G l s U A l 2 - ( G l s c o s θ A l + B l s s i n θ A l ) U A l U C l (1)
Q A l = - ( B l s + B l p ) U A l 2 + ( B l s c o s θ A l - G l s s i n θ A l ) U A l U C l (2)
式中:l 为电能路由器AC/DC端口编号;U C l 为交流侧注入电压值;U A l 为交流侧端口节点电压值;θ A l 为交流侧端口节点电压的相角;G l s 为串联等效电导;B l s 为串联等效电纳;B l p 为并联等效电纳。
注入直流母线的有功功率P C l 与整流器交流侧流入的有功功率大小相等,可表示为
P C l = U D l I D l = - G l s U C l 2 +
( G l s c o s θ A l - B l s s i n θ A l ) U A l U C l (3)
式中:U D l 为直流侧电压值;I D l 为直流侧电流值。
整流器交、直流侧电压幅值U C l 与U D l 之间的关系可表示为
U D l = η U C l = ε Χ 2 U C l (4)
式中:ε 为直流侧电压利用率;Χ 为整流器的调制系数;η 为等效电压控制系数,其取值大小由ε 和Χ 决定,在此设定ε =1,Χ =1。
1.3 DC/DC端口稳态等效模型
电能路由器DC/DC端口等效的电力电子结构如图4 所示,由损耗等效电阻和理想变压器串联构成。其一次侧可看作与外部的光伏系统或储能部分相连接,二次侧则与电能路由器内部的直流DC/DC母线相连接。
图4
图4
电能路由器DC/DC端口等效的电力电子结构
Fig. 4
Power electronic architecture of the DC/DCport of the electrical energy router
DC/DC端口的一、二次侧电压及其功率关系可表示如下:
U n = I n R n + k d U d n (5)
P n = U n 2 R n - k d U n U d n R n = G n U n 2 - k d G n U n U d n (6)
P d n = k d U n U d n R n - k d 2 U d n 2 R n = k d G n U n U d n - k d 2 G n U d n 2 (7)
式中:n 为电能路由器DC/DC端口编号;U n 、U d n 分别为一、二次侧电压;I n 为一次侧电流;R n 为内部损耗等效电阻;G n 为等效电阻的倒数,即G n = 1 / R n ;k d 为变换器的变比;P n 、P d n 分别为一、二次侧有功功率。
1.4 DC/DC交换总线模型
对于电能路由器内部的直流DC/DC母线,可将其视为一个中间级隔离变压器。在电压等级与外部节点电压等级相同的情况下,直流母线可看作直接与外部节点相连,即不考虑DC/DC变换器的损耗。
对于直流-直流交换总线上的功率平衡方程,在交流端口l (M l 个端口)与直流端口n (M n 个端口)共计M (M = M l + M n ) 个端口的电能路由器中,功率方向以注入母线端的方向为正,直流母线端的平衡方程可表示为
∑ l = 1 M l P C l + ∑ n = 1 M n P d n = Δ P d c (8)
式中Δ P d c 为有功损耗,包括动态损耗与静态损耗,且因配电网中阻抗较大,静态损耗远大于动态损耗。
Δ P d c = k p × f a × B b × V (9)
式中:k p 、a 、b 均为斯坦梅茨系数,根据材料不同而变化;f 为频率;B 为峰值磁感应强度;V 为母线磁芯的体积。
2 含电能路由器的高渗透率光伏配电网建模
2.1 高渗透率光伏接入配电网模型
图5
图5
多个光伏接入配电网示意图
Fig. 5
Diagram of multiple photovoltaic connection to the distribution network
低压配电网功率因数较高,且线路的电抗较小,因此可以忽略无功功率的作用,只考虑有功功率在线路上的压降,即U k P k + j Q k R k ,此时线路节点k 的电压为U k ,阻抗为R k ,复功率为P k + j Q k ( P k 、Q k 分别为有功、无功功率),则某个用户m 的接入电压(即线路节点m 的电压)U m 为
U m = U 0 - ∑ k = 1 m { [ ∑ n = k N 0 ( P n - P p v n ) R k ] / U k - 1 } (10)
式中:P p v n 为第n 个用户所接入的光伏容量;N 0 为配电网中节点数量;U 0 为线路首端节点电压;U k - 1 为线路节点k -1的电压。
Δ U m = U m - 1 - U m = ∑ k = 1 m ∑ n = k N 0 ( P n - P p v n ) R k U k - 1 -
∑ k = 1 m - 1 ∑ n = k N 0 ( P n - P p v n ) R k U k - 1 = - ∑ n = m N 0 ( P n - P p v n ) R m U m - 1 (11)
式(11)表明,电压差与用户所消耗的功率及光伏接入的总容量有关。当∑ n = m N 0 P n < ∑ n = m N 0 P p v n ,即m 节点及其后所有负荷有功功率之和小于所有光伏发电功率之和时,电压被抬升。
无光伏接入的情况下,因配电网线路上无功功率较小,可将其忽略,此时线路网损P l o s s 为
P l o s s = ∑ k = 1 N 0 { R k [ ( ∑ m = k N 0 P k ) 2 + ( ∑ m = k N 0 Q k ) 2 ] / U k 2 } = ∑ k = 1 N 0 [ R k ( ∑ m = k N 0 P k ) 2 / U k 2 ] (12)
光伏接入后,与无光伏接入时的线路网损差值Δ P l o s s 为
Δ P l o s s = P l o s s - P l o s s ' =
∑ k = 1 N 0 { R k [ ( ∑ m = k N 0 P k ) 2 - ( ∑ m = k N 0 P k - P p v m ) 2 ] / U k 2 } (13)
式中:P l o s s ' 为无光伏接入时的线路网损;P p v m 为第m 个用户所接入的光伏总容量。
若接入光伏容量较小,线路网损有所减少;若接入光伏容量较大,系统潮流发生倒送,则会增加线路网损。
2.2 配电网交流负荷模型
为减少配电网分析误差,将交流负荷特性看作ZIP(即阻抗、电流、功率)混合模型[32 ] ,该模型包含恒定阻抗负荷消耗的功率、恒定电流负荷对应的功率及恒功率分量。这3种分量的电压系数分别用α 、β 、γ 表示,且满足α + β + γ = 1 。负荷的功率 - 电压 之间的关系表达式如下:
P L = ( α U 2 + β U + γ ) P L 0 (14)
Q L = ( α U 2 + β U + γ ) Q L 0 (15)
式中:P L 和Q L 分别为负荷吸收的有功、无功功率;P L 0 和Q L 0 分别表示在额定电压下负荷吸收的有功、无功功率;U 为负荷的电压幅值。
2.3 含电能路由器的配电网模型
使用牛顿-拉夫逊法求解含有电能路由器的高渗透率光伏配电网潮流计算模型,其迭代表达式为
f ( x ( r ) ) = - J ( r ) Δ x ( r ) x ( r + 1 ) = x ( r ) + Δ x ( r ) (16)
式中:x 为状态变量;Δ x 为状态变化量;J 为雅可比矩阵;r 为迭代次数;f ( x ) 为由N 0 个节点构成的原配电网中Δ P i 、Δ Q i 、Δ U i 等组成的函数,其中Δ P i 、Δ Q i 、Δ U i 分别为第i 个节点的有功功率、无功功率、电压的修正量,表达式如式(17)所示。
Δ P i = P i - U i ∑ j = 1 n U j ( G i j c o s θ i j + B i j s i n θ i j ) Δ Q i = Q i - U i ∑ j = 1 n U j ( G i j s i n θ i j - B i j c o s θ i j ) Δ U i = U i - U i ( c o s θ i j + s i n θ i j ) (17)
式中:U i 、U j 分别为配电网中第i 、j 个节点电压,其中i , j = 1,2 , ⋯ , N 0 ;θ i j 为节点i 与节点j 的相角差;P i 为配电网第i 个节点所连接电能路由器和负荷消耗的有功功率;G i j 为节点i 与j 之间的电导;B i j 为节点i 与j 之间的电纳;Q i 为配电网第i 个节点所连接的电能路由器和负荷消耗的无功功率。
根据第1节建立的模型,若对电能路由器与配电网进行分步求解,运算量会很大。为简化计算,可以建立统一的潮流模型,用以描述电能路由器的端口与配电网节点的耦合关系。AC/DC端口与DC/DC端口的简化模型分别如图6 、7 所示。
图6
图6
AC/DC端口简化模型图
Fig. 6
Simplified model diagram of AC/DC port
图7
图7
DC/DC端口简化模型图
Fig. 7
Simplified model diagram of DC/DC port
图6 、7 中电能路由器的母线输入端口可以看作配电网的虚拟节点,此时整流器输入端口以外的导纳支路属于配电网整体,因此,配电网功率与电能路由器直流母线侧功率有如下关系:
P C l + P M + P N = 0 (18)
式中P M 、P N 分别为电能路由器M 个端口的有功功率与配电网N 个端口的有功功率。
将原配电网的导纳矩阵Y g ( N 阶)新增M 个(M = M l + M n ) 虚拟端口,得到新的导纳矩阵Y g ' ,其表达式如下:
Y g ' = Y g ⋯ Y 1 ( N + M ) ⋮ ⋮ Y ( N + M ) 1 ⋯ Y ( N + M ) ( N + M ) (19)
将第1.2和1.3节的端口等效模型代入式(19),得到交流系统和直流系统的导纳矩阵,分别如式(20)和(21)所示,其中交流端口数量为l 个,直流端口为n 个。
Y l i = Y i l = - G l i - j B l i Y l l = G l i + j B l i Y i i ' = Y i i + G l i + B l i + j B C l (20)
式中:Y l i 为交流系统导纳矩阵Y g ' 第l 行第i 列的值,即端口l 与节点i 之间的导纳,与Y i l 大小相等,符号相反;Y i i ' 为交流系统导纳矩阵Y g ' 第i 行第i 列的值。
Y n i = Y i n = - G n i Y n n = G n i Y i i ' ' = Y i i + G n i (21)
式中:Y n i 为直流系统导纳矩阵第n 行第i 列的值,与Y i n 大小相等,符号相反;Y n n 为导纳矩阵第n 行第n 列的值;Y i i ' ' 为直流系统导纳矩阵第i 行第i 列的值。
为得到配电网与电能路由器端口之间的关系,引入联络矩阵D 与应答矩阵E 。
D i l = 1 , 如果 网络 侧节 点 l 与网 络节 点 i 相连 0 , 不连 接 (22)
E i l = 1 , 如果 虚拟 节点 l 与网 络节 点 i 相连 0 , 不连 接 (23)
式中D i l 、E i l 分别为联络矩阵D 和应答矩阵E 的第i 行第l 列的值。
将联络矩阵与应答矩阵代入式(1)—(21)建立的含电能路由器的光伏配电网模型中,得到配电网与电能路由器端口之间的关系表达式:
U A l = ∑ D i l U i P A l = - ∑ D i l P i U C l = ∑ E i l U i P C l = - ∑ E i l P i (24)
将式(24)代入电能路由器的AC/DC、DC/DC模型中,得到配电网中电能路由器的端口平衡方程,从而可建立统一的潮流分析模型,便于实现网络的整体分析。设定电能路由器端口有功、无功功率分别为P r 、 Q r ,则配电网节点i 的功率平衡方程如下:
P i - U i ∑ j = 1 n U j ( G i j c o s θ i j + B i j s i n θ i j ) - P r = 0 Q i - U i ∑ j = 1 n U j ( G i j s i n θ i j - B i j c o s θ i j ) - Q r = 0 (25)
3 电能路由器的控制策略及优化求解
3.1 改进的黑洞优化算法
为了实现电能路由器的并网运行、潮流控制等功能,并确保整体功率平衡,需要采取相应的控制策略,从而实现对电能路由器不同端口的有功功率与无功功率的控制。如当通过潮流计算发现某个端口出现了电压越限的问题时,说明该端口有潮流变换的需求,此时可以通过相应的控制方式吸收或发出一定的有功、无功功率来实现功率平衡。
对于AC/DC端口,可设置为定无功功率或定交流电压控制,该端口所连接的节点可视为PQ或PV节点[33 ] 。其中:PQ节点是已知节点注入有功功率P 和无功功率Q 的节点,待求的未知量是节点电压值U 和相位角δ ;PV节点是已知节点有功功率P 和节点电压U 的节点,待求的未知量是无功功率Q 和相位角δ 。上述有功功率P 、无功功率Q 、电压U 可表示为式(26),即电能路由器交流端口的等效负荷的分量与DC/AC端口的相应注入分量幅值相同,方向相反。
P = - P r Q = - Q r U = - U r (26)
对于DC/DC端口,采用定直流电压、定直流有功功率或下垂控制等方式,其控制方程为
U = U d * P = P d * P = 1 k u ( U - U d r ) + P d r (27)
式中:U d * 、P d * 分别为定直流电压、功率控制下直流端口的参数设定值;k u 为下垂控制方式下的下垂系数;P d r 、U d r 分别为下垂控制方式下直流端口的电压、功率参数设定值。
对于电能路由器在配电网中的优化求解,文献[34 ]启发式地提出了黑洞优化算法(black hole algorithm,BHA),相较于粒子群等其他的优化算法,该算法可以有效提高收敛速度并防止局部最优解的产生。本文结合配电网的相关属性,对黑洞优化算法进行了拓展化应用,并结合电能路由器属性特征对其黑洞边界进行了容量约束。改进的黑洞优化算法求解流程如图8 所示,具体步骤如下:
图8
图8
改进的黑洞算法求解流程图
Fig. 8
Flowchart of the improved black hole algorithm
1)随机生成候选解群体,该群体包含求解系统的相应参数Pj 、Qj (即电能路由器吸收/发出的有功功率、无功功率)。
2)用星球的相应参数对配电网进行潮流计算,并计算各星球的适应度值,即计算电压偏差与功率损耗偏差的目标函数值。
3)对各星球的适应度值进行排序,选择最优适应度值作为黑洞,即选择最小的目标函数值。
4)周围的星球以式(28)所示的随机步长向黑洞靠近,如果有适应度更优的恒星,黑洞则会移动到恒星所在的位置。
x s ( t + 1 ) = x s ( t ) + r a n d ( x B H A - x s ( t ) ) (28)
式中:T 为星球数量;x s ( t + 1 ) 、x s ( t ) 分别为第s (s = 1,2 , ⋯ , T ) 颗星球在t +1和t 次迭代的位置;x B H A 为最佳适应度下的位置,首次迭代时为随机值;r a n d ( ⋅)表示生成[0,1]区间随机值的函数。
5)如果恒星与黑洞距离超过一定值,则会被黑洞吸收,然后在搜索空间内重新生成一个新的星球,其表达式为
R d = f B H A ∑ i = 1 W f i (29)
式中:f B H A 为黑洞的适应度值;f i 为第i 颗星球的适应度值;R d 为黑洞边界。当候选解f i 和黑洞之间的距离小于R d 时,该候选解被折叠,且新的候选解被创建并随机分布在搜索空间内。
6)如果适应度满足设定的要求或完成迭代次数,则算法结束。
3.2 基于电压偏差和线路损耗的优化目标
将线路的电压偏差平方和线路损耗作为优化目标,因安全性、可靠性为电力系统运行最基本的要求,因此,本文将电压偏差的权重μ v 取值为0.6,线路损耗的权重μ l o s s 取值为0.4。
f = μ v f v + μ l o s s f l o s s (30)
式中:f v 为电压偏差的目标函数;f l o s s 为网络损耗的目标函数。
对于电压偏差,本文采用国家标准GB/T 12325—2008《电能质量 供电电压偏差》[35 ] 中对节点的电压偏差的规定来衡量电压数据,即供电系统在正常运行方式下,某一节点的实际电压U p c c 与系统标称电压U N o r m 差除以系统标称电压U N o r m 的百分数,其表达式[34 ] 为
δ U = U p c c - U N o r m U N o r m × 100 % (31)
f v = m i n ( δ U i ) 2 = m i n ( U i - U N o r m U N o r m × 100 % ) 2 (32)
f l o s s = m i n ( L l o s s , i ) = m i n ( U i - U j 2 R i , j - j X i , j ) (33)
式中:R i , j 与X i , j 分别为节点i 与节点j 之间的电阻值、电抗值;L l o s s , i 为节点i 与节点i +1之间的线路损耗。
3.3 优化求解的约束条件
1) 交流网络的约束条件
Δ P i = 0 Δ Q i = 0 (34)
S m i n ≤ U i U j ( G i j c o s θ i j + B i j s i n θ i j ) - G i j U i 2 ≤ S m a x (35)
式中S m a x 、S m i n 分别为流入交流网络的节点i 的功率上、下界。
2) 电能路由器的约束条件
Δ P C l = 0 Δ Q C l = 0 (36)
式中Δ P C l 、Δ Q C l 分别为电能路由器端口的有功功率、无功功率变化量。
一 二次侧的电压均满足
Δ U l = 0 (37)
U A l , m i n ≤ U A l ≤ U A l , m a x (38)
P A l , m i n ≤ P A l ≤ P A l , m a x (39)
Q A l , m i n ≤ Q A l ≤ Q A l , m a x (40)
θ A l , m i n ≤ θ A l ≤ θ A l , m a x (41)
η A l , m i n ≤ η A l ≤ η A l , m a x (42)
式中:U A l , m a x 、U A l , m i n 分别为电能路由器交流侧端口电压的上、下界;P A l , m a x 、P A l , m i n 分别为电能路由器交流侧端口有功功率的上、下界;Q A l , m a x 、Q A l , m i n 分别为电能路由器交流侧端口无功功率的上、下界;θ A l , m a x 、θ A l , m i n 分别为电能路由器交流侧线路的功率差角的上、下界;η A l , m a x 、η A l , m i n 分别为电能路由器交流端口等效电压利用系数的上、下界。
式(30)—(42)为配电网电压偏差最小化时配电网的优化模型,本文基于此模型进行仿真分析。
4 面向高渗透率光伏配电网的仿真分析
4.1 甘肃某地区高渗透率光伏配电网模型
某地区高渗透光伏配电网简化模型如图9 所示,其中1—30为负荷节点,可视为PQ节点,线路电压等级为10 kV,节点6、22、25、28、30为光伏并网处,通过一个0.4/10 kV的升压变压器接入线路。
图9
图9
某地区高渗透率光伏配电网结构图
Fig. 9
Structure of high proportion photovoltaic distribution network in a region
每个并网处的低压侧为分布式光伏模型,如图10 所示。配电网线路参数如表2 所示。配电网及光伏电站相关参数如表3 所示。
图10
图10
低压侧分布式光伏并网图
Fig. 10
Low voltage side distributed photovoltaic grid-connected diagram
对图9 的配电网模型进行分析后,选择在光伏渗透率较高的25—28节点及15—18节点分别接入一个电能路由器,其结构如图11 所示。
图11
图11
含电能路由器的高渗透率光伏配电网结构
Fig. 11
Structure of high proportion photovoltaic distribution network with electrical energy routers
4.2 含电能路由器的配电网节点电压分析
结合图9 中的线路参数,在MATLAB/Matpower中给出线路模型模拟过电压情况,通过潮流计算得到线路电压数据。图12 显示了不同光伏出力下系统各节点的电压状态。
图12
图12
配电网改进前后各节点电压变化情况
Fig. 12
Voltage changes of each node before and after distribution grid improvement
由图12 可以看出,在加入电能路由器前,光伏出力不同时,系统的电压变化较为明显:当光伏未输出时,系统的电压甚至出现了越下限的情况;当光伏出力增加为50%时,系统的电压有所恢复,表明光伏对系统的电压有一定的稳定作用;而当光伏输出为满功率时,系统的过电压现象较为明显。在线路模型中,节点1为平衡节点,电压恒定为1 pu,线路标准电压偏差为± 7 % [33 ] 。接入光伏后,其他各节点因光伏接入的渗透率过高而发生潮流倒送、电压越限。
为了实现能量的平衡与充分利用,可使电能路由器连接储能系统,这样就可以将配电网中多余的电能存储起来或在电压偏低时向系统输送一部分电能。因此,根据第3节的优化目标得到优化潮流,从图12 可以看到,配电网线路改进后,各点电压越限现象得到了明显的改善,不仅在光伏高渗透率时使电压稳定在标准电压范围内,还能够协调储能等外部电源,在电压偏低时稳定系统电压,较好地解决了光伏波动性问题。
4.3 含电能路由器的配电网功率损耗分析
配电网改进前后线路平均功率损耗如图13 所示,可以看出:在加入电能路由器前,随着光伏出力的增加,配电网的线路损耗有一定程度的增加,表明光伏输出的容量大时线路发生了潮流倒送,对系统的功率传输有一定的反作用;同时,线路损耗因阻抗而造成,而节点1可看作大电网端,线路的阻抗较大,对应线路的损耗也较大。
图13
图13
配电网改进前后线路平均功率损耗图
Fig. 13
Average line power loss before and after distribution grid improvement
当配电网线路改进后,线路功率损耗得到了明显的改善,详细对比如表4 所示。
在优化求解过程中,线路电压的约束条件为0.93~1.07 pu,由表4 可以看出,在3种不同的光伏渗透率下,系统的运行状态均得到了优化改善。当光伏未输出时,其电压最小值提升了10.30%,在光伏输出占比为50%、100%时,其电压最大值分别降低了2.78%和8.04%,表明系统的电压越限均得到了明显优化;随着光伏输出容量的增加,线路平均损耗也在增加,但进行潮流优化后,其线路平均功率损耗下降了63.55%~68.94%。
5 结论
基于一种新型电力系统场景下电能路由器的端口模型,提出了一种含电能路由器的光伏配电网模型,并结合现有的高渗透率光伏配电网模型,验证了在不同的光伏接入场景下,所提模型能够改善系统潮流带来的波动问题。所得结论主要如下:
1)提出了富有场景化的电能路由器稳态模型,在对配电网电压进行控制方案的基础上,对电能路由器与配电网进行整体的潮流分析,以更加全局化的思路来解决电压越限问题,最终使得在电压越限时,各节点电压与线路平均网损均得到一定程度的优化。
2)建立了含多端口电能路由器的高渗透光伏配电网统一模型,采用改进的黑洞优化算法解决了工程问题,通过从解决高渗透率光伏配电网电压越限问题切入,可以为其他的分布式能源、电动汽车充电站等接入配电网系统时的潮流优化等问题带来新的解决方案。
3)实现了电压偏差最小和线路损耗最小,但会带来其他特性的偏离,例如发电成本、系统稳定性等,在考虑这些因素后,实际优化的效果可能小于理论计算值。后续研究可以考虑更复杂的目标优化以切合工程实际。
参考文献
View Option
[3]
佟曦 ,侯朗博 ,孙昊 ,等 .高比例光伏和电动汽车接入配电网的无功优化
[J].智慧电力 ,2023 ,51 (10 ):31 -37 .
[本文引用: 1]
TONG X , HOU L B , SUN H ,et al .Reactive power optimization of distribution networks with high proportion of PV and EVs
[J].Smart Power ,2023 ,51 (10 ):31 -37 .
[本文引用: 1]
[4]
惠慧 ,李蕊 ,朱逸镝 ,等 .含高比例分布式光伏的配电网多目标概率规划方法
[J].电测与仪表 ,2023 ,60 (11 ):2 -10 .
[本文引用: 1]
HUI H , LI R , ZHU Y D ,et al .Multi-objective probabilistic planning method for distribution network with high proportion of distributed photovoltaic
[J].Electrical Measurement & Instrumentation ,2023 ,60 (11 ):2 -10 .
[本文引用: 1]
[6]
赵争鸣 ,雷一 ,贺凡波 ,等 .大容量并网光伏电站技术综述
[J].电力系统自动化 ,2011 ,35 (12 ):101 -107 .
[本文引用: 1]
ZHAO Z M , LEI Y , HE F B ,et al .Overview of large-scale grid-connected photovoltaic power plants
[J].Automation of Electric Power Systems ,2011 ,35 (12 ):101 -107 .
[本文引用: 1]
[7]
赵冬梅 ,徐辰宇 ,陶然 ,等 .多元分布式储能在新型电力系统配电侧的灵活调控研究综述
[J].中国电机工程学报 ,2023 ,43 (5 ):1776 -1799 .
[本文引用: 1]
ZHAO D M , XU C Y , TAO R ,et al .Review on flexible regulation of multiple distributed energy storage in distribution side of new power system
[J].Proceedings of the CSEE ,2023 ,43 (5 ):1776 -1799 .
[本文引用: 1]
[8]
LONG C , OCHOA L F .Voltage control of PV-rich LV networks:OLTC-fitted transformer and capacitor banks
[J].IEEE Transactions on Power Systems ,2016 ,31 (5 ):4016 -4025 . doi:10.1109/tpwrs.2015.2494627
[本文引用: 1]
[9]
刘杨华 ,杨悦荣 ,林舜江 .含光伏配电网中储能和无功补偿装置协调的多目标凸优化配置方法
[J].电力科学与技术学报 ,2023 ,38 (5 ):22 -33 .
[本文引用: 1]
LIU Y H , YANG Y R , LIN S J .A multi-object convex optimization method for the coordinated allocation of energy storage and reactive power compensation devices in distribution network integrated with photovoltaics
[J].Journal of Electric Power Science and Technology ,2023 ,38 (5 ):22 -33 .
[本文引用: 1]
[10]
CAGNANO A , DE TUGLIE E , LISERRE M ,et al .Online optimal reactive power control strategy of PV inverters
[J].IEEE Transactions on Industrial Electronics ,2011 ,58 (10 ):4549 -4558 . doi:10.1109/tie.2011.2116757
[本文引用: 1]
[11]
CRACIUN B I , SERA D , MAN E A ,et al .Improved voltage regulation strategies by PV inverters in LV rural networks
[C]//2012 3rd IEEE International Symposium on Power Electronics for Distributed Generation Systems (PEDG) .Aalborg,Denmark :IEEE ,2012 :775 -781 . doi:10.1109/pedg.2012.6254089
[12]
邹文斌 ,韩松 ,荣娜 ,等 .基于分布式共识协同的光伏逆变器电压控制策略研究
[J].电力系统保护与控制 ,2024 ,52 (1 ):166 -173 .
ZOU W B , HAN S , RONG N ,et al .Voltage control strategy for a PV inverter based on distributed consensus collaboration
[J].Power System Protection and Control ,2024 ,52 (1 ):166 -173 .
[13]
[本文引用: 1]
YAO L Q , WANG Q , LI Y ,et al .Distributed voltage control strategy of distribution network with photovoltaic and energy storage considering equipment loss cost
[J].Electric Power Engineering Technology ,2023 ,42 (6 ):52 -63 . doi:10.12158/j.2096-3203.2023.06.006
[本文引用: 1]
[15]
[本文引用: 1]
CHEN H , ZHANG W H , SHI L ,et al .Research on the development and application of the photovoltaic and energy storage system in the user-side at home and abroad
[J].Power Generation Technology ,2020 ,41 (2 ):110 -117 . doi:10.12096/j.2096-4528.pgt.19156
[本文引用: 1]
[16]
SEZGIN S .The third industrial revolution:how lateral power is transforming energy,the economy,and the world
[J].Turkish Journal of Business Ethics ,2018 ,11 (1 ):74 -75 . doi:10.12711/tjbe.2018.11.1.0005r
[本文引用: 1]
[17]
康重庆 ,钟海旺 .能源互联网主动支撑新能源供给消纳体系
[J].全球能源互联网 ,2023 ,6 (2 ):113 -115 .
[本文引用: 1]
KANG C Q , ZHONG H W .Energy internet actively supports the supply and consumption system of renewable energy
[J].Journal of Global Energy Interconnection ,2023 ,6 (2 ):113 -115 .
[本文引用: 1]
[18]
宗升 ,何湘宁 ,吴建德 ,等 .基于电力电子变换的电能路由器研究现状与发展
[J].中国电机工程学报 ,2015 ,35 (18 ):4559 -4570 .
[本文引用: 1]
ZONG S , HE X N , WU J D ,et al .Overview of power electronics based electrical energy router
[J].Proceedings of the CSEE ,2015 ,35 (18 ):4559 -4570 .
[本文引用: 1]
[19]
王聪 ,徐晓贤 ,沙广林 ,等 .基于能量路由器的交直流混合微网潮流计算
[J].电工电能新技术 ,2018 ,37 (7 ):33 -40 .
[本文引用: 1]
WANG C , XU X X , SHA G L ,et al .Power flow algorithm of AC/DC microgrid based on energy router
[J].Advanced Technology of Electrical Engineering and Energy ,2018 ,37 (7 ):33 -40 .
[本文引用: 1]
[20]
杜云飞 ,尹项根 ,赖锦木 ,等 .基于电能路由器的配电网稳定运行与故障恢复分层能量优化
[J].电力自动化设备 ,2022 ,42 (4 ):154 -164 .
[本文引用: 1]
DU Y F , YIN X G , LAI J M ,et al .Hierarchical energy optimization based on electric energy router for distribution network in stable operation and fault recovery
[J].Electric Power Automation Equipment ,2022 ,42 (4 ):154 -164 .
[本文引用: 1]
[21]
[本文引用: 1]
SUN L , CHEN W , JIANG X J ,et al .Coordinated control of multiple operation conditions for multi-port energy router in energy Internet framework
[J].Automation of Electric Power Systems ,2020 ,44 (3 ):32 -39 . doi:10.7500/AEPS20190404005
[本文引用: 1]
[22]
盛万兴 ,刘海涛 ,曾正 ,等 .一种基于虚拟电机控制的能量路由器
[J].中国电机工程学报 ,2015 ,35 (14 ):3541 -3550 .
SHENG W X , LIU H T , ZENG Z ,et al .An energy hub based on virtual-machine control
[J].Proceedings of the CSEE ,2015 ,35 (14 ):3541 -3550 .
[23]
艾欣 ,荣经国 ,吕正 ,等 .一种新型的能量路由器结构及其控制策略的研究
[J].电网技术 ,2019 ,43 (4 ):1202 -1210 .
AI X , RONG J G , LÜ Z ,et al .Research on structure and control strategy of a novel energy router
[J].Power System Technology ,2019 ,43 (4 ):1202 -1210 .
[24]
冯高辉 ,赵争鸣 ,袁立强 .基于能量平衡的电能路由器综合控制技术
[J].电工技术学报 ,2017 ,32 (14 ):34 -44 .
[本文引用: 1]
FENG G H , ZHAO Z M , YUAN L Q .Synthetical control technology of electric energy router based on energy balance relationship
[J].Transactions of China Electrotechnical Society ,2017 ,32 (14 ):34 -44 .
[本文引用: 1]
[25]
XU B , ZHANG G , LI K ,et al .Publisher correction:reactive power optimization of a distribution network with high-penetration of wind and solar renewable energy and electric vehicles
[J].Protection and Control of Modern Power Systems ,2023 ,8 :21 . doi:10.1186/s41601-022-00271-w
[本文引用: 1]
[26]
LI N X , WEN Y L , DU P ,et al .Coordinated interaction strategy between distribution network and aggregators of photo-voltaic,energy storage and electric vehicles
[J].Smart Power ,2023 ,51 (12 ):38 -44 . doi:10.3969/j.issn.1673-7598.2023.12.007
[28]
SONG Q , SHENG W , KOU L ,et al .Smart substation integration technology and its application in distribution power grid
[J].CSEE Journal of Power and Energy Systems ,2016 ,2 (4 ):31 -36 . doi:10.17775/cseejpes.2016.00046
[本文引用: 1]
[29]
MIAO J , ZHANG N , KANG C .Generalized steady-state model for energy router with applications in power flow calculation
[C]//2016 IEEE Power and Energy Society General Meeting (PESGM) .Boston,MA :IEEE ,2016 :1 -5 . doi:10.1109/pesgm.2016.7741416
[本文引用: 1]
[30]
廖小兵 ,刘开培 ,乐健 ,等 .电力系统区间潮流计算方法综述
[J].中国电机工程学报 ,2019 ,39 (2 ):447 -458 .
[本文引用: 1]
LIAO X B , LIU K P , LE J ,et al .Review on interval power flow calculation methods in power system
[J].Proceedings of the CSEE ,2019 ,39 (2 ):447 -458 .
[本文引用: 1]
[31]
许晓艳 ,黄越辉 ,刘纯 ,等 .分布式光伏发电对配电网电压的影响及电压越限的解决方案
[J].电网技术 ,2010 ,34 (10 ):140 -146 .
[本文引用: 1]
XU X Y , HUANG Y H , LIU C ,et al .Influence of distributed photovoltaic generation on voltage in distribution network and solution of voltage beyond limits
[J].Power System Technology ,2010 ,34 (10 ):140 -146 .
[本文引用: 1]
[32]
张琳娜 ,乐健 ,李昊炅 .基于混合整数线性规划的含ZIP负荷有源配电网重构方法
[J].电力系统保护与控制 ,2022 ,50 (8 ):25 -32 .
[本文引用: 1]
ZHANG L N , LE J , LI H J .Reconfiguration method of an active distribution network with a ZIP load model based on mixed integer linear programming
[J].Power System Protection and Control ,2022 ,50 (8 ):25 -32 .
[本文引用: 1]
[33]
郭烨 ,张伯明 ,吴文传 .节点类型扩展潮流计算及其可解性研究
[J].中国电机工程学报 ,2011 ,31 (13 ):79 -85 .
[本文引用: 2]
GUO Y , ZHANG B M , WU W C .Study on bus-type extended load flow and its solvability
[J].Proceedings of the CSEE ,2011 ,31 (13 ):79 -85 .
[本文引用: 2]
[34]
PEI H , LI Y , LIU K .A multi-object black hole gravitational search algorithm for day-ahead reactive optimization in distribution network
[C]//2016 IEEE Chinese Guidance,Navigation and Control Conference (CGNCC) .Nanjing,China :IEEE ,2016 :901 -906 . doi:10.1109/cgncc.2016.7828905
[本文引用: 2]
[35]
中国国家标准化管理委员会 . 电能质量 供电电压偏差 : [S].北京 :中国标准出版社 ,2009 .
[本文引用: 1]
Standardization Administration of the People’s Republic of China . Power quality:Deviation of supply voltage : [S].Beijing :Standards Press of China ,2009 .
[本文引用: 1]
我国西北地区风电、光伏发电发展形势分析
1
2022
... 近30多年来,光伏发电因其环保性、经济性在全国各地尤其是西北地区得到了大规模的发展[1 -2 ] .传统的电力系统能量流动为发电端到负荷的单向模式,随着高渗透率光伏能源并入电网,传统电力设备无法满足供电多样性和能量双向流动的要求,配电网的安全稳定运行受到极大的威胁[3 -4 ] ,如潮流逆向导致光伏并网系统出现公共连接点电压越限[5 ] ,这不仅影响当地负荷的供电质量,还增大了线路和变压器等输配电设备的损耗,造成系统过载[6 ] .随着主动配电网的发展,电力系统拥有了多种电压调节手段,根据通信方式的不同,可分为就地控制、集中式控制和分布式控制方式[7 ] ,具体包括有载调压变压器[8 ] 、储能装置[9 ] 及光伏逆变器[10 -13 ] 等方法,但单一的方法存在着控制不灵活或是容量有限等缺点.分布式新能源接入配电网与储能配置对支撑有源配电网的发展有十分重要的意义[14 ] ,是解决高渗透光伏配电网电压越限的一个重要措施,但其大规模发展面临诸多难题,而不断完善的电力辅助服务市场是一个很好的解决方案[15 ] . ...
Analysis of wind and solar PV power development situation in northwest of China
1
2022
... 近30多年来,光伏发电因其环保性、经济性在全国各地尤其是西北地区得到了大规模的发展[1 -2 ] .传统的电力系统能量流动为发电端到负荷的单向模式,随着高渗透率光伏能源并入电网,传统电力设备无法满足供电多样性和能量双向流动的要求,配电网的安全稳定运行受到极大的威胁[3 -4 ] ,如潮流逆向导致光伏并网系统出现公共连接点电压越限[5 ] ,这不仅影响当地负荷的供电质量,还增大了线路和变压器等输配电设备的损耗,造成系统过载[6 ] .随着主动配电网的发展,电力系统拥有了多种电压调节手段,根据通信方式的不同,可分为就地控制、集中式控制和分布式控制方式[7 ] ,具体包括有载调压变压器[8 ] 、储能装置[9 ] 及光伏逆变器[10 -13 ] 等方法,但单一的方法存在着控制不灵活或是容量有限等缺点.分布式新能源接入配电网与储能配置对支撑有源配电网的发展有十分重要的意义[14 ] ,是解决高渗透光伏配电网电压越限的一个重要措施,但其大规模发展面临诸多难题,而不断完善的电力辅助服务市场是一个很好的解决方案[15 ] . ...
区域光伏发电出力特性分析研究
1
2022
... 近30多年来,光伏发电因其环保性、经济性在全国各地尤其是西北地区得到了大规模的发展[1 -2 ] .传统的电力系统能量流动为发电端到负荷的单向模式,随着高渗透率光伏能源并入电网,传统电力设备无法满足供电多样性和能量双向流动的要求,配电网的安全稳定运行受到极大的威胁[3 -4 ] ,如潮流逆向导致光伏并网系统出现公共连接点电压越限[5 ] ,这不仅影响当地负荷的供电质量,还增大了线路和变压器等输配电设备的损耗,造成系统过载[6 ] .随着主动配电网的发展,电力系统拥有了多种电压调节手段,根据通信方式的不同,可分为就地控制、集中式控制和分布式控制方式[7 ] ,具体包括有载调压变压器[8 ] 、储能装置[9 ] 及光伏逆变器[10 -13 ] 等方法,但单一的方法存在着控制不灵活或是容量有限等缺点.分布式新能源接入配电网与储能配置对支撑有源配电网的发展有十分重要的意义[14 ] ,是解决高渗透光伏配电网电压越限的一个重要措施,但其大规模发展面临诸多难题,而不断完善的电力辅助服务市场是一个很好的解决方案[15 ] . ...
Analysis and research on output characteristics of regional photovoltaic power generation
1
2022
... 近30多年来,光伏发电因其环保性、经济性在全国各地尤其是西北地区得到了大规模的发展[1 -2 ] .传统的电力系统能量流动为发电端到负荷的单向模式,随着高渗透率光伏能源并入电网,传统电力设备无法满足供电多样性和能量双向流动的要求,配电网的安全稳定运行受到极大的威胁[3 -4 ] ,如潮流逆向导致光伏并网系统出现公共连接点电压越限[5 ] ,这不仅影响当地负荷的供电质量,还增大了线路和变压器等输配电设备的损耗,造成系统过载[6 ] .随着主动配电网的发展,电力系统拥有了多种电压调节手段,根据通信方式的不同,可分为就地控制、集中式控制和分布式控制方式[7 ] ,具体包括有载调压变压器[8 ] 、储能装置[9 ] 及光伏逆变器[10 -13 ] 等方法,但单一的方法存在着控制不灵活或是容量有限等缺点.分布式新能源接入配电网与储能配置对支撑有源配电网的发展有十分重要的意义[14 ] ,是解决高渗透光伏配电网电压越限的一个重要措施,但其大规模发展面临诸多难题,而不断完善的电力辅助服务市场是一个很好的解决方案[15 ] . ...
高比例光伏和电动汽车接入配电网的无功优化
1
2023
... 近30多年来,光伏发电因其环保性、经济性在全国各地尤其是西北地区得到了大规模的发展[1 -2 ] .传统的电力系统能量流动为发电端到负荷的单向模式,随着高渗透率光伏能源并入电网,传统电力设备无法满足供电多样性和能量双向流动的要求,配电网的安全稳定运行受到极大的威胁[3 -4 ] ,如潮流逆向导致光伏并网系统出现公共连接点电压越限[5 ] ,这不仅影响当地负荷的供电质量,还增大了线路和变压器等输配电设备的损耗,造成系统过载[6 ] .随着主动配电网的发展,电力系统拥有了多种电压调节手段,根据通信方式的不同,可分为就地控制、集中式控制和分布式控制方式[7 ] ,具体包括有载调压变压器[8 ] 、储能装置[9 ] 及光伏逆变器[10 -13 ] 等方法,但单一的方法存在着控制不灵活或是容量有限等缺点.分布式新能源接入配电网与储能配置对支撑有源配电网的发展有十分重要的意义[14 ] ,是解决高渗透光伏配电网电压越限的一个重要措施,但其大规模发展面临诸多难题,而不断完善的电力辅助服务市场是一个很好的解决方案[15 ] . ...
Reactive power optimization of distribution networks with high proportion of PV and EVs
1
2023
... 近30多年来,光伏发电因其环保性、经济性在全国各地尤其是西北地区得到了大规模的发展[1 -2 ] .传统的电力系统能量流动为发电端到负荷的单向模式,随着高渗透率光伏能源并入电网,传统电力设备无法满足供电多样性和能量双向流动的要求,配电网的安全稳定运行受到极大的威胁[3 -4 ] ,如潮流逆向导致光伏并网系统出现公共连接点电压越限[5 ] ,这不仅影响当地负荷的供电质量,还增大了线路和变压器等输配电设备的损耗,造成系统过载[6 ] .随着主动配电网的发展,电力系统拥有了多种电压调节手段,根据通信方式的不同,可分为就地控制、集中式控制和分布式控制方式[7 ] ,具体包括有载调压变压器[8 ] 、储能装置[9 ] 及光伏逆变器[10 -13 ] 等方法,但单一的方法存在着控制不灵活或是容量有限等缺点.分布式新能源接入配电网与储能配置对支撑有源配电网的发展有十分重要的意义[14 ] ,是解决高渗透光伏配电网电压越限的一个重要措施,但其大规模发展面临诸多难题,而不断完善的电力辅助服务市场是一个很好的解决方案[15 ] . ...
含高比例分布式光伏的配电网多目标概率规划方法
1
2023
... 近30多年来,光伏发电因其环保性、经济性在全国各地尤其是西北地区得到了大规模的发展[1 -2 ] .传统的电力系统能量流动为发电端到负荷的单向模式,随着高渗透率光伏能源并入电网,传统电力设备无法满足供电多样性和能量双向流动的要求,配电网的安全稳定运行受到极大的威胁[3 -4 ] ,如潮流逆向导致光伏并网系统出现公共连接点电压越限[5 ] ,这不仅影响当地负荷的供电质量,还增大了线路和变压器等输配电设备的损耗,造成系统过载[6 ] .随着主动配电网的发展,电力系统拥有了多种电压调节手段,根据通信方式的不同,可分为就地控制、集中式控制和分布式控制方式[7 ] ,具体包括有载调压变压器[8 ] 、储能装置[9 ] 及光伏逆变器[10 -13 ] 等方法,但单一的方法存在着控制不灵活或是容量有限等缺点.分布式新能源接入配电网与储能配置对支撑有源配电网的发展有十分重要的意义[14 ] ,是解决高渗透光伏配电网电压越限的一个重要措施,但其大规模发展面临诸多难题,而不断完善的电力辅助服务市场是一个很好的解决方案[15 ] . ...
Multi-objective probabilistic planning method for distribution network with high proportion of distributed photovoltaic
1
2023
... 近30多年来,光伏发电因其环保性、经济性在全国各地尤其是西北地区得到了大规模的发展[1 -2 ] .传统的电力系统能量流动为发电端到负荷的单向模式,随着高渗透率光伏能源并入电网,传统电力设备无法满足供电多样性和能量双向流动的要求,配电网的安全稳定运行受到极大的威胁[3 -4 ] ,如潮流逆向导致光伏并网系统出现公共连接点电压越限[5 ] ,这不仅影响当地负荷的供电质量,还增大了线路和变压器等输配电设备的损耗,造成系统过载[6 ] .随着主动配电网的发展,电力系统拥有了多种电压调节手段,根据通信方式的不同,可分为就地控制、集中式控制和分布式控制方式[7 ] ,具体包括有载调压变压器[8 ] 、储能装置[9 ] 及光伏逆变器[10 -13 ] 等方法,但单一的方法存在着控制不灵活或是容量有限等缺点.分布式新能源接入配电网与储能配置对支撑有源配电网的发展有十分重要的意义[14 ] ,是解决高渗透光伏配电网电压越限的一个重要措施,但其大规模发展面临诸多难题,而不断完善的电力辅助服务市场是一个很好的解决方案[15 ] . ...
含高渗透率光伏的配电网分布式电压控制
1
2018
... 近30多年来,光伏发电因其环保性、经济性在全国各地尤其是西北地区得到了大规模的发展[1 -2 ] .传统的电力系统能量流动为发电端到负荷的单向模式,随着高渗透率光伏能源并入电网,传统电力设备无法满足供电多样性和能量双向流动的要求,配电网的安全稳定运行受到极大的威胁[3 -4 ] ,如潮流逆向导致光伏并网系统出现公共连接点电压越限[5 ] ,这不仅影响当地负荷的供电质量,还增大了线路和变压器等输配电设备的损耗,造成系统过载[6 ] .随着主动配电网的发展,电力系统拥有了多种电压调节手段,根据通信方式的不同,可分为就地控制、集中式控制和分布式控制方式[7 ] ,具体包括有载调压变压器[8 ] 、储能装置[9 ] 及光伏逆变器[10 -13 ] 等方法,但单一的方法存在着控制不灵活或是容量有限等缺点.分布式新能源接入配电网与储能配置对支撑有源配电网的发展有十分重要的意义[14 ] ,是解决高渗透光伏配电网电压越限的一个重要措施,但其大规模发展面临诸多难题,而不断完善的电力辅助服务市场是一个很好的解决方案[15 ] . ...
Distributed voltage control in distribution networks with high penetration of PV
1
2018
... 近30多年来,光伏发电因其环保性、经济性在全国各地尤其是西北地区得到了大规模的发展[1 -2 ] .传统的电力系统能量流动为发电端到负荷的单向模式,随着高渗透率光伏能源并入电网,传统电力设备无法满足供电多样性和能量双向流动的要求,配电网的安全稳定运行受到极大的威胁[3 -4 ] ,如潮流逆向导致光伏并网系统出现公共连接点电压越限[5 ] ,这不仅影响当地负荷的供电质量,还增大了线路和变压器等输配电设备的损耗,造成系统过载[6 ] .随着主动配电网的发展,电力系统拥有了多种电压调节手段,根据通信方式的不同,可分为就地控制、集中式控制和分布式控制方式[7 ] ,具体包括有载调压变压器[8 ] 、储能装置[9 ] 及光伏逆变器[10 -13 ] 等方法,但单一的方法存在着控制不灵活或是容量有限等缺点.分布式新能源接入配电网与储能配置对支撑有源配电网的发展有十分重要的意义[14 ] ,是解决高渗透光伏配电网电压越限的一个重要措施,但其大规模发展面临诸多难题,而不断完善的电力辅助服务市场是一个很好的解决方案[15 ] . ...
大容量并网光伏电站技术综述
1
2011
... 近30多年来,光伏发电因其环保性、经济性在全国各地尤其是西北地区得到了大规模的发展[1 -2 ] .传统的电力系统能量流动为发电端到负荷的单向模式,随着高渗透率光伏能源并入电网,传统电力设备无法满足供电多样性和能量双向流动的要求,配电网的安全稳定运行受到极大的威胁[3 -4 ] ,如潮流逆向导致光伏并网系统出现公共连接点电压越限[5 ] ,这不仅影响当地负荷的供电质量,还增大了线路和变压器等输配电设备的损耗,造成系统过载[6 ] .随着主动配电网的发展,电力系统拥有了多种电压调节手段,根据通信方式的不同,可分为就地控制、集中式控制和分布式控制方式[7 ] ,具体包括有载调压变压器[8 ] 、储能装置[9 ] 及光伏逆变器[10 -13 ] 等方法,但单一的方法存在着控制不灵活或是容量有限等缺点.分布式新能源接入配电网与储能配置对支撑有源配电网的发展有十分重要的意义[14 ] ,是解决高渗透光伏配电网电压越限的一个重要措施,但其大规模发展面临诸多难题,而不断完善的电力辅助服务市场是一个很好的解决方案[15 ] . ...
Overview of large-scale grid-connected photovoltaic power plants
1
2011
... 近30多年来,光伏发电因其环保性、经济性在全国各地尤其是西北地区得到了大规模的发展[1 -2 ] .传统的电力系统能量流动为发电端到负荷的单向模式,随着高渗透率光伏能源并入电网,传统电力设备无法满足供电多样性和能量双向流动的要求,配电网的安全稳定运行受到极大的威胁[3 -4 ] ,如潮流逆向导致光伏并网系统出现公共连接点电压越限[5 ] ,这不仅影响当地负荷的供电质量,还增大了线路和变压器等输配电设备的损耗,造成系统过载[6 ] .随着主动配电网的发展,电力系统拥有了多种电压调节手段,根据通信方式的不同,可分为就地控制、集中式控制和分布式控制方式[7 ] ,具体包括有载调压变压器[8 ] 、储能装置[9 ] 及光伏逆变器[10 -13 ] 等方法,但单一的方法存在着控制不灵活或是容量有限等缺点.分布式新能源接入配电网与储能配置对支撑有源配电网的发展有十分重要的意义[14 ] ,是解决高渗透光伏配电网电压越限的一个重要措施,但其大规模发展面临诸多难题,而不断完善的电力辅助服务市场是一个很好的解决方案[15 ] . ...
多元分布式储能在新型电力系统配电侧的灵活调控研究综述
1
2023
... 近30多年来,光伏发电因其环保性、经济性在全国各地尤其是西北地区得到了大规模的发展[1 -2 ] .传统的电力系统能量流动为发电端到负荷的单向模式,随着高渗透率光伏能源并入电网,传统电力设备无法满足供电多样性和能量双向流动的要求,配电网的安全稳定运行受到极大的威胁[3 -4 ] ,如潮流逆向导致光伏并网系统出现公共连接点电压越限[5 ] ,这不仅影响当地负荷的供电质量,还增大了线路和变压器等输配电设备的损耗,造成系统过载[6 ] .随着主动配电网的发展,电力系统拥有了多种电压调节手段,根据通信方式的不同,可分为就地控制、集中式控制和分布式控制方式[7 ] ,具体包括有载调压变压器[8 ] 、储能装置[9 ] 及光伏逆变器[10 -13 ] 等方法,但单一的方法存在着控制不灵活或是容量有限等缺点.分布式新能源接入配电网与储能配置对支撑有源配电网的发展有十分重要的意义[14 ] ,是解决高渗透光伏配电网电压越限的一个重要措施,但其大规模发展面临诸多难题,而不断完善的电力辅助服务市场是一个很好的解决方案[15 ] . ...
Review on flexible regulation of multiple distributed energy storage in distribution side of new power system
1
2023
... 近30多年来,光伏发电因其环保性、经济性在全国各地尤其是西北地区得到了大规模的发展[1 -2 ] .传统的电力系统能量流动为发电端到负荷的单向模式,随着高渗透率光伏能源并入电网,传统电力设备无法满足供电多样性和能量双向流动的要求,配电网的安全稳定运行受到极大的威胁[3 -4 ] ,如潮流逆向导致光伏并网系统出现公共连接点电压越限[5 ] ,这不仅影响当地负荷的供电质量,还增大了线路和变压器等输配电设备的损耗,造成系统过载[6 ] .随着主动配电网的发展,电力系统拥有了多种电压调节手段,根据通信方式的不同,可分为就地控制、集中式控制和分布式控制方式[7 ] ,具体包括有载调压变压器[8 ] 、储能装置[9 ] 及光伏逆变器[10 -13 ] 等方法,但单一的方法存在着控制不灵活或是容量有限等缺点.分布式新能源接入配电网与储能配置对支撑有源配电网的发展有十分重要的意义[14 ] ,是解决高渗透光伏配电网电压越限的一个重要措施,但其大规模发展面临诸多难题,而不断完善的电力辅助服务市场是一个很好的解决方案[15 ] . ...
Voltage control of PV-rich LV networks:OLTC-fitted transformer and capacitor banks
1
2016
... 近30多年来,光伏发电因其环保性、经济性在全国各地尤其是西北地区得到了大规模的发展[1 -2 ] .传统的电力系统能量流动为发电端到负荷的单向模式,随着高渗透率光伏能源并入电网,传统电力设备无法满足供电多样性和能量双向流动的要求,配电网的安全稳定运行受到极大的威胁[3 -4 ] ,如潮流逆向导致光伏并网系统出现公共连接点电压越限[5 ] ,这不仅影响当地负荷的供电质量,还增大了线路和变压器等输配电设备的损耗,造成系统过载[6 ] .随着主动配电网的发展,电力系统拥有了多种电压调节手段,根据通信方式的不同,可分为就地控制、集中式控制和分布式控制方式[7 ] ,具体包括有载调压变压器[8 ] 、储能装置[9 ] 及光伏逆变器[10 -13 ] 等方法,但单一的方法存在着控制不灵活或是容量有限等缺点.分布式新能源接入配电网与储能配置对支撑有源配电网的发展有十分重要的意义[14 ] ,是解决高渗透光伏配电网电压越限的一个重要措施,但其大规模发展面临诸多难题,而不断完善的电力辅助服务市场是一个很好的解决方案[15 ] . ...
含光伏配电网中储能和无功补偿装置协调的多目标凸优化配置方法
1
2023
... 近30多年来,光伏发电因其环保性、经济性在全国各地尤其是西北地区得到了大规模的发展[1 -2 ] .传统的电力系统能量流动为发电端到负荷的单向模式,随着高渗透率光伏能源并入电网,传统电力设备无法满足供电多样性和能量双向流动的要求,配电网的安全稳定运行受到极大的威胁[3 -4 ] ,如潮流逆向导致光伏并网系统出现公共连接点电压越限[5 ] ,这不仅影响当地负荷的供电质量,还增大了线路和变压器等输配电设备的损耗,造成系统过载[6 ] .随着主动配电网的发展,电力系统拥有了多种电压调节手段,根据通信方式的不同,可分为就地控制、集中式控制和分布式控制方式[7 ] ,具体包括有载调压变压器[8 ] 、储能装置[9 ] 及光伏逆变器[10 -13 ] 等方法,但单一的方法存在着控制不灵活或是容量有限等缺点.分布式新能源接入配电网与储能配置对支撑有源配电网的发展有十分重要的意义[14 ] ,是解决高渗透光伏配电网电压越限的一个重要措施,但其大规模发展面临诸多难题,而不断完善的电力辅助服务市场是一个很好的解决方案[15 ] . ...
A multi-object convex optimization method for the coordinated allocation of energy storage and reactive power compensation devices in distribution network integrated with photovoltaics
1
2023
... 近30多年来,光伏发电因其环保性、经济性在全国各地尤其是西北地区得到了大规模的发展[1 -2 ] .传统的电力系统能量流动为发电端到负荷的单向模式,随着高渗透率光伏能源并入电网,传统电力设备无法满足供电多样性和能量双向流动的要求,配电网的安全稳定运行受到极大的威胁[3 -4 ] ,如潮流逆向导致光伏并网系统出现公共连接点电压越限[5 ] ,这不仅影响当地负荷的供电质量,还增大了线路和变压器等输配电设备的损耗,造成系统过载[6 ] .随着主动配电网的发展,电力系统拥有了多种电压调节手段,根据通信方式的不同,可分为就地控制、集中式控制和分布式控制方式[7 ] ,具体包括有载调压变压器[8 ] 、储能装置[9 ] 及光伏逆变器[10 -13 ] 等方法,但单一的方法存在着控制不灵活或是容量有限等缺点.分布式新能源接入配电网与储能配置对支撑有源配电网的发展有十分重要的意义[14 ] ,是解决高渗透光伏配电网电压越限的一个重要措施,但其大规模发展面临诸多难题,而不断完善的电力辅助服务市场是一个很好的解决方案[15 ] . ...
Online optimal reactive power control strategy of PV inverters
1
2011
... 近30多年来,光伏发电因其环保性、经济性在全国各地尤其是西北地区得到了大规模的发展[1 -2 ] .传统的电力系统能量流动为发电端到负荷的单向模式,随着高渗透率光伏能源并入电网,传统电力设备无法满足供电多样性和能量双向流动的要求,配电网的安全稳定运行受到极大的威胁[3 -4 ] ,如潮流逆向导致光伏并网系统出现公共连接点电压越限[5 ] ,这不仅影响当地负荷的供电质量,还增大了线路和变压器等输配电设备的损耗,造成系统过载[6 ] .随着主动配电网的发展,电力系统拥有了多种电压调节手段,根据通信方式的不同,可分为就地控制、集中式控制和分布式控制方式[7 ] ,具体包括有载调压变压器[8 ] 、储能装置[9 ] 及光伏逆变器[10 -13 ] 等方法,但单一的方法存在着控制不灵活或是容量有限等缺点.分布式新能源接入配电网与储能配置对支撑有源配电网的发展有十分重要的意义[14 ] ,是解决高渗透光伏配电网电压越限的一个重要措施,但其大规模发展面临诸多难题,而不断完善的电力辅助服务市场是一个很好的解决方案[15 ] . ...
Improved voltage regulation strategies by PV inverters in LV rural networks
0
2012
基于分布式共识协同的光伏逆变器电压控制策略研究
0
2024
Voltage control strategy for a PV inverter based on distributed consensus collaboration
0
2024
计及设备损耗成本的含光储配电网分布式电压控制策略
1
2023
... 近30多年来,光伏发电因其环保性、经济性在全国各地尤其是西北地区得到了大规模的发展[1 -2 ] .传统的电力系统能量流动为发电端到负荷的单向模式,随着高渗透率光伏能源并入电网,传统电力设备无法满足供电多样性和能量双向流动的要求,配电网的安全稳定运行受到极大的威胁[3 -4 ] ,如潮流逆向导致光伏并网系统出现公共连接点电压越限[5 ] ,这不仅影响当地负荷的供电质量,还增大了线路和变压器等输配电设备的损耗,造成系统过载[6 ] .随着主动配电网的发展,电力系统拥有了多种电压调节手段,根据通信方式的不同,可分为就地控制、集中式控制和分布式控制方式[7 ] ,具体包括有载调压变压器[8 ] 、储能装置[9 ] 及光伏逆变器[10 -13 ] 等方法,但单一的方法存在着控制不灵活或是容量有限等缺点.分布式新能源接入配电网与储能配置对支撑有源配电网的发展有十分重要的意义[14 ] ,是解决高渗透光伏配电网电压越限的一个重要措施,但其大规模发展面临诸多难题,而不断完善的电力辅助服务市场是一个很好的解决方案[15 ] . ...
Distributed voltage control strategy of distribution network with photovoltaic and energy storage considering equipment loss cost
1
2023
... 近30多年来,光伏发电因其环保性、经济性在全国各地尤其是西北地区得到了大规模的发展[1 -2 ] .传统的电力系统能量流动为发电端到负荷的单向模式,随着高渗透率光伏能源并入电网,传统电力设备无法满足供电多样性和能量双向流动的要求,配电网的安全稳定运行受到极大的威胁[3 -4 ] ,如潮流逆向导致光伏并网系统出现公共连接点电压越限[5 ] ,这不仅影响当地负荷的供电质量,还增大了线路和变压器等输配电设备的损耗,造成系统过载[6 ] .随着主动配电网的发展,电力系统拥有了多种电压调节手段,根据通信方式的不同,可分为就地控制、集中式控制和分布式控制方式[7 ] ,具体包括有载调压变压器[8 ] 、储能装置[9 ] 及光伏逆变器[10 -13 ] 等方法,但单一的方法存在着控制不灵活或是容量有限等缺点.分布式新能源接入配电网与储能配置对支撑有源配电网的发展有十分重要的意义[14 ] ,是解决高渗透光伏配电网电压越限的一个重要措施,但其大规模发展面临诸多难题,而不断完善的电力辅助服务市场是一个很好的解决方案[15 ] . ...
有源配电网中分布式电源接入与储能配置
1
2022
... 近30多年来,光伏发电因其环保性、经济性在全国各地尤其是西北地区得到了大规模的发展[1 -2 ] .传统的电力系统能量流动为发电端到负荷的单向模式,随着高渗透率光伏能源并入电网,传统电力设备无法满足供电多样性和能量双向流动的要求,配电网的安全稳定运行受到极大的威胁[3 -4 ] ,如潮流逆向导致光伏并网系统出现公共连接点电压越限[5 ] ,这不仅影响当地负荷的供电质量,还增大了线路和变压器等输配电设备的损耗,造成系统过载[6 ] .随着主动配电网的发展,电力系统拥有了多种电压调节手段,根据通信方式的不同,可分为就地控制、集中式控制和分布式控制方式[7 ] ,具体包括有载调压变压器[8 ] 、储能装置[9 ] 及光伏逆变器[10 -13 ] 等方法,但单一的方法存在着控制不灵活或是容量有限等缺点.分布式新能源接入配电网与储能配置对支撑有源配电网的发展有十分重要的意义[14 ] ,是解决高渗透光伏配电网电压越限的一个重要措施,但其大规模发展面临诸多难题,而不断完善的电力辅助服务市场是一个很好的解决方案[15 ] . ...
Distributed power access and energy storage configuration in active distribution network
1
2022
... 近30多年来,光伏发电因其环保性、经济性在全国各地尤其是西北地区得到了大规模的发展[1 -2 ] .传统的电力系统能量流动为发电端到负荷的单向模式,随着高渗透率光伏能源并入电网,传统电力设备无法满足供电多样性和能量双向流动的要求,配电网的安全稳定运行受到极大的威胁[3 -4 ] ,如潮流逆向导致光伏并网系统出现公共连接点电压越限[5 ] ,这不仅影响当地负荷的供电质量,还增大了线路和变压器等输配电设备的损耗,造成系统过载[6 ] .随着主动配电网的发展,电力系统拥有了多种电压调节手段,根据通信方式的不同,可分为就地控制、集中式控制和分布式控制方式[7 ] ,具体包括有载调压变压器[8 ] 、储能装置[9 ] 及光伏逆变器[10 -13 ] 等方法,但单一的方法存在着控制不灵活或是容量有限等缺点.分布式新能源接入配电网与储能配置对支撑有源配电网的发展有十分重要的意义[14 ] ,是解决高渗透光伏配电网电压越限的一个重要措施,但其大规模发展面临诸多难题,而不断完善的电力辅助服务市场是一个很好的解决方案[15 ] . ...
国内外用户侧光储系统发展应用研究
1
2020
... 近30多年来,光伏发电因其环保性、经济性在全国各地尤其是西北地区得到了大规模的发展[1 -2 ] .传统的电力系统能量流动为发电端到负荷的单向模式,随着高渗透率光伏能源并入电网,传统电力设备无法满足供电多样性和能量双向流动的要求,配电网的安全稳定运行受到极大的威胁[3 -4 ] ,如潮流逆向导致光伏并网系统出现公共连接点电压越限[5 ] ,这不仅影响当地负荷的供电质量,还增大了线路和变压器等输配电设备的损耗,造成系统过载[6 ] .随着主动配电网的发展,电力系统拥有了多种电压调节手段,根据通信方式的不同,可分为就地控制、集中式控制和分布式控制方式[7 ] ,具体包括有载调压变压器[8 ] 、储能装置[9 ] 及光伏逆变器[10 -13 ] 等方法,但单一的方法存在着控制不灵活或是容量有限等缺点.分布式新能源接入配电网与储能配置对支撑有源配电网的发展有十分重要的意义[14 ] ,是解决高渗透光伏配电网电压越限的一个重要措施,但其大规模发展面临诸多难题,而不断完善的电力辅助服务市场是一个很好的解决方案[15 ] . ...
Research on the development and application of the photovoltaic and energy storage system in the user-side at home and abroad
1
2020
... 近30多年来,光伏发电因其环保性、经济性在全国各地尤其是西北地区得到了大规模的发展[1 -2 ] .传统的电力系统能量流动为发电端到负荷的单向模式,随着高渗透率光伏能源并入电网,传统电力设备无法满足供电多样性和能量双向流动的要求,配电网的安全稳定运行受到极大的威胁[3 -4 ] ,如潮流逆向导致光伏并网系统出现公共连接点电压越限[5 ] ,这不仅影响当地负荷的供电质量,还增大了线路和变压器等输配电设备的损耗,造成系统过载[6 ] .随着主动配电网的发展,电力系统拥有了多种电压调节手段,根据通信方式的不同,可分为就地控制、集中式控制和分布式控制方式[7 ] ,具体包括有载调压变压器[8 ] 、储能装置[9 ] 及光伏逆变器[10 -13 ] 等方法,但单一的方法存在着控制不灵活或是容量有限等缺点.分布式新能源接入配电网与储能配置对支撑有源配电网的发展有十分重要的意义[14 ] ,是解决高渗透光伏配电网电压越限的一个重要措施,但其大规模发展面临诸多难题,而不断完善的电力辅助服务市场是一个很好的解决方案[15 ] . ...
The third industrial revolution:how lateral power is transforming energy,the economy,and the world
1
2018
... 文献[16 ]提出能源互联网的设想,即新能源与互联配电网融合发展,该设想有助于解决新能源的消纳难题、支撑建设新能源供给消纳体系,并改善能源的生产和供应模式,提高能源使用效率,成为推动能源革命和实现“双碳”目标的重要举措[17 ] .基于电力电子变换技术的电能路由器作为能源互联网中的核心组成部分,其出现为光伏并网过电压问题的解决及配电网的管理带来了一个新的突破.电能路由器作为一种灵活调节电网功率流的能量交换装置[18 ] ,如同信息互联网中的路由器一样,能够灵活控制网络潮流,通过一系列的控制手段实现潮流分配、电压改善、电网监控和故障隔离等功能[19 -20 ] .目前已有较多针对电能路由器的结构及控制策略方面的研究[21 -24 ] ,但对于含电能路由器的混合配电网的潮流分布及潮流优化的研究较少,导致难以根据实时潮流变化解决高渗透光伏接入地区的配电网过电压问题. ...
能源互联网主动支撑新能源供给消纳体系
1
2023
... 文献[16 ]提出能源互联网的设想,即新能源与互联配电网融合发展,该设想有助于解决新能源的消纳难题、支撑建设新能源供给消纳体系,并改善能源的生产和供应模式,提高能源使用效率,成为推动能源革命和实现“双碳”目标的重要举措[17 ] .基于电力电子变换技术的电能路由器作为能源互联网中的核心组成部分,其出现为光伏并网过电压问题的解决及配电网的管理带来了一个新的突破.电能路由器作为一种灵活调节电网功率流的能量交换装置[18 ] ,如同信息互联网中的路由器一样,能够灵活控制网络潮流,通过一系列的控制手段实现潮流分配、电压改善、电网监控和故障隔离等功能[19 -20 ] .目前已有较多针对电能路由器的结构及控制策略方面的研究[21 -24 ] ,但对于含电能路由器的混合配电网的潮流分布及潮流优化的研究较少,导致难以根据实时潮流变化解决高渗透光伏接入地区的配电网过电压问题. ...
Energy internet actively supports the supply and consumption system of renewable energy
1
2023
... 文献[16 ]提出能源互联网的设想,即新能源与互联配电网融合发展,该设想有助于解决新能源的消纳难题、支撑建设新能源供给消纳体系,并改善能源的生产和供应模式,提高能源使用效率,成为推动能源革命和实现“双碳”目标的重要举措[17 ] .基于电力电子变换技术的电能路由器作为能源互联网中的核心组成部分,其出现为光伏并网过电压问题的解决及配电网的管理带来了一个新的突破.电能路由器作为一种灵活调节电网功率流的能量交换装置[18 ] ,如同信息互联网中的路由器一样,能够灵活控制网络潮流,通过一系列的控制手段实现潮流分配、电压改善、电网监控和故障隔离等功能[19 -20 ] .目前已有较多针对电能路由器的结构及控制策略方面的研究[21 -24 ] ,但对于含电能路由器的混合配电网的潮流分布及潮流优化的研究较少,导致难以根据实时潮流变化解决高渗透光伏接入地区的配电网过电压问题. ...
基于电力电子变换的电能路由器研究现状与发展
1
2015
... 文献[16 ]提出能源互联网的设想,即新能源与互联配电网融合发展,该设想有助于解决新能源的消纳难题、支撑建设新能源供给消纳体系,并改善能源的生产和供应模式,提高能源使用效率,成为推动能源革命和实现“双碳”目标的重要举措[17 ] .基于电力电子变换技术的电能路由器作为能源互联网中的核心组成部分,其出现为光伏并网过电压问题的解决及配电网的管理带来了一个新的突破.电能路由器作为一种灵活调节电网功率流的能量交换装置[18 ] ,如同信息互联网中的路由器一样,能够灵活控制网络潮流,通过一系列的控制手段实现潮流分配、电压改善、电网监控和故障隔离等功能[19 -20 ] .目前已有较多针对电能路由器的结构及控制策略方面的研究[21 -24 ] ,但对于含电能路由器的混合配电网的潮流分布及潮流优化的研究较少,导致难以根据实时潮流变化解决高渗透光伏接入地区的配电网过电压问题. ...
Overview of power electronics based electrical energy router
1
2015
... 文献[16 ]提出能源互联网的设想,即新能源与互联配电网融合发展,该设想有助于解决新能源的消纳难题、支撑建设新能源供给消纳体系,并改善能源的生产和供应模式,提高能源使用效率,成为推动能源革命和实现“双碳”目标的重要举措[17 ] .基于电力电子变换技术的电能路由器作为能源互联网中的核心组成部分,其出现为光伏并网过电压问题的解决及配电网的管理带来了一个新的突破.电能路由器作为一种灵活调节电网功率流的能量交换装置[18 ] ,如同信息互联网中的路由器一样,能够灵活控制网络潮流,通过一系列的控制手段实现潮流分配、电压改善、电网监控和故障隔离等功能[19 -20 ] .目前已有较多针对电能路由器的结构及控制策略方面的研究[21 -24 ] ,但对于含电能路由器的混合配电网的潮流分布及潮流优化的研究较少,导致难以根据实时潮流变化解决高渗透光伏接入地区的配电网过电压问题. ...
基于能量路由器的交直流混合微网潮流计算
1
2018
... 文献[16 ]提出能源互联网的设想,即新能源与互联配电网融合发展,该设想有助于解决新能源的消纳难题、支撑建设新能源供给消纳体系,并改善能源的生产和供应模式,提高能源使用效率,成为推动能源革命和实现“双碳”目标的重要举措[17 ] .基于电力电子变换技术的电能路由器作为能源互联网中的核心组成部分,其出现为光伏并网过电压问题的解决及配电网的管理带来了一个新的突破.电能路由器作为一种灵活调节电网功率流的能量交换装置[18 ] ,如同信息互联网中的路由器一样,能够灵活控制网络潮流,通过一系列的控制手段实现潮流分配、电压改善、电网监控和故障隔离等功能[19 -20 ] .目前已有较多针对电能路由器的结构及控制策略方面的研究[21 -24 ] ,但对于含电能路由器的混合配电网的潮流分布及潮流优化的研究较少,导致难以根据实时潮流变化解决高渗透光伏接入地区的配电网过电压问题. ...
Power flow algorithm of AC/DC microgrid based on energy router
1
2018
... 文献[16 ]提出能源互联网的设想,即新能源与互联配电网融合发展,该设想有助于解决新能源的消纳难题、支撑建设新能源供给消纳体系,并改善能源的生产和供应模式,提高能源使用效率,成为推动能源革命和实现“双碳”目标的重要举措[17 ] .基于电力电子变换技术的电能路由器作为能源互联网中的核心组成部分,其出现为光伏并网过电压问题的解决及配电网的管理带来了一个新的突破.电能路由器作为一种灵活调节电网功率流的能量交换装置[18 ] ,如同信息互联网中的路由器一样,能够灵活控制网络潮流,通过一系列的控制手段实现潮流分配、电压改善、电网监控和故障隔离等功能[19 -20 ] .目前已有较多针对电能路由器的结构及控制策略方面的研究[21 -24 ] ,但对于含电能路由器的混合配电网的潮流分布及潮流优化的研究较少,导致难以根据实时潮流变化解决高渗透光伏接入地区的配电网过电压问题. ...
基于电能路由器的配电网稳定运行与故障恢复分层能量优化
1
2022
... 文献[16 ]提出能源互联网的设想,即新能源与互联配电网融合发展,该设想有助于解决新能源的消纳难题、支撑建设新能源供给消纳体系,并改善能源的生产和供应模式,提高能源使用效率,成为推动能源革命和实现“双碳”目标的重要举措[17 ] .基于电力电子变换技术的电能路由器作为能源互联网中的核心组成部分,其出现为光伏并网过电压问题的解决及配电网的管理带来了一个新的突破.电能路由器作为一种灵活调节电网功率流的能量交换装置[18 ] ,如同信息互联网中的路由器一样,能够灵活控制网络潮流,通过一系列的控制手段实现潮流分配、电压改善、电网监控和故障隔离等功能[19 -20 ] .目前已有较多针对电能路由器的结构及控制策略方面的研究[21 -24 ] ,但对于含电能路由器的混合配电网的潮流分布及潮流优化的研究较少,导致难以根据实时潮流变化解决高渗透光伏接入地区的配电网过电压问题. ...
Hierarchical energy optimization based on electric energy router for distribution network in stable operation and fault recovery
1
2022
... 文献[16 ]提出能源互联网的设想,即新能源与互联配电网融合发展,该设想有助于解决新能源的消纳难题、支撑建设新能源供给消纳体系,并改善能源的生产和供应模式,提高能源使用效率,成为推动能源革命和实现“双碳”目标的重要举措[17 ] .基于电力电子变换技术的电能路由器作为能源互联网中的核心组成部分,其出现为光伏并网过电压问题的解决及配电网的管理带来了一个新的突破.电能路由器作为一种灵活调节电网功率流的能量交换装置[18 ] ,如同信息互联网中的路由器一样,能够灵活控制网络潮流,通过一系列的控制手段实现潮流分配、电压改善、电网监控和故障隔离等功能[19 -20 ] .目前已有较多针对电能路由器的结构及控制策略方面的研究[21 -24 ] ,但对于含电能路由器的混合配电网的潮流分布及潮流优化的研究较少,导致难以根据实时潮流变化解决高渗透光伏接入地区的配电网过电压问题. ...
能源互联网框架下多端口能量路由器的多工况协调控制
1
2020
... 文献[16 ]提出能源互联网的设想,即新能源与互联配电网融合发展,该设想有助于解决新能源的消纳难题、支撑建设新能源供给消纳体系,并改善能源的生产和供应模式,提高能源使用效率,成为推动能源革命和实现“双碳”目标的重要举措[17 ] .基于电力电子变换技术的电能路由器作为能源互联网中的核心组成部分,其出现为光伏并网过电压问题的解决及配电网的管理带来了一个新的突破.电能路由器作为一种灵活调节电网功率流的能量交换装置[18 ] ,如同信息互联网中的路由器一样,能够灵活控制网络潮流,通过一系列的控制手段实现潮流分配、电压改善、电网监控和故障隔离等功能[19 -20 ] .目前已有较多针对电能路由器的结构及控制策略方面的研究[21 -24 ] ,但对于含电能路由器的混合配电网的潮流分布及潮流优化的研究较少,导致难以根据实时潮流变化解决高渗透光伏接入地区的配电网过电压问题. ...
Coordinated control of multiple operation conditions for multi-port energy router in energy Internet framework
1
2020
... 文献[16 ]提出能源互联网的设想,即新能源与互联配电网融合发展,该设想有助于解决新能源的消纳难题、支撑建设新能源供给消纳体系,并改善能源的生产和供应模式,提高能源使用效率,成为推动能源革命和实现“双碳”目标的重要举措[17 ] .基于电力电子变换技术的电能路由器作为能源互联网中的核心组成部分,其出现为光伏并网过电压问题的解决及配电网的管理带来了一个新的突破.电能路由器作为一种灵活调节电网功率流的能量交换装置[18 ] ,如同信息互联网中的路由器一样,能够灵活控制网络潮流,通过一系列的控制手段实现潮流分配、电压改善、电网监控和故障隔离等功能[19 -20 ] .目前已有较多针对电能路由器的结构及控制策略方面的研究[21 -24 ] ,但对于含电能路由器的混合配电网的潮流分布及潮流优化的研究较少,导致难以根据实时潮流变化解决高渗透光伏接入地区的配电网过电压问题. ...
An energy hub based on virtual-machine control
0
2015
一种新型的能量路由器结构及其控制策略的研究
0
2019
Research on structure and control strategy of a novel energy router
0
2019
基于能量平衡的电能路由器综合控制技术
1
2017
... 文献[16 ]提出能源互联网的设想,即新能源与互联配电网融合发展,该设想有助于解决新能源的消纳难题、支撑建设新能源供给消纳体系,并改善能源的生产和供应模式,提高能源使用效率,成为推动能源革命和实现“双碳”目标的重要举措[17 ] .基于电力电子变换技术的电能路由器作为能源互联网中的核心组成部分,其出现为光伏并网过电压问题的解决及配电网的管理带来了一个新的突破.电能路由器作为一种灵活调节电网功率流的能量交换装置[18 ] ,如同信息互联网中的路由器一样,能够灵活控制网络潮流,通过一系列的控制手段实现潮流分配、电压改善、电网监控和故障隔离等功能[19 -20 ] .目前已有较多针对电能路由器的结构及控制策略方面的研究[21 -24 ] ,但对于含电能路由器的混合配电网的潮流分布及潮流优化的研究较少,导致难以根据实时潮流变化解决高渗透光伏接入地区的配电网过电压问题. ...
Synthetical control technology of electric energy router based on energy balance relationship
1
2017
... 文献[16 ]提出能源互联网的设想,即新能源与互联配电网融合发展,该设想有助于解决新能源的消纳难题、支撑建设新能源供给消纳体系,并改善能源的生产和供应模式,提高能源使用效率,成为推动能源革命和实现“双碳”目标的重要举措[17 ] .基于电力电子变换技术的电能路由器作为能源互联网中的核心组成部分,其出现为光伏并网过电压问题的解决及配电网的管理带来了一个新的突破.电能路由器作为一种灵活调节电网功率流的能量交换装置[18 ] ,如同信息互联网中的路由器一样,能够灵活控制网络潮流,通过一系列的控制手段实现潮流分配、电压改善、电网监控和故障隔离等功能[19 -20 ] .目前已有较多针对电能路由器的结构及控制策略方面的研究[21 -24 ] ,但对于含电能路由器的混合配电网的潮流分布及潮流优化的研究较少,导致难以根据实时潮流变化解决高渗透光伏接入地区的配电网过电压问题. ...
Publisher correction:reactive power optimization of a distribution network with high-penetration of wind and solar renewable energy and electric vehicles
1
2023
... 各端口之间的结构关系描述如下:光伏系统与直流母线的DC/DC端口连接,连接时可根据实际情况设置不同的电压等级,本文主要考虑中低压配电网,即0.4~10 kV电压等级的配电网线路下的光伏接入;电网与电能路由器通过AC/DC端口连接;储能系统中的电化学储能是分布式发电系统中最有前景的储能形式,在安装分布式电源接入的配电网时,往往配备一定容量的储能装置,其与电能路由器的连接可看作DC/DC类型端口;电动汽车充电站作为DC/DC端口连接的另一种形式,是现如今乃至未来汽车供能的一种发展趋势,这是因为电动汽车对加快能源结构转变具有重要意义,不仅有助于实现碳中和,还可以参与电网的能量调节[25 -27 ] .根据以上各系统电气属性,电能路由器与之连接部分可归纳为AC/DC、DC/DC两类端口. ...
配电网与电动汽车光储充电聚合商的协调互动策略
0
2023
Coordinated interaction strategy between distribution network and aggregators of photo-voltaic,energy storage and electric vehicles
0
2023
考虑新能源消纳的网-站-车协同优化调度
1
2023
... 各端口之间的结构关系描述如下:光伏系统与直流母线的DC/DC端口连接,连接时可根据实际情况设置不同的电压等级,本文主要考虑中低压配电网,即0.4~10 kV电压等级的配电网线路下的光伏接入;电网与电能路由器通过AC/DC端口连接;储能系统中的电化学储能是分布式发电系统中最有前景的储能形式,在安装分布式电源接入的配电网时,往往配备一定容量的储能装置,其与电能路由器的连接可看作DC/DC类型端口;电动汽车充电站作为DC/DC端口连接的另一种形式,是现如今乃至未来汽车供能的一种发展趋势,这是因为电动汽车对加快能源结构转变具有重要意义,不仅有助于实现碳中和,还可以参与电网的能量调节[25 -27 ] .根据以上各系统电气属性,电能路由器与之连接部分可归纳为AC/DC、DC/DC两类端口. ...
Grid-station-vehicle cooperative optimal scheduling considering new energy consumption
1
2023
... 各端口之间的结构关系描述如下:光伏系统与直流母线的DC/DC端口连接,连接时可根据实际情况设置不同的电压等级,本文主要考虑中低压配电网,即0.4~10 kV电压等级的配电网线路下的光伏接入;电网与电能路由器通过AC/DC端口连接;储能系统中的电化学储能是分布式发电系统中最有前景的储能形式,在安装分布式电源接入的配电网时,往往配备一定容量的储能装置,其与电能路由器的连接可看作DC/DC类型端口;电动汽车充电站作为DC/DC端口连接的另一种形式,是现如今乃至未来汽车供能的一种发展趋势,这是因为电动汽车对加快能源结构转变具有重要意义,不仅有助于实现碳中和,还可以参与电网的能量调节[25 -27 ] .根据以上各系统电气属性,电能路由器与之连接部分可归纳为AC/DC、DC/DC两类端口. ...
Smart substation integration technology and its application in distribution power grid
1
2016
... 电能路由器内部与直流母线进行能量交换,外部端口连接电网、光伏系统、储能系统、电动汽车充电站等[28 ] ,其端口之间的功率流向如图2 所示.图2 未考虑电能路由器在信息层面的数据流向,主要描述了电气物理层面的功能,多端口电能路由器功率部分基于电力电子变换器并结合相应的控制方法进行电能功率变换. ...
Generalized steady-state model for energy router with applications in power flow calculation
1
2016
... 电能路由器AC/DC端口等效的电力电子结构由无损整流器和等效阻抗经过串并联构成[29 ] ,如图3 所示.AC/DC端口的等效阻抗包括并联支路上的等效电纳j B l p 与串联支路上的等效导纳G l s + j B l s . 经过等效阻抗后,注入端口的有功功率P A l 减小为P C l ,而后流入直流母线实现总线能量平衡,无功功率Q A l 变为Q C l 后被整流装置吸收. ...
电力系统区间潮流计算方法综述
1
2019
... 根据上述结构和文献[30 ]的潮流方程,得到电能路由器交流侧端口l 注入的有功功率P A l 和无功功率Q A l ,其表达式分别如下: ...
Review on interval power flow calculation methods in power system
1
2019
... 根据上述结构和文献[30 ]的潮流方程,得到电能路由器交流侧端口l 注入的有功功率P A l 和无功功率Q A l ,其表达式分别如下: ...
分布式光伏发电对配电网电压的影响及电压越限的解决方案
1
2010
... 多个光伏接入低压配电网的结构[31 ] 如图5 所示. ...
Influence of distributed photovoltaic generation on voltage in distribution network and solution of voltage beyond limits
1
2010
... 多个光伏接入低压配电网的结构[31 ] 如图5 所示. ...
基于混合整数线性规划的含ZIP负荷有源配电网重构方法
1
2022
... 为减少配电网分析误差,将交流负荷特性看作ZIP(即阻抗、电流、功率)混合模型[32 ] ,该模型包含恒定阻抗负荷消耗的功率、恒定电流负荷对应的功率及恒功率分量.这3种分量的电压系数分别用α 、β 、γ 表示,且满足α + β + γ = 1 . 负荷的功率 - 电压 之间的关系表达式如下: ...
Reconfiguration method of an active distribution network with a ZIP load model based on mixed integer linear programming
1
2022
... 为减少配电网分析误差,将交流负荷特性看作ZIP(即阻抗、电流、功率)混合模型[32 ] ,该模型包含恒定阻抗负荷消耗的功率、恒定电流负荷对应的功率及恒功率分量.这3种分量的电压系数分别用α 、β 、γ 表示,且满足α + β + γ = 1 . 负荷的功率 - 电压 之间的关系表达式如下: ...
节点类型扩展潮流计算及其可解性研究
2
2011
... 对于AC/DC端口,可设置为定无功功率或定交流电压控制,该端口所连接的节点可视为PQ或PV节点[33 ] .其中:PQ节点是已知节点注入有功功率P 和无功功率Q 的节点,待求的未知量是节点电压值U 和相位角δ ;PV节点是已知节点有功功率P 和节点电压U 的节点,待求的未知量是无功功率Q 和相位角δ . 上述有功功率P 、无功功率Q 、电压U 可表示为式(26) ,即电能路由器交流端口的等效负荷的分量与DC/AC端口的相应注入分量幅值相同,方向相反. ...
... 由图12 可以看出,在加入电能路由器前,光伏出力不同时,系统的电压变化较为明显:当光伏未输出时,系统的电压甚至出现了越下限的情况;当光伏出力增加为50%时,系统的电压有所恢复,表明光伏对系统的电压有一定的稳定作用;而当光伏输出为满功率时,系统的过电压现象较为明显.在线路模型中,节点1为平衡节点,电压恒定为1 pu,线路标准电压偏差为± 7 % [33 ] .接入光伏后,其他各节点因光伏接入的渗透率过高而发生潮流倒送、电压越限. ...
Study on bus-type extended load flow and its solvability
2
2011
... 对于AC/DC端口,可设置为定无功功率或定交流电压控制,该端口所连接的节点可视为PQ或PV节点[33 ] .其中:PQ节点是已知节点注入有功功率P 和无功功率Q 的节点,待求的未知量是节点电压值U 和相位角δ ;PV节点是已知节点有功功率P 和节点电压U 的节点,待求的未知量是无功功率Q 和相位角δ . 上述有功功率P 、无功功率Q 、电压U 可表示为式(26) ,即电能路由器交流端口的等效负荷的分量与DC/AC端口的相应注入分量幅值相同,方向相反. ...
... 由图12 可以看出,在加入电能路由器前,光伏出力不同时,系统的电压变化较为明显:当光伏未输出时,系统的电压甚至出现了越下限的情况;当光伏出力增加为50%时,系统的电压有所恢复,表明光伏对系统的电压有一定的稳定作用;而当光伏输出为满功率时,系统的过电压现象较为明显.在线路模型中,节点1为平衡节点,电压恒定为1 pu,线路标准电压偏差为± 7 % [33 ] .接入光伏后,其他各节点因光伏接入的渗透率过高而发生潮流倒送、电压越限. ...
A multi-object black hole gravitational search algorithm for day-ahead reactive optimization in distribution network
2
2016
... 对于电能路由器在配电网中的优化求解,文献[34 ]启发式地提出了黑洞优化算法(black hole algorithm,BHA),相较于粒子群等其他的优化算法,该算法可以有效提高收敛速度并防止局部最优解的产生.本文结合配电网的相关属性,对黑洞优化算法进行了拓展化应用,并结合电能路由器属性特征对其黑洞边界进行了容量约束.改进的黑洞优化算法求解流程如图8 所示,具体步骤如下: ...
... 对于电压偏差,本文采用国家标准GB/T 12325—2008《电能质量 供电电压偏差》[35 ] 中对节点的电压偏差的规定来衡量电压数据,即供电系统在正常运行方式下,某一节点的实际电压U p c c 与系统标称电压U N o r m 差除以系统标称电压U N o r m 的百分数,其表达式[34 ] 为 ...
1
2009
... 对于电压偏差,本文采用国家标准GB/T 12325—2008《电能质量 供电电压偏差》[35 ] 中对节点的电压偏差的规定来衡量电压数据,即供电系统在正常运行方式下,某一节点的实际电压U p c c 与系统标称电压U N o r m 差除以系统标称电压U N o r m 的百分数,其表达式[34 ] 为 ...
1
2009
... 对于电压偏差,本文采用国家标准GB/T 12325—2008《电能质量 供电电压偏差》[35 ] 中对节点的电压偏差的规定来衡量电压数据,即供电系统在正常运行方式下,某一节点的实际电压U p c c 与系统标称电压U N o r m 差除以系统标称电压U N o r m 的百分数,其表达式[34 ] 为 ...