基于强化学习的固体氧化物燃料电池输出电压自抗扰控制研究 |
| 管超骏, 雷正玲, 霍海波, 王芳, 姚国全, 刘涛 |
|
Active Disturbance Rejection Control of Output Voltage of Solid Oxide Fuel Cell Based on Reinforcement Learning |
| Chaojun GUAN, Zhengling LEI, Haibo HUO, Fang WANG, Guoquan YAO, Tao LIU |
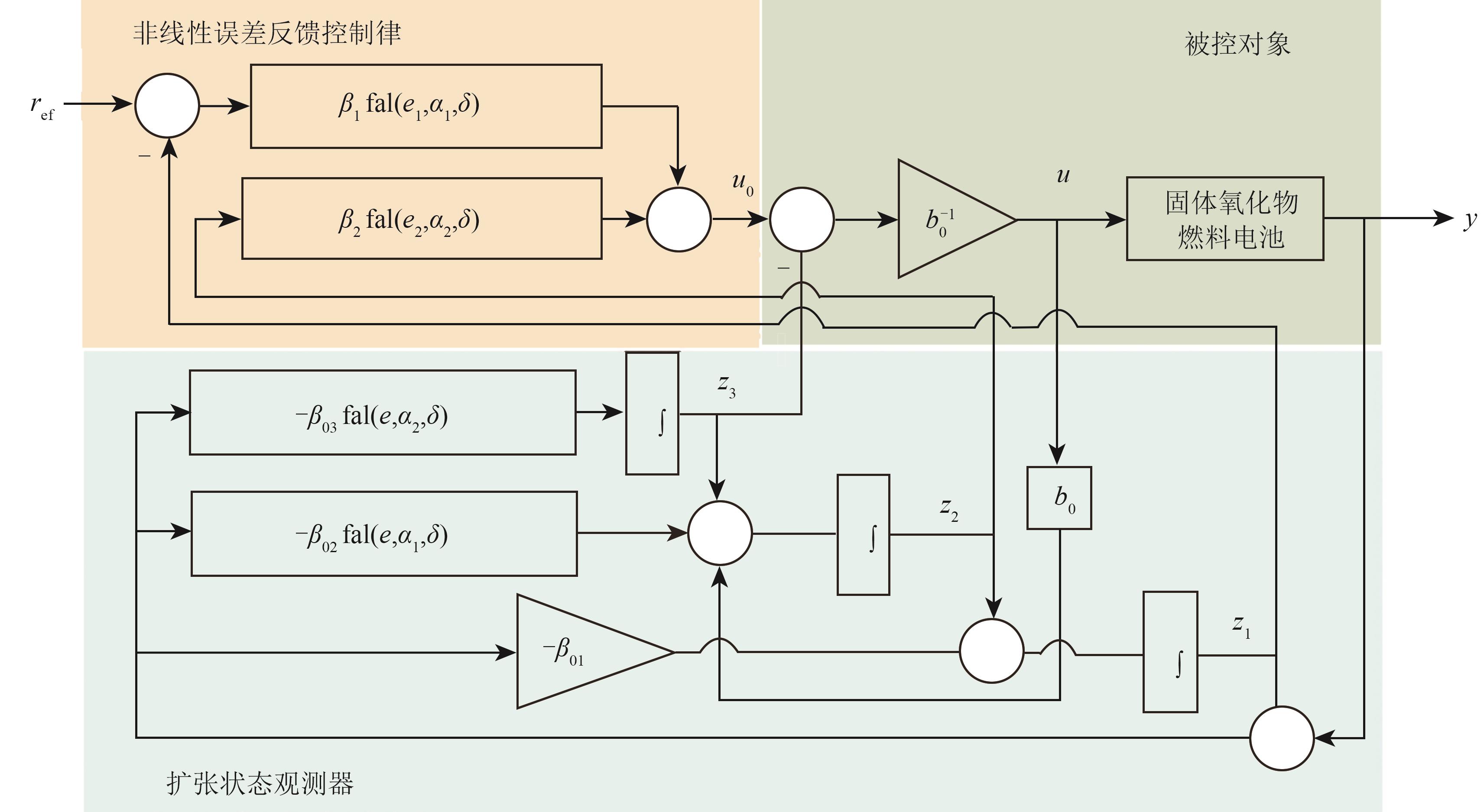
| 图2 二阶非线性自抗扰控制器结构 |
| Fig. 2 Structure of second-order nonlinear active disturbance rejection control |
|