基于改进线性自抗扰控制器的直驱风机次同步振荡抑制及阻抗稳定性分析 |
| 任蓓蕾, 郭昆丽, 蔡维正, 李博浩, 朱婷华, 李玲陶 |
|
Subsynchronous Oscillation Suppression of Direct-Drive Wind Turbines Based on Improved Linear Active Disturbance Rejection Control and Analysis of Impedance Stability |
| Beilei REN, Kunli GUO, Weizheng CAI, Bohao LI, Tinghua ZHU, Lingtao LI |
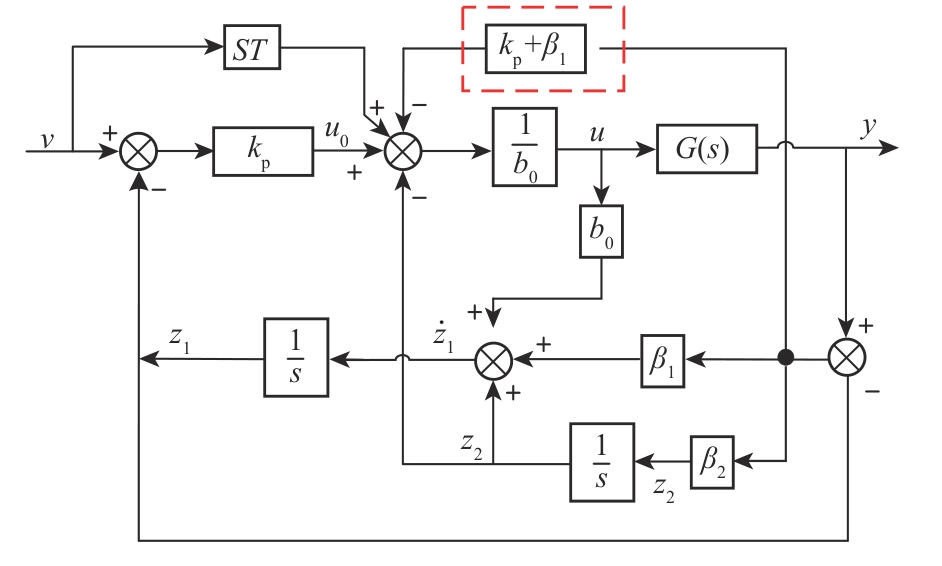
| 图2 改进LADRC控制框图 |
| Fig. 2 Improved LADRC control block diagram |
|