我国海上风电发展关键技术综述 |
| 李铮, 郭小江, 申旭辉, 汤海雁 |
|
Summary of Technologies for the Development of Offshore Wind Power Industry in China |
| Zheng LI, Xiaojiang GUO, Xuhui SHEN, Haiyan TANG |
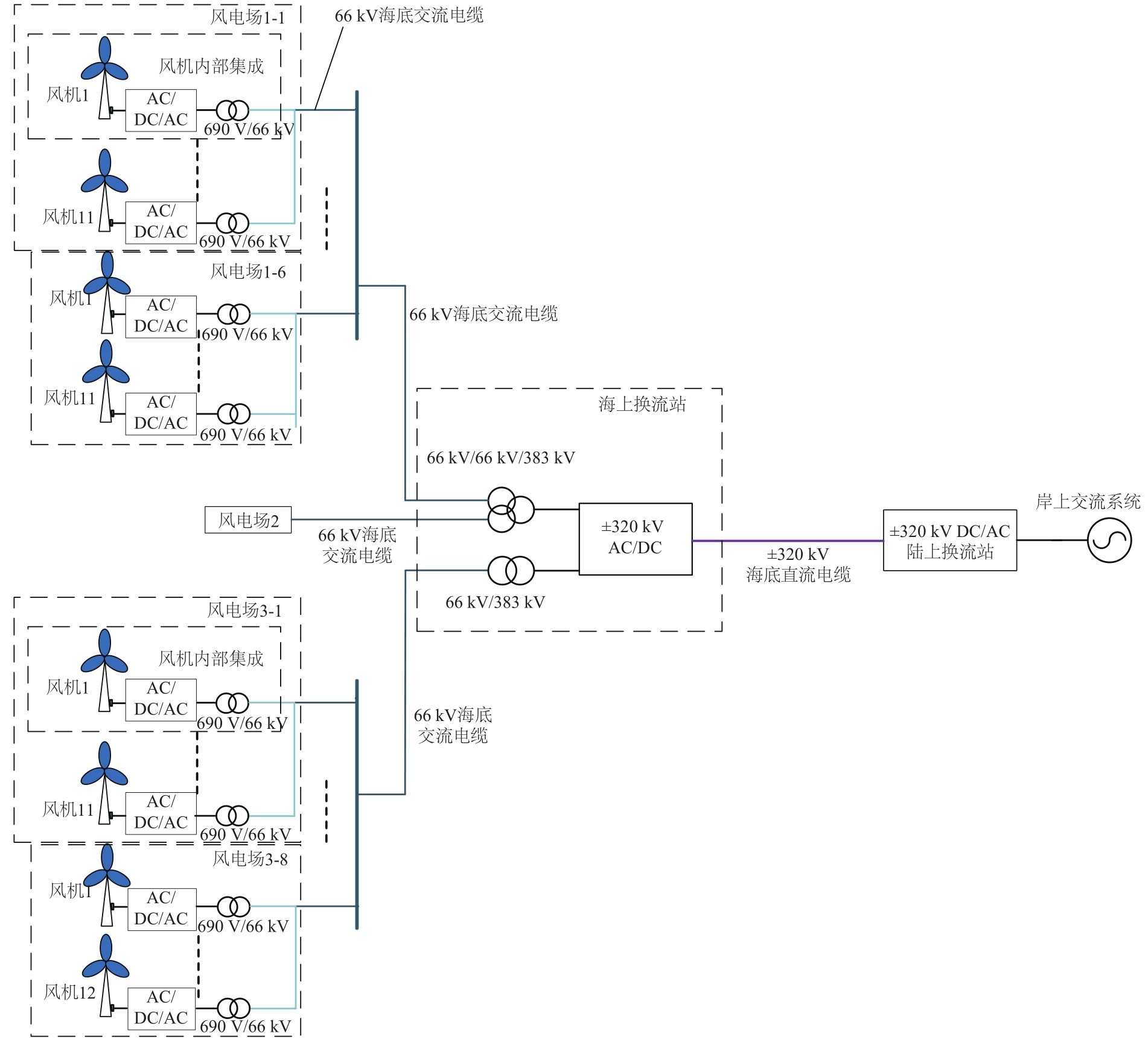
| 图2 海上风电柔性直流系统送出方式 |
| Fig. 2 Transmission mode of offshore wind power flexible DC system |
|